时间:2023-10-21 10:47
人气:
作者:admin
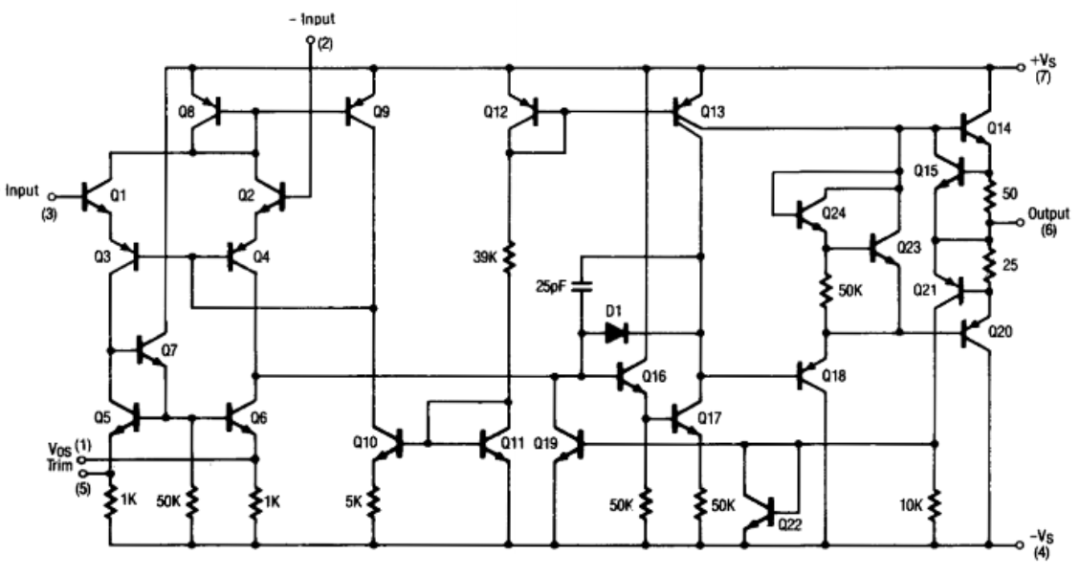
运放741采用金属罐装,用钢锯可以打开。然后使用金相显微镜,它通过镜头从上方发出光线,在高放大倍率下可以获得较清晰的照片,这样就可以观察元器件的细节。下面是运放741的电路图,对照电路图,可以看芯片在显微镜下面的各个元器件的分布情况:


在芯片上面的NPN管长成下面的样子。“E”下方的垂直横截面,可以看到发射极 (E) 线连接至N+型半导体。下面是连接到基极 (B) 的P层。下面是一个N+ 层(间接)连接到集电极 (C)。晶体管被P+填充包围,将其与相邻组件隔离:

比如Q8/Q9,它们的基极在一起:

输出晶体管比其他晶体管更大,并且具有不同的结构,以产生高电流输出。与内部晶体管的微安相比,输出晶体管必须支持25mA。如Q20晶体管。注意发射极和基极的多个互锁“手指”,被大集电极包围。

电阻是模拟芯片的关键元件。不幸的是,IC中的电阻非常不准确。不同芯片的电阻可能有50%的差异。因此,模拟IC的设计只考虑电阻的比率,而不是绝对值,因为芯片与芯片之间的比率几乎保持恒定。电阻可能采用不同的技术形成。比如R5由一条蜿蜒的P型半导体构成,约为39KΩ。R4是夹阻[pinch]电阻,大约50KΩ。在夹阻电阻中,顶部的一层N型半导体使导电区域变得更薄(即挤压它)。对于给定尺寸,这允许更高的电阻。夹阻电阻的精确度要低得多。

电容器C1本质上是一块大金属板,通过绝缘层与硅隔离。IC上的电容器的主要缺点是它们的体积非常大。C1是25pF,非常小,但占据了芯片面积的很大一部分,是芯片上最大的结构。
电流镜在IC上面的分布:

差分电路的关键是顶部的电流源提供固定电流I,该电流在两个输入晶体管之间分配。如果输入电压相等,电流将平均分配到两个支路(I1 和I2)。如果一个输入电压比另一个高一点,相应的晶体管将传导更多的电流,因此一个分支获得更多的电流,而另一个分支获得更少的电流。随着一个输入继续增加,更多的电流被拉入该分支。因此,差分电路根据输入电压的差异来路由电流。

差分放大器的输出进入第二(增益)级,提供信号的额外放大。最后,输出级具有大晶体管来产生高电流输出,该输出被送到输出引脚。
上一篇:晶体管电路设计
下一篇:晶体管相关电阻的公式汇总
龙腾半导体SGT MOSFET LSGT085R018在智慧农业无