时间:2023-06-12 10:20
人气:
作者:admin
简介
集成模拟开关通常在模拟信号和数字控制器之间构建接口,产品设计者在面对当前市场上大量的模拟开关时,需要考虑多项规格。标准的CMOS开关经过35年的发展历程,演进出了许多针对特定应用的开关电路。
本文回顾了标准CMOS模拟开关的基本结构和通用模拟开关的一些基本参数,比如导通电阻(RON)、RON平坦度、泄漏、电荷注入和关断隔离。文章讨论了新型模拟开关的性能改进:更好的开关特性、更低的工作电压和更小封装,以及一些特殊应用的需求,比如:故障保护、ESD保护、校准复用器和加载/感应能力。介绍了视频、高速USB、HDMI®和PCIe®应用的特殊开关。
标准模拟开关的基本原理
传统模拟开关结构如图1所示。通过并联一个n沟道和一个p沟道MOSFET,信号可以双向流通。输入到输出的电压比值决定n或者p沟道是否可以承载更大的信号电流。因为电路没有特定的电流流向,所以也没有严格的输入和输出定义。内部同相和反相放大器决定两个MOSFET的开、关状态。放大器根据控制信号是CMOS电平还是TTL电平,模拟电源是单电源还是双电源,对数字输入信号进行电平转换。

图1. 典型模拟开关的内部结构,由n沟道和p沟道MOSFET组成。
如今许多半导体公司生产厂家提供传统的模拟开关,比如早期的CD4066。Maxim也提供诸如MAX4610的模拟开关,与这些早期开关管脚兼容,但拥有更好的性能。例如,一些和CD4066管脚兼容的开关可提供比CD4066更低的RON和更高精度。
相比基本的模拟开关结构,新型开关在架构上也有一些调整,例如,一些低电容模拟开关(MAX4887等)只使用n沟道MOSFET,避免使用对模拟开关带宽影响较大的p沟道MOSFET。
有些单电源供电的模拟开关利用电荷泵满足负压信号处理能力。比如,音频模拟开关MAX14504,供电电压从+2.3VCC到+5.5VCC,内部电荷泵确保无失真切换-VCC到+VCC的信号。除了功能上的改进,许多最新的工业模拟开关的封装尺寸也远远小于早期型号。
低导通电阻(RON)降低信号损失
不同VIN下p沟道和n沟道MOSFET导通电阻RON相并联,得到开关导通电阻RON的特性(图2)。如果排除温度、电源电压的影响,以及RON随模拟输入电压的变化,RON应该随VIN呈线性变化关系。理想状况下,为了保持尽可能低的信号损耗和信号延迟,应尽可能减小RON。但是,减小RON会提高MOSFET硅片的宽度/长度之比(W/L),从而产生较大的寄生电容并占用较大的硅片面积。较大的寄生电容降低了模拟开关的带宽。除了W、L,RON还与电子和空穴(µn和µp)的迁移率、氧化物电容(COX)、门限电压(VT)、信号电压、n沟道/p沟道MOSFET的VGS (VIN)存在复杂的函数关系,如式1a和1b所示。
减小RON和寄生电容、改善整个温度和电压范围内RON与VIN的线性关系,通常是设计新产品的主要目标。

图2. RON和VIN的关系曲线,图1中n沟道和p沟道的RON并联构成开关的导通电阻。
![]() |
(式1a) |
![]() |
(式1b) |
| 表1. 低电阻开关* | |||||||||
| Part | Function | RDS(ON) (Ω, max) | IL(OFF) (nA, max) | RON Match (Ω, max) | RON Flatness (Ω, max) | tON/tOFF (ns, max) | Charge Injection (pC, typ) | Supply Voltage Range (V) | Package |
| MAX14535E | 1 DPDT; NO | 0.35 | 10 | — | 0.003** | 90000/40000 | — | 2.4 to 5.5 | 10-UTQFN |
| MAX4715/MAX4716 | 1 SPST; NO/NC | 0.4 | 1 | — | 0.09 | 18/12 | 20 | 1.6 to 3.6 | 5-SC70 |
| MAX4735 | 4 SPDT | 0.4 | 20 | 0.03 | 0.75 | 200/180 | 100 | 1.6 to 3.6 | 16-TQFN/TSSOP |
| MAX14504 | 2 SPDT; bidirectional | 0.5 | 50 | — | 0.001** | 60000/3000 | — | 2.3 to 5.5 | 12-WLP |
| MAX4626 | 1 SPST; NO | 0.5 | 2 | — | 0.1 | 50/30 | 40 | 1.8 to 5.5 | 5-SOT |
| MAX4742 | 2 DPST; NC | 0.8 | 1 | 0.08 | 0.18 | 24/16 | 28 | 1.6 to 3.6 | 8-µDFN/µMAX®/SOT |
| MAX4754 | 4 DPDT | 0.85 | 3 | 0.35 | 0.4 | 140/50 | 300 | 1.8 to 5.5 | 16-TQFN/UCSP |
| MAX4758/MAX4759 | 4 DPDT/8 SPDT | 0.85 | 5 | 0.35 | 0.45 | 140/50 | 40 | 1.8 to 5.5 | 36-TQFN; 32-UCSP/WLP |
| MAX4751/MAX4752 | 4 SPST; NO/NC | 0.9 | 2.5 | 0.12 | 0.1 | 30/25 | 21 | 1.6 to 3.6 | 16-QFN/14-TSSOP |
| MAX4855 | 2 SPDT | 1 | 2 | 0.12 | 0.275 | 60/40 | 170 | 2 to 5.5 | 16-TQFN |
| MAX4783 | 3 SPDT | 1 | 2 | 0.4 | 0.2 | 25/15 | -40 | 1.6 to 3.6 | 16-QFN/TQFN/TSSOP |
| MAX4680/MAX4690/MAX4700 | 2 SPST; NC/NO/NO-NC | 1.25 | 0.5 | 0.3 | 0.3 | 275/175 | 550 | ±4.5 to ±20 | 16-PDIP(N)/SOIC(W)/SSOP |
| MAX4677/MAX4678/MAX4679 | 4 SPST; NC/NO/NO-NC | 1.6 | 1 | 0.3 | 0.4 | 350/150 | 85 | ±2.7 to ±5.5 | 16-PDIP(N)/TSSOP |
| MAX4688 | 1 SPDT | 2.5 | 0.5 | 0.4 | 1 | 30/12 | 40 | 1.8 to 5.5 | 6-UCSP |
| MAX4661/MAX4662/MAX4663 | 4 SPST; NC/NO/NO-NC | 2.5 | 0.5 | 0.5 | 0.5 | 275/175 | 300 | ±4.5 to ±20 | 16-PDIP(N)/SOIC(W)/SSOP |
| MAX4667 | 2 SPST; NC | 2.5 | 0.5 | 0.4 | 0.4 | 275/175 | 450 | ±4.5 to ±20 | 16-PDIP(N)/SOIC(N) |
| MAX4706/MAX4707 | 1 SPST; NC/NO | 3 | 1 | — | 0.85 | 20/15 | 5 | 1.8 to 5.5 | 6-µDFN/SC70; 5-SC70 |
| MAX4675/MAX4676 | 1 SPST; NO/NC | 3 | 1 | — | 0.7 | 300/110 | 87 | ±2.7 to ±5.5 | 6-SOT |
| MAX4674 | 4 SPDT | 4 | 0.5 | 0.4 | 0.8 | 18/6 | 10 | 1.8 to 5.5 | 16-QSOP/SOIC/TQFN/TSSOP |
| MAX4664/MAX4665/MAX4666 | 4 SPST; NC/NO/NO-NC | 4 | 0.5 | 0.5 | 0.5 | 275/175 | 300 | ±4.5 to ±20 | 16-PDIP(N)/SOIC(N) |
| MAX4739 | 4 SPST; NO-NC | 4.5 | 0.5 | 0.4 | 1.2 | 80/40 | 5 | 1.8 to 5.5 | 14-TSSOP/UCSP |
| MAX4621/MAX4622/MAX4623 | 2 SPST; NO/2 SPDT/2 DPST; NO | 5 | 0.5 | 0.5 | 0.5 | 250/200 | 480 | ±4.5 to ±20 | 16-PDIP(N)/SOIC(N) |
| MAX4947/MAX4948 | 6 SPDT; bidirectional | 5.5 | 3 | 0.5 | 1 | 800/800 | 10 | 1.8 to 5.5 | 24-TQFN/25-UCSP |
| MAX4729/MAX4730 | 1 SPDT | 5.5 | 2 | 0.15/0.34 | 1.5/0.95 | 45/26 | 3 | 1.8 to 5.5 | 6-µDFN/SC70 |
| MAX4670 | 8 SPDT; NO-NC | 9 | 1000 | 0.15 | 0.18 | 400/200 | 20 | 2.7 to 3.6 | 32-TQFN |
| MAX14756/MAX14757/MAX14758 | 4 SPST; NC/NO/NO-NC | 10 | 2.5 | 0.5 | 0.004** | 60000/3000 | 580 | ±10 to ±35 | 16-TSSOP |
*最新信息,请参考IC数据手册。
**典型值。
第一代的模拟开关工作电压为±20V,导通电阻有几百欧姆。最新的开关可以实现0.5Ω最大值的导通电阻,电源电压也更低。工作电压对RON有很大影响(如图3A),工作信号对RON影响也很大(如图3B)。在这个例子中,MAX4992的信号和电源电压变化范围为:1.8V到5.5V,当电源电压较低时,导通电阻会增大(图3A)。当工作电压分别为1.8V、2.7V、3.3V、5V时,导通电阻的最大值分别为0.38Ω、0.3Ω、0.28Ω和0.25Ω。许多新型模拟开关工作电压可低至1.6V。MAX4992可以在单电源供电的情况下达到很低的RON和RON平坦度(1mΩ)。图3B对比了在5V供电情况下,新老模拟开关的导通电阻。

图3A. 高供电电压下,可获得低导通电阻。此图是MAX4994 (单电源)的RON和VCOM对比图。

图3B. 与早期型号模拟开关RON的比较。
当为单电源供电系统选择开关时,最好选择专为单电源供电设计的开关。这些器件因为不需要单独的V-和接地而省去一个管脚。因此,一个单刀双掷开关(例如MAX4714)可以放进微小的6引脚、1.6mm² µDFN封装。同样双电源应用选择双电源供电开关。这些开关有V-和接地引脚,逻辑电平满足标准的CMOS和TTL电平。
许多高性能模拟系统仍然使用高压、双极性电源供电(如MAX14756),如±15V或±12V。这些电压的接口需要一个额外的电源引脚,通常称作逻辑电源。逻辑电源管脚(VL)连接到系统的逻辑电平,通常是1.8V或3.3V。使输入逻辑信号与实际逻辑电平保持相同的参考点,以提高噪声裕量且避免过大功耗。
人们常常误解模拟开关输入逻辑电平与其对电源电流的影响。如果逻辑输入电平是地电平或VCC (或者VL),模拟开关不会明显地消耗供电电流。但是,如果把TTL电平加到一个5V开关上,将导致电源电流增加几千倍。对于上世纪八十年代的产品,为了节省不必要的功耗,不得不避免使用TTL电平。
信号处理设计
图3A也显示了RON与信号电压的关系。这些曲线落在供电电压范围内,因为典型的模拟开关内部没有集成电荷泵,不能处理超出供电电压范围的信号。低于或高于电源的输入会在内部二极管网络中产生不受控的电流,可能永久损坏没有保护的开关。通常,这些二极管为开关提供高达±2kV的ESD保护(参考下面ESD保护开关部分)。
模拟开关的导通电阻会导致信号电压线性下降,下降幅度和通过开关的电流成正比。根据应用以及电流大小,需要考虑信号电压的跌落。另外两个需要考虑的重要参数是通道匹配和导通电阻平坦度。
通道匹配是指一个器件中各个通道导通电阻的差异;导通电阻平坦度是指单个通道内信号大小对导通电阻的影响。通道匹配和导通电阻平坦度参数越小开关越精确。这两个参数的典型值一般为0.1Ω到5Ω。部分开关经过特殊设计,拥有更好的通道匹配和导通电阻平坦度。例如MAX4992,通道匹配达到了3mΩ,导通电阻平坦度达到了1mΩ。MAX14535E拥有很好的导通电阻、通道匹配和导通电阻平坦度指标,非常适合交流耦合的音视频手持设备,能够处理低至-1.5V的信号。
在大多数应用中,可以通过修改电路设计来优化开关的电流。例如,通过切换不同的反馈电阻改变运算放大器的增益。这种情况下最好选择将开关串联在具有高阻输入的配置(图4A)。因为开关电流很小,导通电阻以及它的温度系数可以忽略;图4B设计就不合适,因为根据输出电压的不同,开关电流会达到很大数值。

图4. 增益控制电路设计的好(A)与坏(B)取决于通过开关电流的大小。
音频开关和先断后合功能
在所有音频系统中,一个主要的性能要求是消除瞬时放电脉冲通过扬声器时引起的咔嗒声。这些瞬时脉冲通常由电源的通、断引起(开通和关断时间,tON和tOFF)。抛开设备工作时的音质不说,如果在系统每次开机或者关机时有咔嗒声,客户通常会认为这是一个劣质的音频设备。通过延长模拟开关的tON和tOFF可以消除听得到的咔嗒声。这一步骤降低了通过扬声器的瞬时脉冲。大多数模拟开关的通断时间从低于15ns到1µs,其它一些无咔嗒声的开关可以达到毫秒级别。
一些没有咔嗒声的开关通过使用旁路开关和先断后合技术来消除咔嗒声。在音频应用中,MAX4744通过内部的旁路开关释放输入电容的能量。这个动作避免了瞬态电压进入扬声器。先断后合技术保证开关在连通另一点之前断开当前的连接,这里tON > tOFF。另外一种设计需要先合后断的开关,那么tOFF > tON。例如图4A中,当在两种增益之间切换时需要小心。改变增益时,应避免出现两个开关同时断开的情况,这一点非常重要;第二个开关必须在第一个开关断开之前合上,否则运算放大器处于开环状态,将导致输出达到最大电平。
| 表2. 无杂音模拟开关* | |||||||||
| Part | Function | RDS(ON) (Ω, max) | IL(OFF) (nA, max) | RON Match (Ω, max) | RON Flatness (Ω, max) | tON/tOFF (ns, max) | Charge Injection (pC, typ) | Supply Voltage Range (V) | Package |
| MAX4992 | 2 SPDT; bidirectional | 0.5 | 100 | 0.003 | 0.001 | 150000/2000 | — | 1.8 to 5.5 | 10-UTQFN |
| MAX4744/MAX4746H | 2 SPDT | 0.95 | 15 | 0.1 | 0.55 | 560/540** | 450 | 1.8 to 5.5 | 10-µDFN |
| MAX4910 | 4 SPDT | 0.8 | — | 0.1 | 0.35 | 150/1000 | 300 | 1.8 to 5.5 | 16-TQFN |
| MAX4764/MAX4765 | 2 SPDT | 0.85 | 2 | 0.1 | 0.4 | 80/70 | 150 | 1.8 to 5.5 | 10-TDFN-EP/UCSP |
| MAX4908/MAX4930 | 2 SP3T | 0.8 | 50 | 0.1 | 0.35 | — | — | 1.8 to 5.5 | 14-TDFN-EP |
| MAX4901/MAX4902 | 2 SPST; NO | 1 | 6 | — | 0.25 | 100/100 | 125 | 1.8 to 5.5 | 8-TDFN-EP; 9-UCSP |
| MAX4571/MAX4573 | 11 SPST; NO | 35 | 0.2 | 3 | 6 | 8000/300** | — | 2.7 to 5.25 | 28-QSOP/SOIC(W)/SSOP |
| MAX4562/MAX4563 | 2 SPST + 2 SPDT | 30 | 1 | 5 | 5 | 12000/3000** | — | 2.7 to 5.5 | 16-QSOP |
*最新信息,请参考数据手册。
**典型值。
变化的信号电平会改变导通电阻,进而导致开关插损的变化。这增加了模拟开关的总谐波失真(THD)。以一个导通电阻为100欧姆,导通电阻平坦度为10欧姆的开关为例,接上600欧姆负载时的最大总谐波失真(THDmax)为1.67%。THD是音频应用中一个关键参数,它反映了信号通过开关后的质量或者逼真程度。THD定义为所有谐波成分平方和的均方根与基波的比值(式2)。图5对比了不同开关的THD。
![]() |
(式2) |

图5. 不同模拟开关THD与频率的关系图。
低导通电阻与电荷注入效应控制
并不是所有应用都要求低RON。一个应用需要考虑低RON外,还要考虑其它因素,例如:这些电路需要更大的芯片面积,设计会引入更大的输入电容,电容在每个开关周期内的充放电会消耗更多功耗等等。输入电容的充电时间取决于负载电阻(R)和电容(C),时间常数为t = RC。充电时间通常持续几十纳秒,较大高RON的开关则具备很短的tON和tOFF。一些模拟开关在同样的封装和管脚摆列下会设计出几种不同的RON和输入电容特性组合。MAX4501和MAX4502具有较高的RON和较短的tON/tOFF,而MAX4514和MAX4515则具有更低的RON和更长的切换时间。
低RON还带来另外一个负面影响:大的容栅电流会导致大的电荷注入。在开关每次开启/关闭的过程中都有一部分电荷注入或者流出模拟通道(图6A)。对于开关连接在高阻输出的应用,这个过程会对理想的输出信号造成很大变化。在没有其它负载的情况下,小的寄生电容(CL)将对输出增加一个ΔVOUT的变化,注入电荷为Q = ΔVOUT x CL)。在模/数转换器(ADC)进行转换时,用于保持模拟输出信号的采样保持放大器就是一个很好的例子(图6B)。开关S1导通,将缓存电容C充电到输入电压VS。电容C只有几个皮法,当S1断开时,电容C的电压保持为VS。在转换时导通S2将保持电压VH)加到缓冲器上。高阻缓冲器在ADC转换期间将电压保持在VH)。对于采样时间很短的应用,采样保持电容值要求非常小,而且开关S1的RON也要很小。然而,电荷注入会导致VH)有一个±ΔVOUT (几毫伏)的变化,这会影响后面ADC的准确度。

图6A. 开关控制信号的电荷注入导致的模拟输出电压误差。

图6B. ADC内部典型采样保持电路需要模拟开关的精确控制。
漏电流以及对电压误差的影响
漏电流会影响模拟开关的输出电压。图7和图8给出了模拟开关在导通和关断状态下的简化小信号模型。在两种情况下,大部分漏电流通过内部寄生二极管流出,导致输出电压误差。漏电流随温度变化,温度每变化10°C,漏电流加倍。ESD保护二极管(例如失效保护开关)加大了器件的漏电流。

图7. 开关导通状态下的等效电路。

图8. 开关断开状态下的等效电路。
导通状态下的输出电压如式3所示,它受漏电流和导通电阻的影响,导通电阻根据输入信号、负载电阻、源电阻的不同而不同。对于双向开关,ILKG根据开关是漏极还是源极作为输出分别等于IS或ID。
![]() |
(式3) |
断开状态下,输出电压理论上受漏电流的影响,计算公式为VOUT = ILKG × RL。
许多IC数据手册给出的是最坏情况下导通关断的漏电流。当信号电压达到电源电压时,大量电流通过寄生二极管注入到基片导致电流流到相邻通道。因而设计者需要注意所使用器件的供电电流上限,避免超过限制。超出限制会永久性损坏器件。在一些用到高输入阻抗和低失调误差的放大器和ADC的应用中,应当使用低漏电流的模拟开关或复用芯片。
视频和高频开关的特殊需求
对于视频信号,在导通电阻和寄生电容之间的权衡非常重要。具有大导通电阻的传统模拟开关可以通过外部增益来补偿插入损耗。同时,低导通电阻的开关具有比较大的寄生电容,会降低带宽和视频信号的质量。低导通电阻开关需要输入缓冲器保证带宽,但会增加器件数量。
采用n沟道开关可以提高带宽,因为寄生元件和封装可以做到很小,使得单位面积内可以集成更多的开关。但是n沟道开关限制了轨到轨应用。当视频信号超出限制幅度时,输出会钳位导致视频信号失真。当选择n沟道开关时,要确保开关的特定限制能够满足输入信号完全通过。
在安防和监控系统中,一个监示器有多个信号源,隔离度和串扰是关键参数。隔离度定义为开关断开状态下,输入信号反馈到开关另一端的强度。在视频和VHF等典型的高频应用中,信号通过漏源极电容(CDS)耦合,降低了隔离度。与开关相连电路的更高阻抗也导致隔离度的降低。
T型开关比较适合视频及其它高于10MHz的高频应用。它由两个串联的模拟开关和另外一个连接在它们中间到地的第三个开关组成(图9A)。这种排列提供了高于单个开关的隔离度。由于和每个串联开关并联的寄生电容,关断的T型开关的容性串扰通常随频率增加而增加(图9A)。在多通道开关中,通道之间的寄生电容会将信号耦合到邻近通道,因此增加了串扰。
图9A所示T型开关导通时,开关S1和S1导通,S3断开。关断时,S1和S2断开,S3导通。在关断状态,试图通过串联MOSFET的CDS耦合的信号被开关S3旁路到地。对于10MHz的视频信号,T型开关(例如MAX4545)与普通开关(例如MAX312)的隔离度相差很大:分别为-80dB和-36Db (图9B)。
最后,可以考虑选择带缓冲和不带缓冲的视频开关。普通的无源视频开关需要额外电路1。有源视频开关集成了开关和缓冲器,有助于减小信号干扰。集成复用放大器(例如MAX4310)在高频应用中具有非常高的隔离度。

图9A. 射频应用中的T型开关结构。

图9B. 标准开关(MAX312)和视频开关(MAX4545,MAX4310)隔离度的对比。
更小封装
Maxim提供极小封装的模拟开关。例如,MAX4696/MAX4697 (1-SPDT)和MAX4688/MAX4698 (1-SPST)都是6焊球UCSP封装(1.5mm²)。UCSP封装淘汰了传统的塑料封装集成电路,大大节省空间。表3列举了一些其它小封装的模拟开关。
| 表3. 小封装模拟开关* | ||||||||||
| Part | Function | RDS(ON) (Ω, max) | IL(OFF) (nA, max) | RON Flatness (Ω, max) | tON/tOFF (ns, max) | Charge Injection (pC, typ) | Off-Isolation (dB)/Frequency (MHz) | Supply Voltage Range (V) | Package | Package (mm²) |
| MAX4698 | 1 SPDT | 35 | 0.5 | 13 | 80/25 | 8 | -750 | 2 to 5.5 | 6-UCSP | 1.5 |
| MAX4688 | 1 SPDT | 2.5 | 0.5 | 1 | 30/12 | 40 | -900 | 1.8 to 5.5 | 6-UCSP | 1.5 |
| MAX4594 | 1 SPST; NO | 10 | 0.5 | 1.5 | 35/40 | 2 | -80 | 2 to 5.5 | 6-µDFN | 1.6 |
| MAX4706/MAX4707 | 1 SPST; NC/NO | 3 | 1 | 0.85 | 20/15 | 5 | -82/1; -62/10 | 1.8 to 5.5 | 6-µDFN | 1.6 |
| MAX4729/MAX4730 | 1 SPDT | 5.5 | 2 | 1.5/0.95 | 45/26 | 3 | -67/1; -45/10 | 1.8 to 5.5 | 6-µDFN | 1.6 |
| MAX14508E/MAX14509AE/MAX14510E | 1 DPDT; bidirectional | 5 | 10000 | — | 60000/5000 | — | — | 2.7 to 5 | 10-UTQFN | 2.5 |
| MAX14535E/MAX14536E | 1 DPDT; NO | 0.35 | 10 | 0.001** | 90000/40000 | — | — | 2.4 to 5.5 | 10-UTQFN | 2.5 |
| MAX4992/MAX4993 | 2 SPDT/1 DPDT | 0.5 | 100 | 0.001 | 150000/2000 | — | -4500 | 1.8 to 5.5 | 10-UTQFN | 2.5 |
| MAX4719 | 2 SPDT | 20 | 0.5 | 1.2 | 80/40 | 18 | -80/1; -55/10 | 1.8 to 5.5 | 10-UCSP | 3.3 |
| MAX14531E/MAX14532E | 2 SP3T | 2 | 2000 | 0.1 | 250000/6000 | — | — | 2.7 to 5.5 | 12-WLP | 3.3 |
| MAX14504/MAX14505A | 2 SPDT; bidirectional | 0.5 | 50 | 0.001** | 60000/3000 | — | — | 2.3 to 5.5 | 12-WLP | 3.3 |
| MAX4906/MAX4906F | 2 SPDT; NO-NC | 7 | 1000 | 1** | 60/30 | 5 | -60/10; -26/500 | 3 to 3.6 | 10-µDFN | 4.2 |
| MAX4754 | 4 DPDT | 0.85 | 3 | 0.4 | 140/50 | 50 | -650 | 1.8 to 5.5 | 16-UCSP | 4.3 |
| MAX4501/MAX4502 | 1 SPST; NO/NC | 250 | 1 | — | 75/10 | 10 | -1000 | 2 to 12 | 5-SC70 | 5.3 |
| MAX4624/MAX4625 | 1 SPDT | 1 | 2 | 0.12 | 50/50 | 65 | -57 | 1.8 to 5.5 | 6-TSOT | 8.3 |
| MAX4514/MAX4515 | 1 SPST; NO/NC | 20 | 1 | 3 | 150/100 | 2 | -900 | 2 to 12 | 5-SOT | 9 |
| MAX14550E | 2 SP3T | 6.5 | 250 | 0.1 | 100000/5000 | — | — | 2.8 to 5.5 | 10-TDFN-EP | 9.6 |
| MAX4908/MAX4930 | 2 SP3T | 0.8 | -/50 | 0.35 | — | — | -4000 | 1.8 to 5.5 | 14-TDFN-EP | 9.6 |
*最新信息,请参考数据手册。
**典型值。
ESD保护开关
对于大多数模拟开关应用,ESD保护是一个重要参数。标准的模拟开关设计ESD保护电压为±2kV。设计者可以额外增加ESD保护,但这会占用单板面积、增大输入输出电容。现在,一些开关设计采用内部二极管,提供高达±15kV的ESD保护电压。这些器件均通过IEC 61000-4-2规定的人体模式(±15kV)、接触放电(典型±8kV)和气隙放电(±15kV)模式的ESD测试2。
| 表4. ±15kV ESD保护模拟开关遵循IEC 61000-4-2/IEC 1000-4-2标准* | |||||||||
| Part | Function | RDS(ON) (Ω, max) | IL(OFF) (nA, max) | RON Match (Ω, max) | RON Flatness (Ω, max) | tON/tOFF (ns, max) | Charge Injection (pC, typ) | Off-Isolation/Crosstalk (dB) | Supply Voltage Range (V) |
| MAX14535E/MAX14536E | 1 DPDT; NO | 0.35 | ±10 | — | 0.0003** | 90000/40000 | — | — | 2.4 to 5.5 |
| MAX4983E/MAX4984E | 1 DPDT; bidirectional | 10 | ±250 | 1 | 0.1 | 100000/5000 | — | -48/-73 (at 10MHz) | 2.8 to 5.5 |
| MAX4927 | 7 4:1 mux; NO | 5.5 | ±1000 | 1.5 | 0.01** | 50/50 | — | —/-50 (at 25MHz) | 3 to 3.6 |
| MAX4575/MAX4577 | 2 SPST; NO/NO-NC | 70 | ±0.5 | 2 | 4 | 150/80 | 4 | -75/-90 (at 1MHz) | 2 to 12 |
| MAX4620 | 4 SPST; NO | 70 | ±0.5 | 2 | 4 | 150/80 | 5 | -75/-90 (at 1MHz) | 2 to 12 |
| MAX4561 | 1 SPDT | 70 | ±0.5 | 2 | 4 | 150/80 | 17 | 75/— (at 1MHz) | 1.8 to 12 |
| MAX4568/MAX4569 | 1 SPST; NO/NC | 70 | ±0.5 | 2 | 4 | 150/80 | 6 | 75/— (at 1MHz) | 1.8 to 12 |
| MAX4558/MAX4559/MAX4560 | 1 8:1 mux/2 4:2 mux/3 SPDT | 160 | ±1 | 6 | 8 | 150/120 | 2.4 | -96/-93 (at 0.1MHz) | ±2 to ±6 or 2 to 12 |
| MAX4551/MAX4552/MAX4553 | 4 SPST; NC/NO/NO-NC | 120 | ±1 | 4 | 8 | 110/90 | 2 | -90/-90 (at 0.1MHz) | ±2 to ±6 or 2 to 12 |
*最新信息,请参考数据手册。
**典型值。
高达±36V过压保护的故障保护开关
模拟开关的电源电压限制了所允许的输入信号电压范围(参考信号处理设计部分)。如果输入信号电压超过电源电压,器件会闭锁或永久性损坏。通常这个限制不会影响使用,但有些情况下信号会在开关断电的时候作用到器件输入(当系统上电顺序导致输入信号在器件上电完成之前加载时)。信号瞬间超过供电电压也会导致器件闭锁或永久损坏。新的带故障保护的开关提供高达±36V的过压保护,断电状态下达到±40V,同时提供满摆幅信号处理能力和低导通电阻。而且,不论开关处于何种状态、负载电阻大小,故障状态下,输入端均为高阻态,从源端流出的漏电流也只有几个纳安。
图10所示是故障保护模拟开关的内部结构。如果开关(P2或N2)导通,COM输出端将被两个内部“自举”FET钳位到电源电压,使COM输出保持在电源电压以内,并根据负载提供最大±13mA的电流,但是NO/NC引脚的电流并不大。注意,信号在有ESD保护或故障保护的开关中可以双向传输,但故障保护只作用在输入端3。

图10. 故障保护模拟开关内部特殊电路结构。
许多双电源开关要求正电源先于负电源上电,以避免器件闭锁或损坏。有些开关则不要求上电时序,如MAX14752复用器。MAX14752与工业器件DG408/DG409管脚兼容,并且内部输入端的二极管为开关提供过压/欠压保护。
表5列出了Maxim的一些故障保护开关,MAX4511/MAX4512/MAX4513与DG411–413以及器件DG201/DG202/DG213引脚兼容。
| 表5. 轨对轨信号摆动故障保护* | |||||||||
| Part | Function | RDS(ON) (Ω, max) | IL(OFF) (nA, max) | RON Match (Ω,max) | Overvoltage Supplies ON/OFF (V) | tON/tOFF (ns, max) | Charge Injection (pC, typ) | Supply Voltage Range (V) | Package |
| MAX9940 | 1 line protector | 77.5 | — | — | ±28 | — | — | 2.2 to 5.5 | 5-SC70 |
| MAX4505 | 1 line protector | 100 | ±0.5 | — | ±36/±40 | — | — | 8 to 18 or ±9 to ±36 | 5-SOT; 8-µMAX |
| MAX4506 | 3 line protector | 100 | ±0.5 | — | ±36/±40 | — | — | 8 to 18 or ±9 to ±36 | 8-CDIP(N)/PDIP(N)/SOIC(N) |
| MAX4507 | 8 line protector | 100 | ±0.5 | — | ±36/±40 | — | — | 8 to 18 or ±9 to ±36 | 18-PDIP(N)/SOIC(W); 20-SSOP |
| MAX4510/MAX4520 | 4 SPST; NC/NO | 75 | ±0.5 | — | ±36/±40 | 500/175 | 1.5 | 9 to 36 or ±4.5 to ±20 | 8-µMAX; 6-SOT |
| MAX4633 | 2 DPST; NO | 85 | ±0.5 | 6 | ±36/±40 | 500/400 | 10 | 9 to 36 or ±4.5 to ±18 | 16-PDIP(N)/SOIC(N) |
| MAX4511/MAX4512/MAX4513 | 4 SPST; NC/NC/NO-NC | 160 | ±0.5 | 6 | ±36/±40 | 500/400 | 1.5 | 9 to 36 or ±4.5 to ±20 | 16-CDIP(N)/PDIP(N)/SOIC(N) |
| MAX4708/MAX4709 | 1 8:1 mux/2 4:1 mux | 400 | ±0.5 | 15 | ±25/±40 | 275/200 | 0 | 9 to 36 or ±4.5 to ±20 | 16-PDIP(N)/SOIC(N) |
| MAX4534/MAX4535 | 1 2:1 mux; 2 4:1 mux | 400 | ±2 | 10 | ±25/±40 | 275/200 | 1 | 9 to 36 or ±4.5 to ±18 | 14-PDIP(N)/SOIC(N)/TSSOP |
| MAX4533 | 4 SPDT | 175 | ±0.5 | 6 | ±25/±40 | 250/150 | 1.5 | +9 to +36 or ±4.5 to ±18 | 20-PDIP(N)/SOIC(W)/SSOP |
| MAX4508/MAX4509 | 1 8:1 mux/2 4:1 mux | 400 | ±0.5 | 15 | ±25/±40 | 275/200 | 2 | 9 to 36 or ±4.5 to ±20 | 16-CDIP(N)/PDIP(N)/SOIC(N) |
| MAX4632 | 2 SPDT | 85 | ±0.5 | 6 | ±25/±40 | 500/400 | 5 | 9 to 36 or ±4.5 to ±18 | 16-PDIP(N)/SOIC(N) |
| MAX4711 | 4 SPST; NC | 25 | ±0.5 | 1 | ±7/±12 | 125/80 | 25 | 2.7 to 11 or ±2.7 to ±5.5 | 16-PDIP(N)/SOIC(N)/TSSOP |
*最新信息,请参考数据手册。
加载/感应开关对系统精度的影响
电压和电流测试系统中存在大量的连接技术,例如,常见的2线、3线和4线系统,它们在精度和复杂度方面有很大差别。对于精度要求不是过高的系统,可采用2线连接,如图11所示。这种技术在加载线的源端检测负载电压,负载电压可能远远低于源端电压,因为如果相对较大的驱动电流流过线路阻抗,将产生较大的压降。引线越长、负载电流越大、引线电阻越大,所产生的压降越大,可能导致严重的测量误差。3线系统可以提高精度,4线加载/感应技术则可达到更高精度。

图11. 当高精度要求不严格时使用2线测量系统。
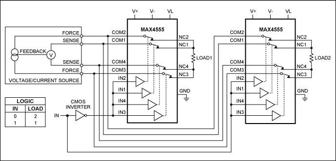
4线加载/感应技术(图12)使用两根线传输驱动电压或电流,另外两根线直接连接到负载测量负载电压。模拟加载/感应开关在同一封装内采用不同的开关类型,例如MAX4554系列配置为加载/感应开关,设计用于开尔文检测自动测试设备(ATE)。每个器件包含一路低阻、大电流开关,用作电流加载线或用于检测电压或切换保护信号的高阻开关。大电流开关的导通电阻只有6Ω,感应开关在±15V供电时的导通电阻达到60Ω。加载/感应开关适用于高精度测量系统,例如纳伏表和毫安表等。它们也简化了许多应用,例如在4线系统中切换一个驱动源和两个负载,如图13所示。

图12. 4线加载/感应测试技术。

图13. 使用MAX4555将4线测试电路从一个源端切换到两个负载。
多通道应用中的复用器和交叉开关
复用器是一种特殊的模拟开关,有两个或更多输入端连接到一个输出端。复用器可以是一个简单的SPDT开关或用于多个选通通道的组合(图14)。利用数字输入选择通道(例如8通道复用器中的三个数字输入端),这些更高阶的复用器数字控制如同2进制解码器。
分配器是复用器反向使用。根据解码地址,将一路输入连接到两路或多路输出。许多复用器也可以用作分配器。

图14. 低压复用器(上)和中压复用器(下)的结构。
表6列出了Maxim的一些交叉开关。许多开关在老一代基础上增强了功能设计。如MAX4360是MAX458的替代型号。
| 表6. 交叉点开关* | |||||||
| Part | Function | Off-Isolation (dB) | Crosstalk (dB) | -3dB Bandwidth (MHz) | Supply Voltage Range (V) | Package | Package (mm²) |
| MAX4989 | 2 2-of-4; bidirectional | -43dB (at 10MHz) | -50dB (at 50MHz) | 1000 | 2.7 to 5.5 | 14-TDFN-EP | 9.6 |
| MAX4548/MAX4549 | 3 × 3:2 | -72dB (at 10MHz)/-85dB (at 20kHz) | -55dB (at 10MHz)/-85dB (at 20kHz) | 250 | 2.7 to 5.5 | 36-SSOP | 163.4 |
| MAX4550/MAX4570 | 2 × 4:2 | -78dB (at 4MHz) | -54dB (at 4MHz) | — | 2.7 to 5.5 or ±2.7 to ±5.5 | 28-SOIC(W)/SSOP | 192.8 |
| MAX4359 | 4 × 4 | -80 (at 5MHz) | -70 (at 5MHz) | 35 | ±5 | 24SOIC(W)/36-SSOP | 163.4 |
| MAX4360 | 8 × 4 | -80 (at 5MHz) | -70 (at 5MHz) | 35 | ±5 | 36-SSOP | 163.4 |
| MAX9675 | 16 × 16 | -110dB (at 6MHz) | -62dB (at 6MHz) | 110 | ±5 | 100-TQFP | 262.4 |
| MAX4356 | 16 × 16 | -110dB (at 6MHz) | -62dB (at 6MHz) | 110 | 5 or ±3 or ±5 | 128-LQFP | 359.6 |
| MAX4357 | 32 × 16 | -110dB (at 6MHz) | -62dB (at 6MHz) | 110 | 5 or ±3 or ±5 | 128-LQFP | 359.6 |
*最新信息,请参考数据手册
交叉点开关用于音/视频切换、视频点播、安防和监控系统。交叉开关通常是一个M × N的器件,任何一路或所有输入可以连接到任何一路或所有输出(反之亦然)。这些器件可以组成一个大型阵列4。
校准型复用器平衡ADC失调和增益误差
校准型复用器用于精密ADC或自监控系统。它们在单芯片内集成了多个器件:从输入基准电压产生精确比例电压的模拟开关、内部精密电阻分压器、在不同输入间进行选择的复用器。
校准复用器可以平衡ADC系统的两个主要误差:失调和增益误差。在微控制器串口控制下,通过几个简单的测试步骤,借助内部精密分压器可以测量增益和失调。得到了ADC的失调和增益误差后,系统软件利用校准系数即可调整最终输出,得到准确的测试结果。校准复用器是一种便利的复用器件,并可周期性地进行系统校准5。 图15给出了MAX4539的框图。

图15. 低压校准复用器MAX4539的内部框图。
MAX4539和MAX4540分别兼容于MAX4578和MAX4579,MAX4539和MAX4540采用2.7V至12V单电源供电或±2.7V至±6V双电源供电。MAX4578和MAX4579作为高电压应用,可以工作在4.5V到36V单电源或±4.5V到±20V双电源。
USB开关提升系统通信能力
通用串行总线(USB)是一种高速接口,通过标准接口支持不同设备之间的通信;也可以通过一个USB主设备给一个USB从设备供电。多个USB设备可以连接到计算机,模拟开关用于建立USB信号与不同设备之间的路径。6大部分新型USB应用还需要通过USB接口给便携设备充电7。USB2.0规范用于处理高速信号,需要宽带、低电容模拟开关,如MAX14531E。Maxim提供符合USB2.0标准的开关(表7),满足USB2.0高速(480Mbps)应用要求。
| 表7. USB 2.0开关* | ||||||||||
| Part | Function | RDS(ON) (Ω, max) | IL(OFF) (nA, max) | RON Match (Ω, max) | RON Flatness (Ω, max) | tON/tOFF (ns, max) | CON/COFF (pF, typ) | Charge Injection (pC, typ) | Bandwidth (MHz) | Supply Voltage Range (V) |
| MAX14578E | 2 SPST; NO | — | — | — | — | — | — | — | — | 2.8 to 5.5 |
| MAX14508E/MAX14509AE/MAX14510E | 1 DPDT; bidirectional | 5 | 10000 | — | 0.02** | 60000/5000 | 8/8 | — | 950 | 2.7 to 5 |
| MAX14550E | 1 DP3T | 6.5 | 250 | — | 0.1 | 100000/5000 | 5.5/2 | — | 1000 | 2.8 to 5.5 |
| MAX14531E/MAX14532E | 1 DP3T | 2 | 2000 | — | — | 250000/6000 | 8/5 | — | 800 | 2.7 to 5.5 |
| MAX4999 | 8 8:1 mux | 12 | 1000 | 0.8 | — | 10000/10000** | 6/5 | — | 1200 | 3 to 3.6 |
| MAX4983E/MAX4984E | 1 DPDT; bidirectional | 10 | 250 | 1 | 0.1** | 100000/5000 | 6.5/5.5 | — | 950 | 2.8 to 5.5 |
| MAX4906/MAX4906F | 2 SPDT; NO-NC | 7 | 1000 | 1.2 | 1** | 60/30 | 6/2 | 5 | 1000 | 3 to 3.6 |
| MAX4907/MAX4907F | 2 SPST; NO | 7 | 1000 | 1.2 | 1** | 60/30 | 4/2 | 5 | 1000 | 3 to 3.6 |
| MAX4906EF | 2 SPDT; NO-NC | 5 | 1000 | 0.8 | 0.5** | 1.4/35** | 10/9 | 20 | 500 | 3 to 3.6 |
| MAX4899AE/MAX4899E | 4:1 mux/3:1 mux | 5 | 1000 | 0.8 | 1.1 | 2800/3 | 15/10.5 | 25 | 425 | 2.7 to 3.6 |
*最新信息,请参考数据手册。
**典型值。
HDMI开关增强数字音/视频信号处理
高清多媒体接口(HDMI)是一种用于切换未经压缩的数字音频/视频信号的高速接口。该接口用于支持高清电视(HDTV)、DVD播放器及其它HDMI兼容设备、PC机、笔记本电脑和平板电脑之间的互联。
HDMI接口包括四对低压差分信号(LVDS),用于红、绿、蓝(RGB)视频通道和一个专用的时钟信号。理想的HDMI开关包含四路差分对的1:2或2:1开关,采用n沟道结构确保低电容、低导通电阻(如MAX4886)特性8。
| 表8. HDMI开关* | ||||||||
| Part | Function | RDS(ON) (Ω, typ) | RON Match (Ω, max) | RON Flatness (Ω, max) | Off-Isolation (dB) | Crosstalk (dB) | Bandwidth (MHz) | Supply Voltage Range (V) |
| MAX14886 | 4 2:1 switch; NO-NC | — | — | — | — | — | 5000 | 3 to 3.6 |
| MAX4814E | 1 2:4 switch; bidirectional | 12** | — | 2.5** | 65 (at 1MHz) | 75 (at 1MHz) | 190 | 4.5 to 5.5 |
| MAX4929E | 2 2:1 mux; NO-NC | 10 | 8 | 13 | 70 (at 1MHz) | 75 (at 1MHz) | 40 | 5 or ±5 |
| MAX4886 | 4 2:1 switch; NO-NC | 11 | 0.4 | 0.6 | 58 (at 50MHz) | -49 (at 50MHz) | 2600 | 3 to 3.6 |
*最新信息,请参考数据手册。
**典型值。
DisplayPort和PCIe开关改善点对点连接性能
外设互联标准PCIe是一个串行接口(PCI Express®接口)用于支持高性能加速图形端口(AGP)应用,PCI Express开关实现单个或多个总线的互联。其基本应用是切换DisplayPort图形、PC和笔记本电脑扩展卡接口以及服务器。
有些PCIe开关设计用于在两个终端之间切换数据,例如,MAX4928A和MAX4928B支持信号在图形存储控制集线器(GMCH)和DisplayPort或PCIe连接器之间切换信号9。
| 表9. PCIe开关* | ||||||||||
| Part | Function | RDS(ON) (Ω, max) | IL(OFF) (nA, max) | RON Match (Ω, max) | tON/tOFF (ns, max) | Off-Isolation (dB,typ) | Crosstalk (dB, typ) | Bandwidth (MHz, typ) | Supply Voltage Range (V) | Package |
| MAX4928A/MAX4928B | 6 1:2 switch; bidirectional | 8** | 1000 | 2 | 120/50 | -22 (at 3GHz) | -40 (at 3GHz) | 10000 | 3 to 3.6 | TQFN/56 |
| MAX4888B/MAX4888C | 2 1:2 mux; bidirectional | 8.4 | 1000 | 1.5 | 65/7** | -12 (at 8GHz) | -35 (at 3GHz) | 8000 | 3 to 3.6 | TQFN/28 |
| MAX4889B | 1:2 switch; bidirectional | 8.4 | 1000 | 0.5 | 80/1** | -12 (at 5GHz) | -25 (at 5GHz) | 5000 | 3 to 3.6 | TQFN/42 |
| MAX4888A/MAX4889A | 4 SPDT/8 SPDT; bidirectional | 7** | 1000 | 2 | 250/50 | -56 (at 10MHz) | -53 (at 50MHz) | 5000 | 1.6 to 3.6 | TQFN/28 |
| MAX4888/MAX4889 | 4 SPDT/8 SPDT; NO-NC | 7** | 1000 | 2 | 250/50 | -56 (at 10MHz) | -53 (at 50MHz) | 1250 | 1.6 to 3.6 | TQFN/28 |
*最新信息,请参考数据手册。
**典型值。
用于工业和医疗设备的高压开关
高压(HV)模拟开关非常适合工业和医疗应用。例如,在超声应用中,高压脉冲(±100V)被施加到传感器上,产生超声波。高压模拟开关在传感器和主系统之间切换这些脉冲信号。这些开关通常在整个输入范围内具有低电容、平坦的导通电阻等特性。高压开关通常具有较低的电荷注入,以避免错误的信号传输或产生图像伪影。许多高压开关部件可以使用SMBus或SPI接口编程10、11。 表10列出了Maxim的高压开关。
| 表10. 高压开关* | |||||||||
| Part | Function | Single VSUPPLY (min, V) | Single VSUPPLY (max, V) | Dual VSUPPLY (min, ±V) | Dual VSUPPLY (max, ±V) | Bandwidth (MHz) | IL(OFF) (nA, max) | tON/tOFF (ns, max) | CON/COFF (pF, typ) |
| MAX14802/MAX14803/MAX14803A | 16 SPST; NO | — | 200 | 40 | 160 | 50 | 2000 | 5000/5000 | 36/11 |
| MAX4800A/MAX4800B | 8 SPST; NO | 40 | 200 | 40 | 100 | 20 | 2000 | 5000/5000 | 36/11 |
| MAX4802A | 8 SPST; NO | 40 | 200 | 40 | 100 | 50 | 2000 | 5000/5000 | 36/11 |
*最新信息,请参考数据手册
结论
本文介绍了当前多种类型的模拟开关。近期模拟开关技术的发展,使得集成模拟开关能够提供更好的开关特性,可以工作在更低或更高的电源电压,并能满足某些特定应用的需求。
审核编辑:郭婷
龙腾半导体SGT MOSFET LSGT085R018在智慧农业无