时间:2023-03-17 16:00
人气:
作者:admin
晶体三极管
一、晶体管的结构和符号

为什么有孔?
便于安装散热器
晶体管有三个极、三个区、两个PN结。

二、晶体管的放大原理

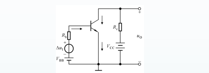
加入VBB,使得形成正向电流; 加入Vcc,使得集电极反偏,Vcc画成两节,目的是表明Vcc比VBB来的高,即C点的电位比B点电位高

扩散运动形成发射极电流IE,复合运动形成基极电流IB,漂移运动形成集电极电流IC。
电流分配: IE=IB+IC
IE-扩散运动形成的电流
IB-复合运动形成的电流
IC-漂移运动形成的电流


为什么基极开路集电极回路会有穿透电流?
发射结正偏,集电结反偏,即使基极开路,c、e件有电流通过
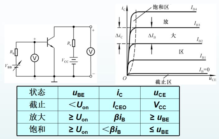
三、晶体管的共射输入特性和输出特性
输入特性

CE=0 即相当于两个PN结并联,所以像PN结的伏安特性;
UCE增大时,集电结要收集一部分电子,所以UBE要增大,使发射级发射更多的电子以达到相同的电流;
当UCE增大到一定程度时,可以有能力将大部分电子都拉到集电极时,除去基级复合的电子,到达集电极的电子数目已经达到极限,所以右移就不明显。
对于小功率晶体管,UCE大于1V的一条输入特性曲线可以取代UCE大于1V的所有输入特性曲线。
输出特性

因为电子量有限,uCE再次增大,电流近似恒流
β是常数吗? 什么是理想晶体管? 什么情况下β=β' ?
β不是常数,当IC特别小或特别大时,β会减小;
没有穿透电流,β处处相等;
理想晶体管时β=β'。
晶体管的三个工作区域

晶体管工作在放大状态时,输出回路的电流 iC几乎仅仅决定于输入回路的电流 iB,即可将输出回路等效为电流 iB 控制的电流源iC 。
四、温度对晶体管特性的影响

五、主要参数
直流参数:

交流参数:

fT为特征频率,使得晶体管失去放大作用的频率
极限参数:

例:由图示特性求出PCM、ICM、U (BR)CEO 、β。

上一篇:运放的直流电源抑制比
下一篇:信号的基本概念和分类
龙腾半导体SGT MOSFET LSGT085R018在智慧农业无