时间:2023-01-11 15:09
人气:
作者:admin
摘要:分析完共射极放大器后,可以说掌握了一些分析放大器的方法。如果对分析过程融会贯通,就可以反过来进行一些设计工作了,本期通过一个实际的例子,通过分析以及需求设计一个共射极放大器。
关键词:共射极放大器;
01实例要求
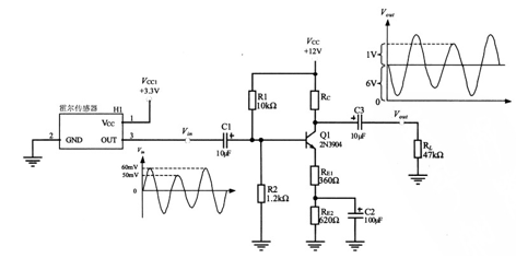
假设有个如图1-1所示的磁场测量系统,使用的是霍尔传感器,其输入信号(Vin)幅度在50~60mV之间,频率约为500Hz。根据需求设计一个共射极放大器把霍尔传感器的信号幅度至少放大到1V(Vout)以上(假设放大器的负载Rl=47KΩ、Vcc=+12V)。

图1-1 磁场测量系统框图
02分析过程
由于输入信号幅值Vin最小为50mV,如果需要将它进行放大至1V,则所需要的电压增益Av(放大倍数)为:

已知放大器负载RL=47kΩ,假设RC=10 kΩ,那么可以根据增益Av求得输出电阻与输入电阻的比值为:

根据式(1.2)由此可以算的输入电阻:

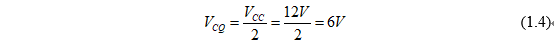
为了避免出现饱和失真和截止失真,一般将集电极静态工作点设置为电源的中点:

于是发射极静态电流有:

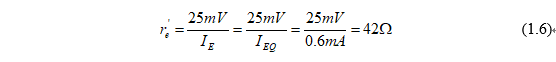
那么三极管内阻可以根据经验公式求得为:

将式(1.6)得到的三极管内阻带入式(1.3)可以求得发射极电阻RE1为:

根据E24系列电阻的取值,可取与379Ω最接近的实际电阻值(后面的计算也是按照这个方法取电阻值),那么发射极电阻RE1为:

根据经验,发射极电阻一般取集电极电阻的1/10,所以发射极电阻为:

根据式(1.8)求得R E2为:

已知集电极静态电流ICQ=0.6mA,在共射极放大器的直流等效电路中,有:

那么基极静态工作点为:

假设静态工作点处分压电阻R1=10kΩ,那么:

所以R2=1.2kΩ。
通过分析最终确定共射极放大器中5个电阻的参数:R1=10kΩ、R2=1.2kΩ、RC=10kΩ、RE1=360Ω、RE1=620Ω,对于电容,输入与输出一般选择10uF,旁路电容一般选择10uF,设计的电路如图1-2所示:

图1-2 磁场测量系统放大器电路(共发射极放大器)
03分析过程
将图1-2中电路使用Multisim14软件进行仿真,搭建仿真电路如图1-3所示:

图1-3 仿真电路搭建
图1-3中使用交流源V1(幅值为50mV、频率为500Hz)近似霍尔传感器输出信号,并使用示波器XSC1通道一测量输入信号、通道二测量输出信号,测量结果如图1-4所示:

图1-4 输入信号与输出信号测量结果图
图1-4中输入信号幅值为有效值为50mV,峰峰值为138mV,输出信号幅值有效值为1V,峰峰值为2.8V,那么输出信号与输入信号的比值为:

求得放大倍数为20.3,与实际设置值20倍相差不大,验证了设计电路的正确性。
04总结步骤
总结以上设计过程:
第一步:根据要求计算电路放大倍数;
第二步:确定负载、集电极电阻;
第三步:根据电路放大倍数和输出电阻求得总的输入电阻;
第四步:设置集电极静态工作点;
第五步:求得集电极静态电流;
第六步:求得三极管内阻;
第七步:求得发射极两个电阻值;
第八步:求得发射极静态工作点、基极静态工作点;
第九步:求得基极分压电阻值。
上一篇:影响放大器频率特性的三个因素
下一篇:设计共集极放大器的实例分析
龙腾半导体SGT MOSFET LSGT085R018在智慧农业无