时间:2023-01-11 15:13
人气:
作者:admin
共射极放大器通过理论分析可知,其只有电压放大能力,没有电流放大能力,也就是不可以直接驱动负载,所以需要共集极放大器作为后级用于驱动,本期通过共集极放大器结合共射极放大器搭建一个既具有电流放大也具有电压放大的放大器,并分析了阻抗匹配的物理意义。
关键词:共集极放大器;
01实例要求
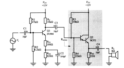
假设有个放大器如图1-1所示,一个共射极放大器和共集极放大器组成的放大器,其中阴影部分就是共集极放大器,各个元器件型号以及参数在图1-1中标注了,假设三极管Q1的hFE=150,达灵顿管hFE=10000,计算这个电路的总的电压增益(放大倍数),并比较如果没有共集极放大器,那么共射极放大器直接驱动负载RL(扬声器)时的电压增益。

图1-1 两级放大器
02分析过程
要想计算电路的总电压增益,需要分别求出共射极放大器和共集放大器各自的电压增益,然后将两者相乘就可以得到总电路的总电压增益(放大倍数)。
对于共集放大器电路的基极静态工作点为:

由于共集放大器电路中Q2是达林顿管,其相当于两个三极管,所以B-E极之间偏置电压为单个三极管的2倍:

所以得到达林顿管Q2的射极静态点电压为:

于是可得集电极静态电流与射极静态电流为:

同时根据经验可求得达林顿三极管的内阻:

可以求得达林顿管基极的输入阻抗为:

于是可得射极跟随器的总输入阻抗为:

射极跟随器的总输入阻抗Rin(tot)是共射放大器的负载,所以可求得共射放大器的电压增益为:

其中共射放大器的基极静态工作点VBQ:

同样可求得共射放大器的射极静态工作点电压VEQ:

于是可得共射放大器的集电极静态电流与射极静态电流为:

所以,可计算共射放大器的三极管内阻以及集电极静态工作点VCQ:

根据求得的三极管Q1内阻可以求得共射极放大器的电压增益为:

同样,求得射极跟随器的电压增益为:

所以图1-1所示放大器的总电压增益就是共射放大器与射极跟随器的电压增益的乘积,为:

如果没有达林顿管构成的射极跟随器,负载RL直接接到共射极放大器的输出端,其电压增益为:

可见,如果没有达林顿管射极跟随器的存在,共射极放大器直接驱动8Ω的负载时,电压增益远小于1,没有任何放大的效果,这都“归罪于”共射极放大器的输出阻抗与负载阻抗不匹配,而如果加上了射极跟随器作为缓冲器,情况将有本质的改善,图1-1所示整个放大电路既可以实现电压放大,又能驱动低阻抗的负载工作。
03仿真验证
将图1-2中电路使用Multisim14软件进行仿真,搭建仿真电路如图1-2所示:

图1-2 仿真电路搭建
图1-2中使用输入信号使用交流源V1(幅值为50mV、频率为500Hz),使用两个三极管2N3904搭建达林顿模型,并使用示波器XSC1通道一测量输入信号、通道二测量输出信号,测量结果如图1-3所示:

图1-3 输入信号与输出信号测量结果图
图1-3中输入信号幅值为有效值为50mV,峰峰值为138mV,输出信号幅值有效值为1.7V,峰峰值为2.4V,那么输出信号与输入信号的比值为:

求得放大倍数为17.3,与实际设置值16.5倍相差不大,验证了设计电路的正确性。
04总结一下
单独使用共射极放大器可以放大信号,但是没有驱动能力,主要是阻抗不匹配导致的,所以需要使用射击跟随器作为桥梁,使得共射极放大器放大的信号具有驱动能力。
上一篇:设计共射极放大器的实例分析
下一篇:设计共基极放大器的实例分析
龙腾半导体SGT MOSFET LSGT085R018在智慧农业无