时间:2021-05-31 13:51
人气:
作者:admin
本文聚焦于工作在高电压范围的扬声器输出电流监控电路,该电路使用的主要器件是D类放大器、差动放大器AD8479和ADA4805-1。电路中的电流信息可提供有关电路状况的有用信息。电流监控电路广泛用于各种仪器仪表领域,以便实现保护、补偿和控制。电流监控的常见应用有电池监控系统、电机控制、过流保护和4 mA至20 mA系统,等等。此外,电流监控在音频等商业应用中也很有用。此类应用之一是监控音频放大器输出到扬声器的电流,以便提供音质补偿和保护。
音频放大器必须以高效率、低失真的方式再现输入音频信号。在20 Hz到20 kHz音频频率范围内,它应具有良好的频率响应性能,以便忠实地再现声音和音乐。音频放大器可能需要提供从数毫瓦(用于个人音乐播放器和耳机)到数百瓦(家用和商用音响系统,如剧院、会堂、室外音响系统等)不等的输出功率。本文聚焦于工作在高电压范围的扬声器输出电流监控电路,该电路使用的主要器件是D类放大器、差动放大器AD8479和ADA4805-1。
音频放大器分为多个类别:A类、AB类、B类和D类。与其他类别放大器相比,D类放大器效率最高,可提供高输出功率驱动。某些商用D类放大器提供每通道1500 W到每通道6000 W的功率能力。
D类放大器可以简单地描述为开关放大器或脉宽调制(PWM)放大器。下图显示了一个基本D类放大器的信号流程。
典型D类放大器的工作过程是从比较器开始。一个频率通常介于20 Hz到20 kHz的标准模拟音频信号与一个高频三角波形比较以产生PWM信号。随后,PWM信号驱动输出晶体管,产生一系列电压可能很高的脉冲。最后,一个低通滤波器恢复正弦音频信号。不切换时,通过输出晶体管的电流为0;低导通电阻降低I2R损耗,从而显著减少输出级的总功率损耗。这样便可实现高效率。

基本D类放大器的信号流程
即使D类放大器具有高效率和高功率运行优势,某些技术仍能改善音频质量,例如使用反馈和预失真机制。下图显示了一个使用反馈机制的基本D类放大器。在反馈机制中,输出信号(通常来自滤波器)被送至输入端的误差校正模块。误差校正模块可以是全模拟式,或者采用数字处理故意使音频信号预失真,从而校正输出瑕疵并改善音频输出质量。除了扬声器的固有非线性之外,扬声器阻抗因为温度和老化而变化的趋向也可能引起这种瑕疵。

使用反馈机制的基本D类放大器
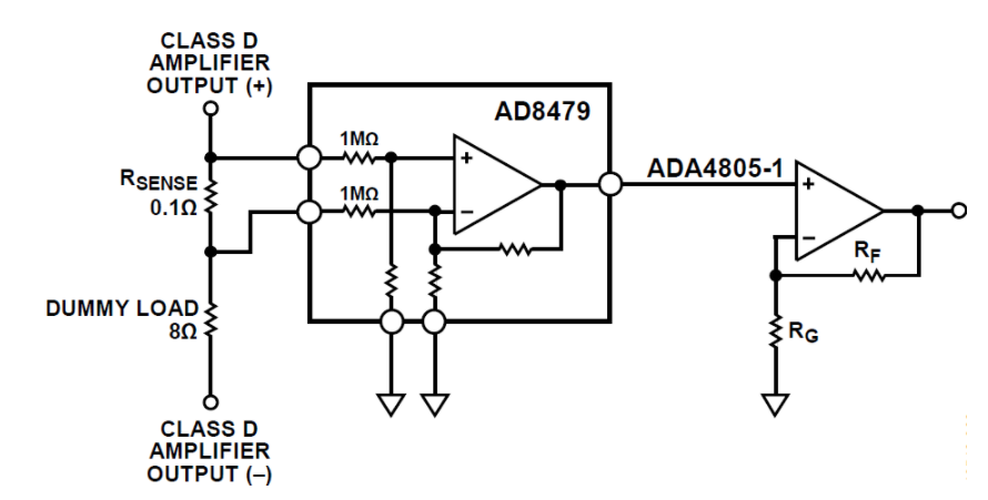
电流监控电路可以获取要反馈的数据进行误差校正。选择适合这种用途的器件的挑战在于:器件必须足够鲁棒以便接收音频放大器输出端的高压脉冲。AD8479可以满足这一要求,因为即使存在高输入共模电压,它也能工作。电路中还加入了ADA4805-1,作为低失调、低噪声的模数转换器(ADC)驱动器。
AD8479是一款精密差动放大器,即使存在高达±600 V的共模电压,它也能精确测量差分信号。图3所示的输入共模电压与输出电压的关系曲线表明了这种能力。它具有以下特性:低失调电压、低失调电压漂移、低增益误差漂移、出色的共模抑制比(CMRR)和宽频率范围。在本应用笔记中,AD8479配置为高端电流检测放大器,用于监控D类音频放大器的电流。AD8479同时具有130 kHz的带宽,可满足音频应用的带宽需求。

采用AD8479和ADA4805-1的电流监控电路
ADA4805-1是一款低输入失调电压和低输入失调电压漂移轨到轨放大器。ADA4805-1的增益设置为10,产生的输出电压通常在下一级的输入电压范围内。下一级通常使用逐次逼近型(SAR) ADC来处理音频信号。所用的D类放大器为一款25 W到500 W可扩展输出功率D类功率放大器。该放大器配置±50 V电源电压,提供1 kHz正弦输出。AD8479输出馈送到ADA4805-1输入,后者用作ADC驱动器,增益为10。电阻容差应较低,以免电路产生较大失调漂移。
对于本电路所用的D类放大器,流经检测电阻(RSENSE)的电流为4.74 A,产生475.71 mV峰值的满量程电压。共模电压为37.9 V峰值。
CMRR表示器件抑制各输入端共模干扰信号的能力。数学上,它指共模增益变化与差分增益之比。如果存在高共模电压,尤其是当测量小差分信号时,此参数常常是最大的误差贡献因素之一。CMRR产生一个对应的输出失调电压误差,该误差是系统总误差的一部分。AD8479的额定CMRR为96 dB。另一个误差源是失调电压。满量程信号越小,失调电压贡献的误差越大。
AD8479的输入失调电压为1 mV,转换为ppm时,贡献满量程(FS)的2102 ppm。ADA4805-1引入125 μV失调电压,其乘以增益10,故而失调电压引起的总误差为满量程(FS)的3352 ppm。此外,数据手册显示AD8479具有0.02% FS的增益误差,因而AD8479给电路带来的误差为200 ppm FS。
表1和表2分别汇总了AD8479和ADA4805-1的主要误差源。AD8479失调电压贡献的误差最大,在37.9 V输入共模电压下,其为2102 ppm FS。共模电压贡献的误差为1262 ppm FS。这里,对于37.9 V共模电压和0.1 检测电阻(参见图1),失调电压贡献的误差最大,输入共模电压次之,不过,如果共模电压更大,它将成为最大的误差来源。例如,在250 V共
模电压下,共模误差贡献为8329 ppm FS。对于高电压D类放大器,这种共模电压是很常见的。此外,检测电阻越大,其引起的压降越大,导致满量程电压提高,这最终会降低所有误差贡献。

下图显示了电流检测电路的响应测试结果。其中还包括AD8479的输入电压、AD8479的输出电压和ADA4805-1输出端的放大信号。大约4.74 A的电流流入检测电阻和负载。反相输入端信号约为±38 V,大约±500 mV出现在AD8479输出端,这显示了AD8479在高共模电压存在的情况下测量差分信号的能力。

实测电流和电压
实时监控不仅需要高精度器件,还要求快速响应,以便应对目标电流的突然变化。输出信号的变化速度必须跟得上输入信号的变化速度,这就需要在很短的时间内正确解读扬声器的电气状态,甚至短路事件。
本文小结
D类音频放大器的电流监控电路需要鲁棒且合适的器件来提供精确测量。AD8479的高输入共模电压范围为测量D类音频放大器的典型信号输出提供了必要的条件。此外,AD8479和ADA4805-1具有充足的带宽来满足音频频段的工作要求。这些因素加上出色的失调、增益和CMRR特性,使得由它们构成的电流监控电路可在此类应用中提供高精度测量。
编辑:hfy
龙腾半导体SGT MOSFET LSGT085R018在智慧农业无