全球最实用的IT互联网站!
人工智能P2P分享搜索全网发布信息网站地图标签大全
过采样4:提高ADC分辨率实例(终篇)
阅读全文2021-04-14
移动宽带无线通信系统如何提高频谱效率
阅读全文2021-04-13
直流电阻分流和霍尔效应的电流监控应用案例分
阅读全文2021-04-12
实现“始终感应”的Aspinity解决方案
阅读全文2021-04-11
10 MHz至600 MHz宽带反馈放大器的设计案例
阅读全文2021-04-09
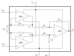
仪表放大器失调电压及噪声技术分析
层叠设计序列之数字地与模拟地
关于DDR信号的如何去判断信号质量?
如何将AD9832/AD9835器件的输出编程为5 MHz
阅读全文2021-04-08
线性放大器在输入讯号极性方面的不同增益
数字电压表设计教程之LTC2308数据手册解读
慧能泰负载开关HUSB305A产品介绍
德州仪器新型单级转换器助力微型逆变器
IGBT短路失效分析
CPU | 内存 | 硬盘 | 显卡 | 显示器 | 主板 | 电源 | 键鼠 | 网站地图
Copyright © 2025-2035 诺佳网 版权所有 备案号:赣ICP备2025066733号 本站资料均来源互联网收集整理,作品版权归作者所有,如果侵犯了您的版权,请跟我们联系。