全球最实用的IT互联网站!
人工智能P2P分享搜索全网发布信息网站地图标签大全
使用执行特性测试的新调制失真可加快功率放大
阅读全文2021-03-15
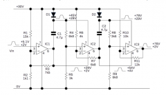
模拟电荷泵使用多个运算放大器产生高频高压脉
实际应用中运放里多余的引脚怎么处理?
阅读全文2021-03-14
一文解析CCM反激式转换器被漏电感影响的小信号
阅读全文2021-03-10
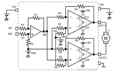
有刷直流电机驱动后的BTL放大器应用案例
阅读全文2021-03-09
如何将运算放大器用作比较器的设计方案
阅读全文2021-03-05
一文解析模拟信号的包地与串扰技术
阅读全文2021-03-04
如何选择适合应用的运算放大器(运算放大器优
阅读全文2021-03-03
ADI ADF4xxx系列PLL经典数字PLL架构实现方案
阅读全文2021-03-02
中国模拟IC产业面临的主要问题 IDM模式有何必然
阅读全文2021-02-26
数字电压表设计教程之LTC2308数据手册解读
慧能泰负载开关HUSB305A产品介绍
德州仪器新型单级转换器助力微型逆变器
IGBT短路失效分析
CPU | 内存 | 硬盘 | 显卡 | 显示器 | 主板 | 电源 | 键鼠 | 网站地图
Copyright © 2025-2035 诺佳网 版权所有 备案号:赣ICP备2025066733号 本站资料均来源互联网收集整理,作品版权归作者所有,如果侵犯了您的版权,请跟我们联系。