全球最实用的IT互联网信息网站!
AI人工智能P2P分享&下载搜索网页发布信息网站地图
ADI推新款集成光学模块ADPD188BI 避免探测器误报
阅读全文2018-06-27
ROHM DC/DC转换器的应用优势
阅读全文2018-06-26
基于二极管的集成式RF检波器接口
模拟信号处理/调节设计要求、约束和利弊取舍示
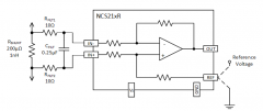
基于NCS21xR和NCS199AxR电流检测放大器的滤波电路设
阅读全文2018-06-25
从输出到输入,如何才能实现反向电流保护
可穿戴设备开发最佳设计所需设计技术和考量
如何输入3D网格物体(原始三角形和顶点),得到
阅读全文2018-06-24
Ameya360数字温度计解决方案概述
阅读全文2018-06-23
为设计选择合适的转换器,应使用什么带宽条款
数字电压表设计教程之LTC2308数据手册解读
慧能泰负载开关HUSB305A产品介绍
德州仪器新型单级转换器助力微型逆变器
IGBT短路失效分析
CPU | 内存 | 硬盘 | 显卡 | 显示器 | 主板 | 电源 | 键鼠 | 网站地图
Copyright © 2025-2035 诺佳网 版权所有 备案号:赣ICP备2025066733号 本站资料均来源互联网收集整理,作品版权归作者所有,如果侵犯了您的版权,请跟我们联系。