全球最实用的IT互联网信息网站!
AI人工智能P2P分享&下载搜索网页发布信息网站地图
交通信号灯控制实验
阅读全文2007-12-26
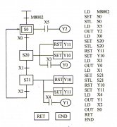
状态转移图的研究及单流程编程训练实验
电动机控制实验
基本逻辑指令的编程实验
FX2系列PLC软元件及研究实验
FX2系列PLC机器硬件认识及使用实验
三相异步电动机Y—Δ自动降压启动控制实验
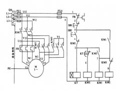
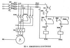
三相异步电动机接触器联锁的正反转控制实验
三相异步电动机的自锁控制实验
三相异步电动机的点动控制实验
替代水浸泡水法,气密性检测仪成产品防
高温热重分析仪是什么
示波器怎么看峰峰值呢?
输出过冲原因及改善措施
CPU | 内存 | 硬盘 | 显卡 | 显示器 | 主板 | 电源 | 键鼠 | 网站地图
Copyright © 2025-2035 诺佳网 版权所有 备案号:赣ICP备2025066733号 本站资料均来源互联网收集整理,作品版权归作者所有,如果侵犯了您的版权,请跟我们联系。