LM2595 系列稳压器是单片集成电路,可提供所有 降压(降压)开关稳压器的有源功能,能够驱动具有 出色的线路和负载调节。这些器件提供 3.3 V 的固定输出电压, 5 V、12 V 和可调输出版本。
这些稳压器需要最少数量的外部元件,使用简单,并且 包括内部频率补偿和固定频率振荡器。
*附件:lm2595.pdf
LM2595 系列工作在 150 kHz 的开关频率下,因此允许 滤波器组件的尺寸比低频开关所需的滤波器组件更小 监管 机构。采用标准 5 引脚 TO-220 封装,具有多种不同的引线弯曲选项, 以及 5 引脚 TO-263 表面贴装封装。通常,对于输出电压小
于 12 V 和环境温度低于 50°C,不需要散热器。
标准系列电感器可从多个不同的制造商处获得 针对 LM2595 系列进行了优化。此功能大大简化了开关模式的设计 电源。
其他特性包括在指定输入电压下输出电压容差±4% 和输出负载条件,振荡器频率为±15%。包括外部关断, 典型值为85 μA待机电流。自我保护功能包括两级频率 降低输出开关的电流限制和过热关断以完成 故障条件下的保护。
特性
- 3.3V、5V、12V和可调输出版本
- 可调版本输出电压范围,1.2 V
至 37 V ±4% 最大在线路和负载
条件下 - 采用 TO-220 和 TO-263 表面贴装
封装 - 确保 1A 输出负载电流
- 输入电压范围高达 40 V
- 仅需要 4 个外部组件
- 出色的线路和负载调节规格
- 150kHz 固定频率内部振荡器
- TTL 关断能力
- 低功耗待机模式,I
Q ,典型值为 85 μA - 高效率
- 使用现成的标准电感器
- 热关断和限流保护
参数

方框图

1. 产品概述
LM2595是德州仪器(TI)推出的SIMPLE SWITCHER®系列单片降压型开关稳压器,具有以下核心特性:
- 输入电压范围:4.5V至40V
- 输出能力:1A负载电流,提供固定输出(3.3V/5V/12V)和可调版本(1.2V~37V)
- 效率:高达90%(12V版本)
- 封装:TO-220(NDH)和TO-263(KTT)表面贴装
2. 关键功能
- 集成设计:内置150kHz固定频率振荡器、频率补偿和热关断保护。
- 低待机电流:85μA(典型值),支持TTL电平关断控制。
- 简化外围电路:仅需4个外部元件(电感、二极管、输入/输出电容)。
3. 应用场景
- 高效降压(Buck)转换器
- 线性稳压器的预调节器
- 正负电压转换器
4. 设计要点
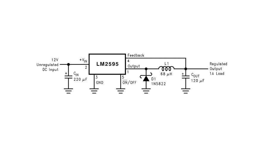
- 电感选择:需根据负载电流和输入电压通过图表选择(如68μH~330μH),推荐封闭磁芯结构以减少EMI。
- 电容要求:
- 输入电容(CIN) :低ESR电解或钽电容,RMS电流需≥50%负载电流。
- 输出电容(COUT) :低ESR电解/钽电容(47μF~330μF),ESR影响纹波电压。
- 二极管:推荐肖特基二极管(如1N5822),需满足1.3倍负载电流和1.25倍输入电压。
5. 典型电路
- 固定输出:外部配置电感、二极管和电容,无需反馈电阻。
6. 热管理
- TO-220:环境温度≤50℃时可无散热片,高温需PCB铜箔或外接散热。
- TO-263:依赖PCB铜面积散热(建议≥2平方英寸2oz铜)。
7. 注意事项
- 布局:短路径布线,避免开环电感磁通干扰反馈回路。
- 启动特性:反相拓扑需注意高输入涌流,建议延迟启动设计。