TPS63810和TPS63811是高效率、高输出电流降压-升压转换器,可通过I完全编程^2^C. 根据输入电压,当输入电压大致等于输出电压时,它们会自动在升压、降压或新型 4 周期降压-升压模式下运行。
模式之间的转换发生在定义的阈值上,避免模式内不必要的切换,从而减少输出电压纹波。
*附件:tps63811.pdf
两个寄存器,可通过 I 访问^2^C,设置输出电压,VSEL引脚选择哪个输出电压寄存器处于活动状态。因此,这些器件可以支持动态电压调节。如果输出电压寄存器在工作期间发生变化或VSEL引脚被切换,则器件会以定义的可编程斜坡速率传输。
特性
- 输入电压范围:2.2 V 至 5.5 V
- 输出电压范围:1.8 V 至 5.2 V
- 我^2^在运行和关闭期间可配置 C
- VSEL 引脚在两个输出电压预设之间切换
- 输出电流
- V 电压高达 2.5 A
我 ≥ 2.5 V,V O = 3.3 伏 - V 电压高达 2.5 A
我 ≥ 2.8 V、V O = 3.5 伏
- 在整个负载范围内效率高
- 13μA低工作静态电流
- 自动省电模式和强制PWM模式(I^2^C 配置)
- 峰值电流模式降压-升压架构
- 降压、降压-升压和升压作之间的定义转换
- 正向和反向电流作
- 启动到预偏置输出
- 安全和稳健的作特性
- 集成软启动
- 过热和过压保护
- 关机期间真正的负载断开
- 正向和反向电流限制
- 两种设备选项:
- TPS63810:预编程输出电压(3.3 V、3.45 V)
- TPS63811:在启动前对输出电压进行编程
- < 20 mm 的溶液尺寸^2^只有四个外部组件
参数

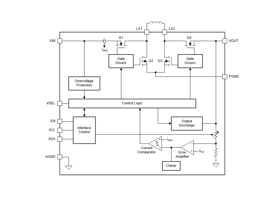
方框图

1. 产品概述
- 型号:TPS63810(预编程输出电压:3.3V/3.45V)、TPS63811(启动前可编程输出电压)。
- 特性:
- 输入电压范围:2.2V至5.5V,输出电压范围:1.8V至5.2V(通过I2C或VSEL引脚配置)。
- 高效Buck-Boost架构,支持自动切换降压、升压和降压-升压模式。
- 峰值电流模式控制,集成软启动、过温/过压保护、负载断开功能。
- 低静态电流(13μA),支持强制PWM和节能模式(PSM)。
2. 关键功能
- 动态电压调节(DVS) :通过I2C或VSEL引脚实时调整输出电压,支持可编程压摆率(1V/ms至10V/ms)。
- 保护机制:
- 输入过压保护(>5.7V时停止开关)。
- 过流限制、热关断(150°C触发,130°C恢复)。
- 输出放电功能(禁用时主动放电)。
- I2C接口:支持标准/快速/快速+模式(最高1Mbps),7位从机地址0x75。
3. 应用场景
- 智能手机/平板预稳压、TWS耳机、医疗助听器。
- 物联网(IoT)、光学模块、宽带网络SoC供电。
4. 设计要点
- 输入/输出电容:最小10μF输入电容(推荐陶瓷电容),16μF输出电容(多颗并联以降低ESR)。
- 电感选择:0.47μH低DCR电感,饱和电流需≥6.1A(以2.5V输入、5.2V输出、2A负载为例)。
- PCB布局:优先缩短功率回路,小电容靠近器件放置,多层板设计(顶层走功率线,底层铺地)。
5. 性能数据
- 效率:典型值>90%(3.6V输入、3.3V输出、1A负载)。
- 瞬态响应:负载阶跃(10mA至2A)下输出电压波动<200mV(PSM模式)。
6. 封装与订购
- 封装:15引脚DSBGA(2.3mm×1.4mm)。
- 工作温度:-40°C至125°C。