TPS65708 设备是针对嵌入式摄像头模块或 其他便携式低功耗消费终端设备。该器件包含两个高效降压 转换器、两个低压差线性稳压器和一个用于驱动 LED 的 7.5mA 电流吸收器。这 2.25MHz 降压转换器在轻负载时进入低功耗模式,以实现最大效率 尽可能宽的负载电流范围。对于低噪声应用,这些器件可以强制 使用 MODE 引脚进入固定频率 PWM 模式。该器件允许使用小型电感器和 电容器实现小尺寸解决方案。TPS65708 器件提供 up 的输出电流 两个 DC-DC 转换器的电流为 400 mA,每个 LDO 的电流高达 200 mA。enable 信号发送到 DC-DC 转换器和 LDO 由欠压锁定电路在内部产生。
*附件:tps65708.pdf
TPS65708 采用小型 16 引脚晶圆芯片级封装 (WCSP),焊球为 0.5 mm 投。
特性
- 两个 400mA 降压转换器
- 效率高达 95%
- V
在适用于3.6 V 至 6 V 的 DC-DC 转换器范围 - 2.25MHz 固定频率工作频率
- 轻负载电流下的省电模式
- PWM 模式下的输出电压精度 ±1.5%
- 100% 占空比,实现最低压差
- 180° 异相作
- 2 个通用型 200mA LDO
- LDO 可选择由降压
转换器供电 - 7.5mA PWM 可调光电流阱
- 采用间距为
0.5mm 的 16 引脚 DSBGA (WCSP) 封装 - 设备选项:
- VDCDC1 = 3.3 伏
- VDCDC2 = 1.8 伏
- VLDO1 = 2.8 伏
- VLDO2 = 1.2 伏
- ISINK (PWM=1) = 7.5 mA
- 测序 : DCDC1, LDO1, DCDC2,
LDO2
- 应用
参数

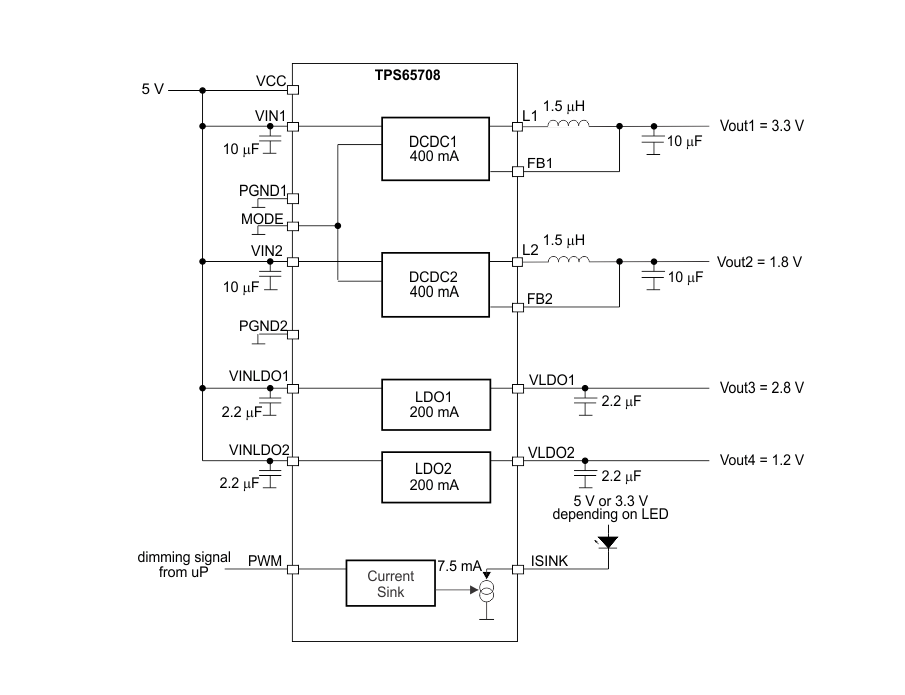
方框图

1. 产品概述
- 类型:电源管理单元(PMU)
- 应用:专为嵌入式相机模块或其他便携式低功耗消费类电子设备设计
- 特点:集成两个高效降压转换器、两个低压差线性稳压器(LDO)和一个7.5mA电流源,支持LED PWM调光
2. 功能特性
- 降压转换器:
- 输出电流高达400mA
- 固定频率2.25MHz操作
- 自动进入轻负载下的节能模式
- 180°相位差操作减少输入RMS电流
- LDO:
- 输出电压范围0.8V至3.3V
- 输出电流高达200mA
- 可选地从降压转换器供电以提高效率
- LED驱动:
- 7.5mA至30mA可编程LED电流源
- 支持PWM调光
- 其他特性:
- 100%占空比实现最低压差操作
- 动态电压定位减少负载变化时的电压波动
- 热关断保护
- 输出过压/欠压保护
- 短路保护
3. 电气特性
- 输入电压范围:3.6V至6V
- 输出电压:
- DCDC1默认3.3V,DCDC2默认1.8V
- LDO1默认2.8V,LDO2默认1.2V
- 效率:高达95%(取决于负载和输出电压)
- 静态电流:典型值200μA(所有转换器和LDO启用)
4. 热特性
- 热阻:
- θJA(结到环境):75°C/W
- θJC(结到封装顶部):22°C/W
- θJB(结到板):26°C/W
5. 封装与尺寸
- 封装类型:16引脚DSBGA(WCSP)
- 尺寸:2.00mm x 2.00mm,0.5mm球间距
6. 应用与布局指南
- 布局建议:输入电容、电感、输出电容和MOSFET应放置在PCB的一侧,其他小信号元件放置在另一侧
- 反馈迹线:应差分布线并远离噪声迹线
- 去耦电容:每个调节器的输入电源引脚应通过陶瓷电容旁路
7. 开发支持
- 技术文档:提供数据手册、应用电路、布局指南等
- 社区资源:链接到TI的E2E在线社区,提供设计支持和问题解决
8. 订购信息
- 封装选项:DSBGA YZH,提供3000单位和250单位包装选项
- 环境信息:符合RoHS和Green标准
9. 注意事项
- 在设计时应确保所有元件的电压和电流额定值在绝对最大额定值之内
- 布局时应遵循推荐的布局指南,以减少噪声和提高效率