TPS51216 以最低的总成本和最小的空间为 DDR2、DDR3 和 DDR3L 内存系统提供完整的电源。它将同步降压稳压控制器 (VDDQ) 与 2A 灌/拉跟踪 LDO (VTT) 和缓冲低噪声参考 (VTTREF) 集成在一起。该TPS51216采用 D-CAP™ 模式与 300 kHz/400 kHz 频率耦合,易于使用且瞬态响应快速。VTTREF 以 0.8% 的出色精度跟踪 VDDQ/2。VTT 提供 2A 灌电流/拉电流峰值能力,只需要 10μF 的陶瓷电容。此外,还提供专用的 LDO 电源输入。
*附件:tps51216.pdf
TPS51216 提供丰富的实用功能以及出色的电源性能。它支持灵活的电源状态控制,在 S3 中将 VTT 置于高阻态,并在 S4/S5 状态下对 VDDQ、VTT 和 VTTREF(软关闭)放电。具有低侧 MOSFET R 的可编程 OCL DS(开) 还提供传感、OVP/UVP/UVLO 和热关断保护。
TPS51216 采用 20 引脚、3 mm × 3 mm QFN 封装,额定环境温度为 –40°C 至 85°C。
特性
- 同步降压控制器 (VDDQ)
- 转换电压范围:3 V 至 28 V
- 输出电压范围:0.7 V 至 1.8 V
- 0.8% 电压
裁判准确性 - 用于快速瞬态响应的 D-CAP™ 模式
- 可选 300 kHz/400 kHz 开关频率
- 通过自动跳过功能优化轻负载和重负载的效率
- 支持 S4/S5 状态下的软关断
- OCL/OVP/UVP/UVLO 保护
- Powergood 输出
- 2A LDO(VTT)、缓冲基准 (VTTREF)
- 2A(峰值)灌电流和拉电流
- 仅需 10μF 的陶瓷输出电容
- 缓冲、低噪声、10mA VTTREF 输出
- 0.8% VTTREF,20mV VTT 精度
- 在 S3 中支持 High-Z,在 S4/S5 中支持 Soft-Off
- 热关断
- 20 引脚、3 mm × 3 mm QFN 封装
- 应用
- DDR2/DDR3/DDR3L 内存电源
- SSTL_18、SSTL_15、SSTL_135 和 HSTL 端接
参数

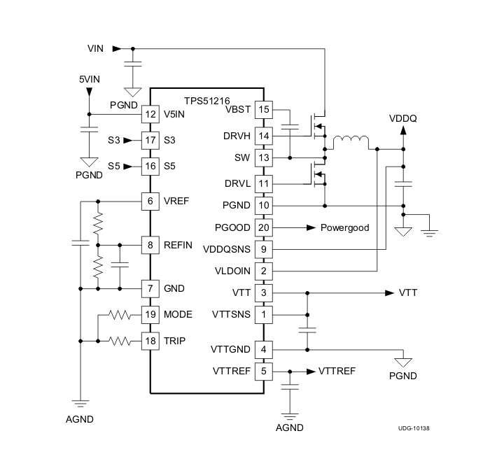
方框图

1. 产品概述
- 型号:TPS51216
- 类型:同步降压控制器
- 应用:DDR2、DDR3及DDR3L内存系统
- 特点:集成同步降压调节器控制器、2A LDO、缓冲参考电压,提供完整的内存电源解决方案
2. 主要特性
- 转换电压范围:3V至28V
- 输出电压范围:0.7V至1.8V
- 工作频率:300kHz/400kHz可选
- 控制模式:D-CAP™模式,快速瞬态响应
- 保护功能:过流保护(OCL)、过压保护(OVP)、欠压保护(UVP)、欠压锁定(UVLO)、热关断
- 电源状态控制:通过S3和S5引脚实现简单电源状态控制
- 软启动功能:集成VDDQ软启动功能,抑制启动时的浪涌电流
- 功率好信号:PGOOD开漏输出,指示VDDQ电压是否在目标范围内
3. 电气特性
- VREF输出:1.8V,±0.8%准确度
- VTTREF输出:跟踪VDDQ/2,±1%准确度
- VTT输出:2A峰值源/汇电流能力,±40mV调节精度
- 软启动时间:典型值为700μs
- PGOOD延迟时间:断言延迟1ms,否定延迟330ns
4. 功能描述
- VDDQ开关模式电源控制:采用D-CAP™模式,实现伪恒定频率和快速瞬态响应
- VTT和VTTREF:集成两个高性能、低dropout线性调节器,提供完整的内存电源解决方案
- 过压和欠压保护:设置OVP和UVP阈值,保护电路免受电压异常影响
- 过流保护:周期性过流限制保护,防止负载电流过大
- 热关断:内部温度监控,超过阈值(典型值为140°C)时关断输出
5. 应用信息
- 设计要求:包括VDDQ输出电压和电流、VTT输出电压和电流等
- 详细设计步骤:确定分压电阻、选择电感、选择输出电容等
- 布局指南:强调最小化高电流环路面积、敏感信号远离噪声源等
6. 封装与尺寸
- 封装类型:20引脚,3mm x 3mm QFN封装
- 尺寸:3mm x 3mm
7. 订购信息
- 订货号:TPS51216RUKR(带卷和带)
- 工作温度范围:-40°C至85°C
8. 其他信息
- 环保声明:符合RoHS标准
- 安全警告:处理时需采取适当的静电放电(ESD)防护措施
以上是TPS51216同步降压控制器的总结,涵盖了其主要特性、电气特性、功能描述、应用信息、封装与尺寸、订购信息以及其他相关信息。