TPS43331-Q1 是一款多轨输出电压稳压器,具有两个同步开关模式控制器和两个线性稳压器。此外,还有一个反向保护的高侧开关和电压监控器,用于监控待机稳压器和输入电压。稳压器输出和高侧开关由某些输出的离散输入和使用 I 的串行接口控制^2^C 配置,用于不受离散输入控制的输出。
待机线性稳压器 (VSTBY) 具有耐高压能力,可直接连接到车辆电池,静态电流通常为 65 μA,可在轻负载下保持稳压输出。
*附件:tps43331-q1.pdf
特性
- 适用于汽车应用
- 符合 AEC-Q100 标准,结果如下:
- 器件温度 1 级:-40°C 至 +125°C 环境工作温度
- 器件 HBM ESD 分类 2 级
- 输入工作范围 5 V 至 30 V (VBAT)
- 两个可调输出电压降压开关稳压器
- 外部时钟输入
- 用于降压稳压器的软启动控制
- 可编程线性稳压器 (VSTBY),低静态电流(典型值为 65 μA)
- 可编程线性稳压器 (VLR)
- 过压检测和关断
- 受保护的高侧驱动输出 (HSD)
- 备用稳压器的上电复位 (VSTBY)
- 串行通信, I^2^C 接口
- 具有可编程输入阈值的低电压警告检测 (LVWIN, VBATW)
- Enable Feature,控制 VBUCK 1
- 用于 VSTBY 的可编程电源良好延迟时间 (PGDLY)
- 所有稳压器和高侧驱动器输出均具有限流和独立的热检测和关断保护
- 耐热性能增强型 38 引脚 DAP PowerPAD™ 封装
参数

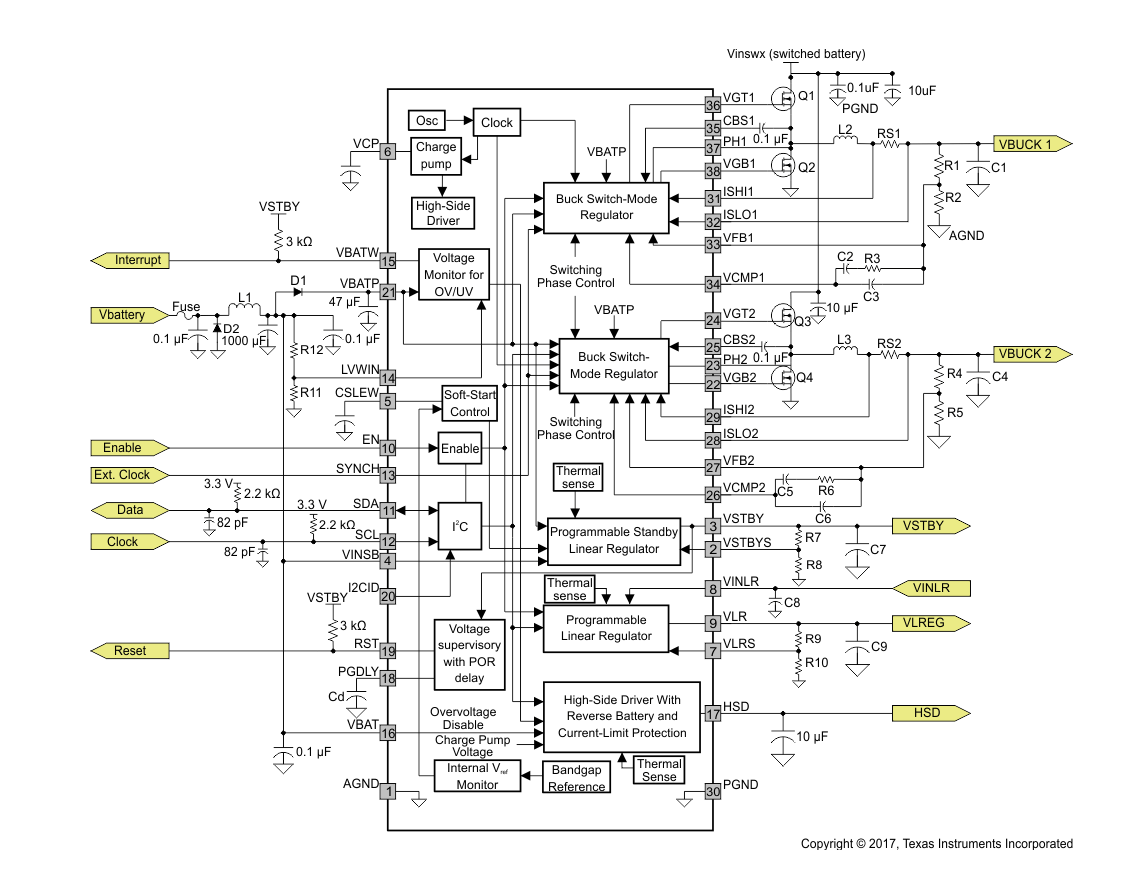
方框图

1. 概述
TPS43331-Q1是一款多轨输出电压调节器,集成了两个同步降压开关模式控制器和两个线性稳压器,适用于汽车应用和其他需要高效电源管理的场景。它还具有反向保护的高侧开关和电压监视器,用于监视待机稳压器和输入电压。
2. 主要特性
- AEC-Q100认证:适用于汽车应用,温度范围-40°C至+125°C。
- 输入电压范围:5V至30V。
- 两个可调输出降压转换器:外部时钟输入,软启动控制。
- 可编程线性稳压器:包括一个待机稳压器(VSTBY)和一个可切换线性稳压器(VLR)。
- 过压检测和关断:保护所有稳压器和高侧驱动器输出。
- 高侧驱动输出:具有反向保护和电流限制功能。
- 电源良好延迟时间:为待机稳压器提供可编程的电源良好延迟时间。
- I²C接口:用于配置和监控设备状态。
- 热增强封装:38引脚DAP PowerPAD™封装,提高散热性能。
3. 应用
- 汽车应用:为微控制器和DSP提供电源。
- 其他需要多轨电源输出的应用。
4. 功能描述
- 降压转换器:通过外部NMOS功率开关驱动,使用电阻电流感应反馈限制电流,输出电压可通过外部反馈电阻网络编程。
- 线性稳压器:包括一个始终开启的待机稳压器和一个可通过I²C接口控制的可切换线性稳压器。
- 高侧驱动输出:由离散输入控制,用于为系统中的其他设备切换辅助输入电源。
- 电压监视器:监视待机稳压器输出和输入电压,提供复位和电压警告输出。
5. 编程与接口
- I²C接口:用于配置开关模式控制器2、线性稳压器和高侧驱动输出。
- 寄存器映射:提供数据寄存器,用于控制设备功能。
6. 典型应用
- 提供详细的设计要求和设计步骤,包括降压转换器的电感和输出电容选择,以及环路补偿设计。
- 给出系统示例,展示如何在车辆音频应用中配置多个电源供应。
7. 布局指南
- 提供布局建议,包括地平面分隔、敏感电路布局和高电流环路最小化。
- 提供布局示例,帮助用户正确设计PCB。
8. 封装与尺寸
- 封装类型:38引脚HTSSOP DAP封装。
- 尺寸:12.50mm × 6.10mm。
9. 订购信息
- 提供器件状态、封装选项、环境信息和引脚配置等订购相关信息。
10. 注意事项
- 注意静电放电(ESD)保护。
- 遵循推荐的布局和元件选择指南。
- 在使用前,请详细阅读数据手册和相关文档,确保正确理解和使用产品功能。