时间:2024-12-07 10:53
人气:
作者:admin
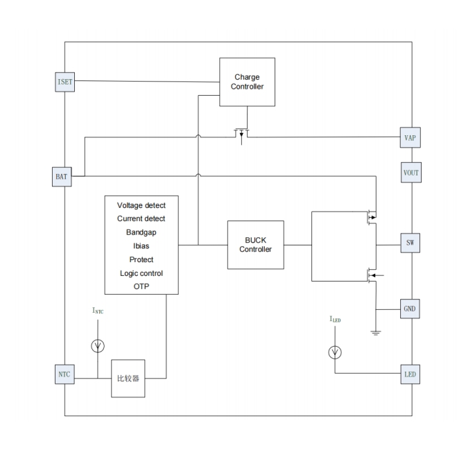
在追求高效、节能与环保的当下,电源管理技术已成为推动科技发展的重要力量。英集芯IP5167一款专为锂电池转干电池应用设计的电源管理专用芯片。集成降压转换器、锂电池充电管理、电池充电指示等功能。COT同步降压转换器提供最大1.5V/3.5A和3.0V/2A输出电流,放电效率高至 96%,空载时静态电流降至 4uA。最大1.0A充电电流,通过外部电阻配置充电电流或接受内部配置定制。内置多重保护机制,采用DFN2*3 8L封装较小,可放入7号电池小板。为锂电池转干电池提供解决方案。
卓越放电性能,满足多样需求
IP5167内置的COT降压转换器,以其高效的电能转换能力和出色的负载瞬态响应,为用户带来了前所未有的放电体验。高达3.5A的放电电流,轻松应对各种高负载场景,无论是智能家居设备、智能门锁还是其他小型电子设备,都能享受到稳定而持续的电力供应。同时,放电效率高达96%,最大限度地减少了能源浪费,延长了电池使用寿命。
更值得一提的是,IP5167的放电输出电压可根据电池电压线性变化或阶梯变化,完美模拟了1.5V干电池的电量特性。这一创新设计使得IP5167能够广泛应用于需要模拟干电池电量的场合,如智能门锁等,为用户带来更加真实、可靠的电源体验。
灵活充电管理,兼容多种电池
在充电方面,IP5167同样表现出色。它支持最大1A的充电电流,用户可以通过外部电阻灵活配置充电电流,或选择内部配置定制,以满足不同电池类型和充电需求。同时,IP5167还兼容4.20/4.30/4.35/4.40V锂电池和3.2V磷酸铁锂电池,以及Recharge功能,为用户提供了更加灵活、便捷的充电解决方案。

智能状态指示,安全无忧
IP5167集成了充电、充满、未接电池、电池低电、输出短路等状态指示功能,能够自动检测充电器的插入和拔出,让用户随时掌握电源管理的每一个细节。这一设计不仅提高了用户的使用体验,还大大增强了电源管理的安全性和可靠性。
低功耗设计,节能环保
在功耗控制方面,IP5167同样表现出色。空载时自耗电仅4µA,低电休眠自耗电更是低至1.5uA,为用户提供了更加节能、环保的电源管理方案。这一设计不仅延长了电池的使用寿命,还减少了能源的浪费,符合现代社会对绿色、可持续发展的追求。

多重保护机制,确保安全
为了确保电源管理的安全性和可靠性,IP5167还集成了过压、过充、过放、欠压、短路、过温等多重保护机制。这些保护机制能够在电源管理过程中实时监测各种异常情况,并在必要时自动切断电源,确保设备和电池的安全。
小巧封装,易于集成
IP5167采用DFN8L 2*3封装,体积小巧,易于集成。它不仅能够放入7号电池小板中,还能有效减小整体方案的尺寸,降低BOM成本。这一设计使得IP5167成为小型电子设备电源管理的理想选择。
总结
英集芯IP5167以其卓越的性能、灵活的功能和小巧的封装,为锂电池转干电池应用提供了全新的解决方案。它不仅满足了用户对高效、节能、环保的电源管理的需求,还为用户带来了更加稳定、可靠的电源体验。无论是智能家居、智能门锁还是其他小型电子设备,IP5167都能成为其电源管理的得力助手。
上一篇:电池储能系统的应用与解决方案