时间:2023-08-24 12:27
人气:
作者:admin
本文介绍 LDO稳压器选型 时几个不太注意的关键参数。还针对特殊低噪声要求,将开关稳压器和LDO稳压器进行了比较。此外还讨论了行业趋势,以及介绍需要高性能LDO稳压器的应用。
大多数电子设备电源提供的电压都高于电子设备的典型工作电压。例如,计算机的电源通过适配器插入110 VAC/220 VAC壁式插座,其消耗的电流小于1A。在各种功率半导体执行一系列降压转换后,计算机的处理器最终可能在低于1 VDC的电压下工作,但其峰值电流可能较高。在此类例子中,包含许多电压范围从低于1 V到12 V的不同内部电压轨。
低压差稳压器通常称为LDO稳压器,广泛用于各种电子应用,用于调节和控制从较高输入电压电源中输出的较低电压。虽然LDO稳压器通常出现在电源管理教科书的起始章节,并且一般都认为这是一种非常简单的器件,但在电路设计中选择LDO稳压器时,除了电压和电流额定值之外,还有一些技术特性也至关重要,而电路设计人员可能对此不甚了解。本文重点讨论LDO稳压器的低噪声要求,阐述了其他低噪声电源解决方案,并介绍了一些需要低噪声电源的关键应用。
噪声的来源及处理方法
LDO稳压器很少直接从输入电源转化后连接到其他电路——大多数情况下,这种使用方式的功率损耗会非常大。相反,设计人员通常使用AC-DC或DC-DC开关稳压器。当电源(电池或AC)为开关稳压器供电时,电源本身可能有噪声,并且可能会引入电缆中或PCB上的辐射以及其他效应产生的外部噪声。更糟糕的是,这种开关稳压器从来不存在理想的开关器件,所有开关事件都会产生尖峰和振铃,最终会成为内部噪声。开关稳压器可能远离负载放置,沿着其路径可能会引入额外的外部噪声。
由于LDO稳压器可提供较好的稳压性能并抑制输出纹波,或者电路中可能存在多个负载,需要不同的电压,所以电路中通常都会添加LDO稳压器,用于降低稳压器输出电压并向负载供电。LDO稳压器将接收所有馈送至其输入端的噪声,并且本身也可能产生噪声,如果不进行处理,所有这些噪声都可能传递到负载(图1)。由于我们无法预测噪声的频谱和幅度,所以噪声很难仿真,因此它可能会干扰非常敏感的负载电路(这就是为什么更换电源后,音响发烧友可以分辨出音质的差异)。其他典型的敏感负载电路可能包括:射频放大器、时钟和时序IC、SERDES、精密模拟和图像传感器,以及医疗设备、测试仪器、电信、汽车和数据中心中可能存在的此类电路。

图1.电源中存在噪声
电路设计人员采用多种不同方法来降低电源中的噪声。在稳压器前后添加铁氧体磁珠或低通滤波器有助于滤除高频噪声;然而,这些元件可能尺寸较大且很昂贵。如果设计人员在完成最初的原型设计后,发现需要添加此类滤波器,就会很棘手。
一种有名的低噪声设计方法是使用ADI公司的Silent Switcher
开关稳压器。该产品系列所采用的降噪技术,对尺寸和效率都没有影响,也没有过多的元件。该系列专有设计现已发展到第三代。第一代Silent Switcher 1产品使用一对极性相反的开关环路来抵消磁场。第二代集成了精密电源电容,消除了PCB布局敏感性。第三代融合了Silent Switcher 1产品的功能特性,提供低频超低噪声和超快瞬态响应性能。Silent Switcher稳压器可支持高达65 V的输入电压和高达30 A的负载电流,并提供降压、升压或降压-升压拓扑功能。
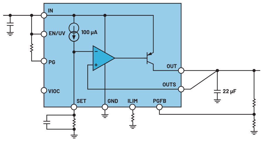
另一种常用方法是使用低噪声LDO稳压器。典型框图如图2所示。低噪声LDO稳压器设计为精密电流基准,后接高性能电压缓冲器。此类器件具有以下三个主要特性:PSRR、总积分输出噪声和噪声谱密度。

图2.典型低噪声LDO稳压器框图
PSRR表示输入电压引起的输出电压波动(图3)。它在特定频率下以对数形式表示,并随不同负载和输入/输出电压而变化。本质上,我们不希望输入噪声出现在输出端,因此使用具有较高PSRR的LDO稳压器至关重要。由于高频PSRR可以通过在LDO稳压器前后添加小型低通滤波器来改善,因此在选择IC时应着重考虑较低频率下的PSRR。选择器件时,请记住每20 dB的差异会造成抑制纹波性能好100倍或差100倍。

图3.低噪声LDO稳压器的典型PSRR
下一个重要的因素是噪声密度与频率的关系,如图4所示。有些与通信相关的应用对工作频谱有相关规定;因此,必须控制噪声才能通过认证测试。还有一些传感器应用,其中会检测和处理某一低频下的环境信号。因此,设计人员应检查目标频率周围的频谱噪声密度曲线。

图4.噪声密度与频率的关系
最后一个重要因素是总输出噪声,它是在有限频率范围内累加的噪声谱密度的均方根值。对于模数或数模转换电路,LDO稳压器从DC到系统带宽的所有噪声都会累加在一起,从而影响系统精度。因此,总输出噪声对于此类应用非常重要。图5显示了 LT3045 的积分输出噪声,它比锂离子电池更干净。

图5.积分输出噪声(10 Hz至100 kHz);低噪声LDO稳压器 LT3045 比电池更干净。
Tips
LT3045 可在 ADI 中国在线商城 直接下单采购。
ADI 中国在线商城 采用现货销售,购物车可按整包或片数自定义输入产品数量,人民币结算系统支持国内多种主流线上支付方式帮您轻松免除报关烦恼。
折中方案
几乎所有需要配备至少一个高级处理器和其他电路的应用,都需要提供包含多个输出轨的复杂电源。设计人员有多种方案可以选择,例如PMIC(多路输出、单芯片)IC、多个单路输出稳压器或多个LDO稳压器。如果部分或全部输出轨需要低噪声,那么就很难做出明确的选择。
从教科书中我们很容易了解到,开关稳压器通常比LDO稳压器效率更高,而LDO稳压器电路更容易设计。在现实世界中,情况有点复杂。以 ADI 的 AD9162 为例。它是一款广泛用于电信和仪器仪表系统的IC。它总共需要10个电源轨,按照44的比例分为模拟电源、数字电源和SERDES电源。虽然其中一些电源轨可以合并,但我们至少需要六个电源。值得注意的是,器件上的模拟1.2 V电源对噪声最为敏感,其次是模拟2.5 V和模拟-1.2 V电源。
我们考虑使用多个Silent Switcher稳压器,例如最新发布的18 V/2 A额定值 LT8622S 或5 V/3 A额定值 LTC3307B 。这种方式有望满足低噪声要求,且不用增加外部滤波器。
然而,如果所有电源轨均由Silent Switcher稳压器供电,那么系统尺寸和成本会略微较高。另一种方法是使用PMIC和反相稳压器作为第一级,该方法具备高效率、低成本、解决方案尺寸小和低噪声等所有优点。例如采用四路输出PMIC,如 LTM4644、LTC3370、ADP5054 (用于12 V总线),而 LT8330、ADP5073 用于反相稳压器。然后,在除 1.2 V VD之外的所有敏感电压轨上,每个输出轨后面都接有低噪声 LDO 稳压器(图6)。

图6.为噪声敏感型DAC供电的低噪声电源解决方案
Tips
AD9162 、LTC3307B、LTM4644、LTC3370、ADP5054、LT8330、ADP5073 可在 ADI 中国在线商城 直接下单采购。
ADI 中国在线商城 采用现货销售,购物车可按整包或片数自定义输入产品数量,人民币结算系统支持国内多种主流线上支付方式帮您轻松免除报关烦恼。
如果需要更高的电压或更高的电流额定值,ADI 还提供Silent Switcher四路输出的PMIC芯片,例如 LT8692S、LT8686S、LT8685S 和 LT7200S。
设计人员还可以考虑保留3.3 VI/O和-1.2 VA上的低噪声LDO稳压器,并用四个单通道Silent Switcher稳压器替换PMIC和后面的LDO稳压器。
表1汇总列出了低噪声解决方案选型标准,供设计人员在设计时参考。一般而言,当输入源噪声很大、负载电流较低、需要超低输出纹波或需要超低噪声时,ADI公司建议使用超低噪声LDO稳压器。
表1.低噪声电源解决方案选型参考

对于5 A+的负载电流,设计人员几乎都会首选低噪声PMIC或开关稳压器(尽管LDO稳压器也可以并联以支持高电流)。
对于2 A至5 A的负载电流,设计人员可酌情选择 ADP7158/ADP7159、LT3073、MAX38907 等LDO稳压器或各种Silent Switcher稳压器。
Tips
LT8692S、LT7200S、ADP7158、ADP7159 可在 ADI 中国在线商城 直接下单采购。
ADI 中国在线商城 采用现货销售,购物车可按整包或片数自定义输入产品数量,人民币结算系统支持国内多种主流线上支付方式帮您轻松免除报关烦恼。
应用
ADI公司是低噪声LDO稳压器市场的领军企业。最近收购Linear Technologies和Maxim Integrated后,该系列产品得到进一步加强。ADI公司提供丰富的超低噪声LDO稳压器产品,该类产品额定电压范围为-20 V至+20 V,电流范围为100 mA至5 A。
拥有数百个客户,以下是一些典型的应用示例:
由于传感器信号处理要求超低噪声,一家著名的DSLR相机制造商选择低噪声LDO稳压器为其图像传感器供电
亚马逊最畅销热像仪制造商之一选择低噪声LDO稳压器为其红外传感器供电,因为这种稳压器是市场上噪声很低的解决方案
一家汽车一级高级驾驶员辅助系统(ADAS)客户选择低噪声LDO稳压器为其雷达和射频电路供电(ADI还为该客户提供符合AEC认证的完整电源解决方案)
由于噪声低且解决方案尺寸很小,一家内窥镜客户选择了低噪声LDO稳压器
一家半导体自动测试设备(ATE)客户选择ADI电源模块和LDO稳压器为其ASIC供电
一家游戏耳机客户选择低噪声LDO稳压器为其音频DAC供电
由于要求低纹波,一家打印机客户选择了低噪声LDO稳压器
由于要求高PSRR和低纹波特性,一家流量计客户选择了低噪声LDO稳压器
一家大规模MIMO客户选择低噪声LDO稳压器为其GaN功率放大器供电
一般来说,低噪声电源对大多数敏感应用都至关重要。设计人员表示,他们更愿意默认选择低噪声电源IC,从而在设计中提供额外的裕量。如果您在设计中遇到任何干扰问题,也许首先应检查电源部分。
先进LDO稳压器的未来
ADI公司提供各种超低噪声、超高PSRR LDO稳压器。ADI公司还设计和销售数百种其他LDO稳压器,这些稳压器具有高击穿电压、低静态电流、自适应引脚等不同特性,支持上游DC-DC跟踪LDO稳压器负载等。尽管如此,市场仍然需要性能更好、具有更多特性的LDO稳压器。还有客户要求我们提供噪声更低、多通道、具有数字配置能力、瞬态响应更快以及其他各种特性的LDO稳压器。虽然LDO稳压器看起来仍是一种简单的器件,但它永远不会消失,而且会像所有其他半导体器件一样不断演进。如有任何疑问或需要支持,请随时咨询当地的ADI销售办事处。
编辑:黄飞
上一篇:防止电源线引起电压波动的措施