时间:2023-08-16 17:02
人气:
作者:admin
01
浪涌防护设计
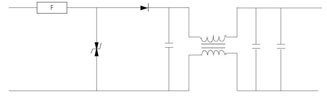
1
AC220V防护电路

FUSE: 根据电路实际使用情况,具体见注意事项。
MOV:14D471K 14D511K 14D561K。
GDT:2R800L(如有耐压要求则需重新选择)。
还有其他变种电路,如两级防护,使用温度保险丝等等情况。
2
DC防护电路
15V以下电路第一级可单独使用红色框内电路只使用气体放电管。
FUSE: 根据电路实际使用情况,具体见注意事项。
MOV:14D820K。
GDT:2R090L。
TVS:根据电源电压选择5V一般选择6.5VTVS,12V选择15VTVS,15V选择18VTVS,24V选择28VTVS,48V选择58VTVS等等。
还有其他变种电路,如只使用TVS等等。
3
RS485防护电路
GOT: 气放管选择3R090L。
PPTC选择1812-020。
TVS选择SMBJ6.5CA(注意TVS结电容较大,如果节点较多,则需要低电容的器件,如SOT23或SOD323封装的ESD器件)。
此电路也有变种方案,比如在快递柜上使用节点较大,则倾向于使用结电容较小,通流量也比较大的半导体放电管。
也有的客户需要有防电力线误搭接的功能,则需要气体放电管电压放大到600V,PPTC耐压要做到250VAC(插件)。
4
RS232防护电路

气放管选择3R090L 2R090L。
PPTC选择1812-010。
TVS选择SMBJ15CA和SMBJ30CA。
5
网口防护电路

气体放电管:3R090L 2R090L 低成本方案也有客户使用半导体放电管。
采用红色框内方案共差模防护等级较高。
后面TVS选用ESDLC3V3DB或者ESDSLVU2.8-4。
后面电阻可加可不加,加上后防护效果更好。
此方案只是列出一对线,四对线方案相同。
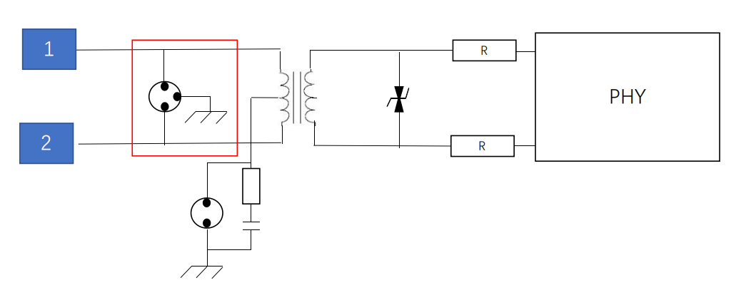
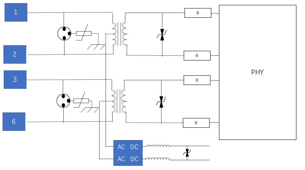
6
POE防护电路

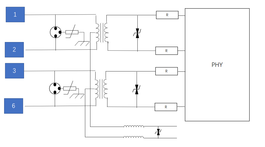
7
PSE防护电路

8
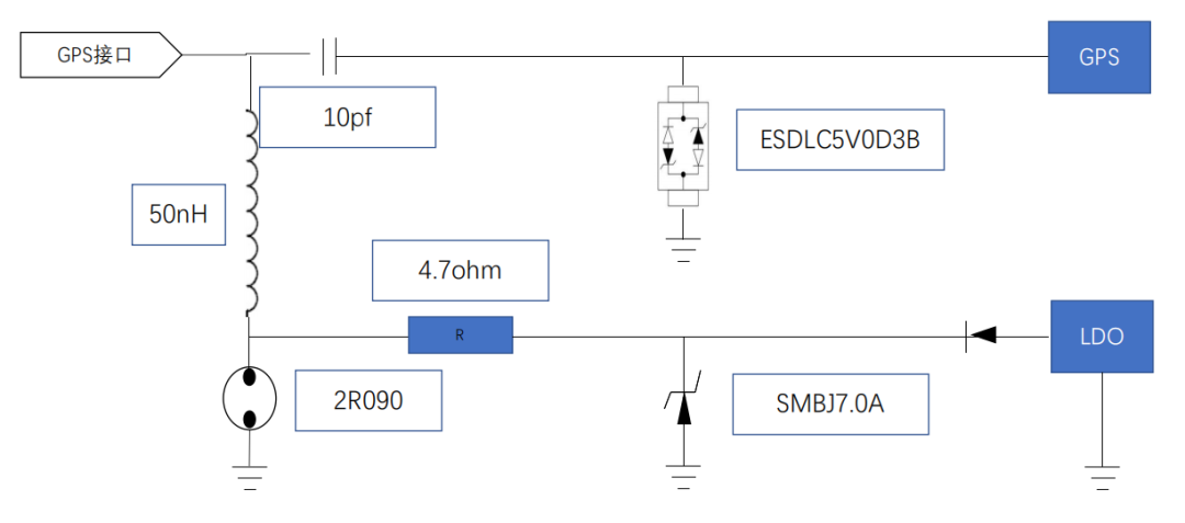
GPS防护电路

9
车载电源防护电路

保险丝和TVS的选型需根据工作电流大小,需过7537的等级。
防反电路注意如果使用单向的TVS,则防反二极管则需要放在TVS前端,但是这个防反二极管选型要注意抗浪涌能力及反向击穿电压等问题。
如果有过压或者欠压保护,则需要注意其相应速度问题。
02
ESD防护设计
1
防护设计推荐:




03
EFT防护设计
电快速瞬变脉冲群是由电感性负载(如继电器、接触器产生的传导干扰、高压开关切换产生的辐射干扰等)在断开时,由于开关触点间隙的绝缘击穿或触点弹跳等原因,在断开处产生的暂态骚扰。
当电感性负载多次重复开关,则脉冲群又会以相应的时间间隙多次重复出现。这种暂态骚扰能量较小,一般不会引起设备的损坏,但由于其频谱分布较宽,所以会对电子、电气设备的可靠工作产生影响。
1
EFT的介绍
电快速速变脉冲群试验的目的就是为了检验电子、电气设备在遭受这类暂态骚扰影响时的性能。重复快速瞬变试验是一种将由许多快速瞬变脉冲组成的脉冲群耦合到电气和电子设备的电源端口、信号和控制端口的试验。试验的要点是瞬变的短上升时间、重复率和低能量。五、EFT防护电路注意事项。
2
EFT干扰模式
对于检测设备的抗扰度来说,电快速脉冲试验具有典型的意义,由于电快速脉冲试验的波形的上升沿很陡,因此包含了很丰富的高频谐波成分,能过检验电路在较宽的频率范围内的抗扰度。
通过电源线直接传导设备的电源,导致电路的电源线上有过大的噪声电压干扰能量在电源线上传导的过程中向空间辐射,这些辐射能量感应到附近敏感电路上,造成异常。
干扰脉冲信号在电缆(包括信号和电源电缆)上传播产生的二次辐射能量感应进电路,形成干扰。
3
针对电源线的整改措施
解决电源线干扰问题的主要方法是在电源线入口处安装电源线滤波器,阻止干扰进入设备。
快速脉冲通过电源线注入时,可以是差模方式注入,也可以是共模方式注入。对差模方式注入的一般可以通过差模电容(X电容)和电感滤波器加以吸收。
若注入到电源线上的电压是共模电压,滤波器必须能对这种共模电压起到抑制作用才能使受试设备顺利通过试验。
4
针对信号线的整改措施
针对信号线试验应采取的措施 :
快速脉冲通过信号/控制线注入时,由于是采用容性耦合夹注入,属共模注入方式。
(1)信号电缆屏蔽:
从试验方法可知,干扰脉冲耦合进信号电缆的方式为电容性耦合。消除电容性耦合的方法是将电缆屏蔽起来,并且接地。因此,用电缆屏蔽的方法解决电快速脉冲干扰的条件是电缆屏蔽层能够与试验中的参考地线面可靠连接。如果设备的外壳是金属的并是接地的设备,这个条件容易满足。当设备的外壳是金属的,但是不接地时,屏蔽电缆只能对电快速脉冲中的高频成分起到抑制作用,这是通过金属机壳与地之间的杂散电容来接地的。如果机箱是非金属机箱,则电缆屏蔽的方法就没有什么效果。
(2)信号电缆上安装共模扼流圈:
共模扼流圈实际是一种低通滤波器,只有当电感量足够大时,才能对电快速脉冲群有效果。但是当扼流圈的电感量较大时(往往匝数较多),杂散电容也较大,扼流圈的高频抑制效果降低。而电快速脉冲波形中包含了大量的高频成分。因此,在实际使用时,需要注意调整扼流圈的匝数,必要时用两个不同匝数扼流圈串联起来,兼顾高频和低频的要求。
(3)信号电缆上安装共模滤波电容:
这种滤波方法比扼流圈具有更好的效果,但是需要金属机箱作为滤波电容的地。另外,这种方法会对差模信号有一定的衰减,在使用时需要注意。
(4)对敏感电路局部屏蔽:
当设备的机箱为非金属机箱,或者电缆的屏蔽和滤波措施不易实施时,干扰会直接耦合进电路。这时只能对敏感电路进行局部屏蔽。屏蔽体应该是一个完整的六面体.