时间:2023-08-01 18:26
人气:
作者:admin
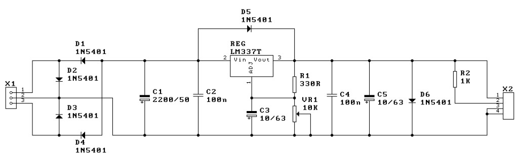
这是基于LM337T的负可调电源电路图。该电路可用于需要负电源工作的设备。稳压器 LM337T 能够在 1.2V 至 37V 的输入电压范围内提供 1.5A 的电流。它们至少需要 2.5V 输入输出电压差。实际上,输出电压和电流的限制因素是稳压器消耗的功率。例如,如果输入电压为30V,输出电压为10V,输出电流为1A,则散热器消耗的功率为(30-10)*1或20W。这需要一个大散热器。因此,希望保持输入电压尽可能低,以实现所需的输出。

LM337T特点:
输出电流超过 1.5 A
输出可在 -1.25 V 至 -37 V 之间调节
内部热过载保护
内部短路电流限制
输出晶体管安全区补偿
高压应用的浮动操作
组件清单:
电阻器 (0.25W, 5%)
R1 = 330
R2 = 1K
VR1 = 10K 10 圈微调电位器
电容
C2,4 = 100nF 陶瓷
C12 = 200uF 50V 电解
C3,5 = 10uF 63V 电解
半导体
D1-6 = 1N5403
REG = LM337T
电路如何工作:
二极管D1-4形成桥式整流器,将交流输入电压转换为直流电压。它们还允许以任意方式连接直流输入电压。
电容器 C1 使电桥的直流输出平滑,而 C2 则提供高频去耦。 LM337T 是一款可调稳压器 IC,可提供所需的输出电压。二极管D5在正常工作期间是反向偏置的,如果输出连接到相同极性的电压(例如电池),则用于保护调节器。如果输出端连接有反极性电压,二极管 D6 会保护稳压器。
该调节器在输出和调节端子之间产生标称 1.25V 参考电压。该恒定电压施加在 R1 上,从而产生恒定电流。该恒定电流流经微调电位器 VR1。通过改变VR1,其两端的电压将会改变,因此可以设置输出电压。
输入配置(连接到变压器):
该套件可使用多种不同的输入配置。所选择的配置将取决于可用的电压源。尽可能保持输入电压尽可能低,以实现所需的输出。这最大限度地减少了调节器的散热。

1.5A负可调电源电路套件版本:
