时间:2023-07-24 11:37
人气:
作者:admin
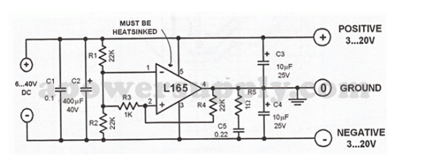
紧凑的5针L165IC一般由单个非对称电源稳定对称电源组成。然而,输出电压是输入电压的一半。需要添加纹波滤波电容C1、C2、C3和C4以及一些电阻器来设置对称性。在构建电路时,将电容器C1和C2放置在尽可能靠近IC的位置。
另一方面,将电容器C3和C4靠近输出插孔放置。确保PCB上的电路线尺寸正确,以处理高电流水平。电流水平高达3安培,可流过电路。此外,为L165IC提供合适的散热器。
L165IC也可以看作是一个电压放大器。它放大了R1和R2之间结点处出现的电压。也可以用TCA1365替换IC。但是,当使用TCAIC时,引脚3和4必须连接在一起。同时在引脚220和5之间连接一个6pF电容器。
对称电源原理图

对称电源印刷电路布局

上一篇:2n3055可调电源电路图
下一篇:PoE交换机的电源管理解决方案