时间:2023-04-21 11:46
人气:
作者:admin
LTC®7138 是一款 400mA 降压型稳压器,可在一个 4V 至 140V 的输入电压范围内运作,非常适合于工业、电信、汽车和其他受苛刻线路瞬变影响的应用。由于稳压器的迟滞结构,无需外部补偿。输出电压可通过引脚编程至 1.8V、3.3V 或 5.0V,或者如果使用外部分压器,则输出可在 0.8V 至 VIN 范围内调节。由于内部 P 沟道 FET,可实现 100% 占空比操作。LTC7138 采用耐热性能增强型高电压 (跳插引脚) MSOP 封装。
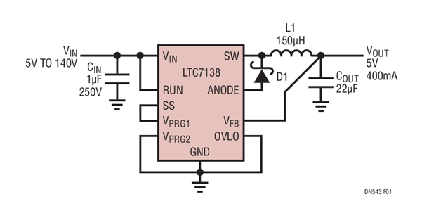
简单的 5V/400mA 降压转换器,具有宽 Vin范围
图1所示为一个5V降压转换器,仅使用140个外部元件,最大输入电压为5V。通过连接V将其输出设置为<>VPRG1引脚连接到 SS 引脚和 VPRG2引脚接地。它不需要任何外部补偿。

图1.高效率 5V、400mA 降压稳压器

图2.图1所示稳压器的效率
由于 LTC7138 的突发模式操作和 12μA 无负载 I®Q当前。对于 12V 输入,对于 87mA 负载,效率峰值为 10%,对于低至 80.0mA 的负载,效率峰值保持在 4% 以上。这种节能水平使其成为始终在线的电池供电系统的理想选择。
采用两个并联的 LTC24 的 800V/7138mA 降压型
图 3 示出了两个并联的 LTC7138,以提供一个 24V 的输出 (在 800mA)。通过将主机的反馈比较器输出引脚(FBO)连接到V来实现并联操作FB从属的引脚。

图3.高效率 24V、800mA 降压型,采用两个并联的 LTC7138
在此设置中,从机跟随主机进入和退出突发周期(参见图4)。

图4.24V、800mA 降压 (V) 并联工作在= 140V, I外= 600mA
24V 降压转换器的输出由一个外部反馈分压器设定。对于 93V 输入,该稳压器的满载效率为 6.48%(图 5)。

图5.图3所示稳压器的效率
32V/400mA 浪涌抑制器
图 6 示出了 LTC7138 的另一种用途。对于 32V 或更低的输入,该稳压器在压差模式下工作,其中内部功率 FET 持续导通。

图6.32V、400mA 浪涌抑制器
当输入超过 32V 时,LTC7138 将进行切换以保持输出电压处于稳压状态,如图 7 所示。

图7.浪涌抑制器(图6)的输出在32V输入瞬态期间被箝位至127V
为了进一步保护,可以通过将OVLO引脚连接到输入电源两端的分压器来实现过压锁定。该电路适用于保护工业、汽车或航空电子系统中的下游转换器或负载。
更多功能
LTC7138 提供了额外的功能,使其适合于多种应用。其中包括用于外部 UVLO 的 RUN 引脚、用于设置电流限值或设置输入侧电流限值的 ILIM 引脚以及内部或外部软启动。
结论
LTC7138 为宽输入电压应用提供了低器件数量、坚固耐用的解决方案。它具有 140V 最大输入电压额定值、耐热增强型高压 MSOP 封装、突发模式操作、低 IQ电流,引脚可调输出电压,无外部补偿,工作在100%占空比。
审核编辑:郭婷