时间:2023-04-18 11:48
人气:
作者:admin
电源监控与控制机制相结合,可以显著提高系统能效和可靠性。LTC®2945 是一款高度集成的数字电源监视解决方案,其结构紧凑、坚固耐用且易于使用。它旨在适应需要使用最少组件进行电源监控的应用。
图 1 示出了 LTC2945 的功能框图。集成了功率监控所需的所有基本元件,包括精密电流检测放大器、精密电阻分压器、模数转换器 (ADC) 和 I2用于与主机控制器通信的 C 接口。只需要一个外部电流检测电阻。主机可以定期轮询 LTC2945 以获取可用的功率数据,存储最小值和最大值,并且当测量值超过其预编程限值时,可从 LTC2945 发送警报以中断主机。

图1.LTC2945 的功能框图
监控任何电源的电源
LTC2945 的内部电流检测放大器具有一个 0V 至 80V 的共模范围,以适应多种高端和低端电流检测应用。目前可用的大多数宽范围电源监视器都需要低压次级电源才能工作,这可能由于以下几个原因而不可取:
没有合适的二次供应
次级电源通常加载有噪声数字电路,由于电源监视器在较高频率下的电源抑制比有限,因此必须进行充分滤波或旁路
次级电源存在,但不容易获得 - 它位于印刷电路板上不方便,使电源线的布线复杂化
LTC2945 通过集成一个可直接采用 4V 至 80V 电源供电的高电压线性稳压器来避免这些问题。线性稳压器(INTV抄送) 为 LTC2945 供电,并可在外部旁路以防止电源噪声破坏内部电路的信号完整性。线性稳压器能够提供 10mA 负载,从而节省了在某些应用中为光耦合器等电路供电所需的专用高压线性稳压器的成本。
图 2a 示出了一款典型的 LTC2945 应用,该应用监视一个 4V 至 80V 电源,并利用同一电源获得电源。总线电压通过内阻分压器在SENSE引脚上测量,检测电阻用于测量高压侧的负载电流。如果要监视的总线电压低于 2.7V,则 LTC2945 的电源可由图 2b 所示的宽范围次级电源或图 2c 所示的低电压次级电源获得。+

图 2a.LTC2945 从受监控电源获取电源

图 2b.LTC2945 从宽范围的次级电源获得电源

图 2c.LTC2945 从低电压次级电源获取电源
LTC2945 还在 INTV 上集成了一个 6.3V、35mA 并联稳压器抄送用于工作电压超过 80V 的引脚。图 3a 示出了在一个此类应用中使用的 LTC2945,其接地浮动在低于总线电压 6.3V 的电压下。总线电压的大部分压降通过一个外部分流电阻器;实际上,任何能够脱离总线电压并提供 LTC2945 工作电流的电流源都将正常工作。

图 3a.LTC2945 通过一个高端并联稳压器获得功率

图 3b.LTC2945 在高端电流检测拓扑中通过一个低侧并联稳压器获得功率

图 3c.LTC2945 在低侧电流检测拓扑中通过一个低侧并联稳压器获取电源

图 3d.LTC2945 采用一种低侧电流检测拓扑结构,从受监控电源获取电源
图4显示了如何使用匹配的PNP对和一些电阻来测量这种配置中的总线电压。所示电阻值针对 V 进行了优化在165V ±10%。当在高端电流检测应用中唯一可用的次级电源超过 2945V 时,也可以如图 3b 所示配置 LTC80 的并联稳压器。

图4.用于测量高压侧并联稳压器配置中总线电压的应用电路
如果电源的输出为负,例如用于网络、通信和高端计算设备的–48V分布式电源系统,则通常首选低侧电流检测,如图3c和3d所示。图 3c 示出了分流电阻器和 LTC2945 的并联稳压器限制 INTV抄送至高于超过6V的负电源3.80V。更常见的是,负电源低于 80V,而内部线性稳压器可直接用于为 LTC2945 供电,如图 3d 所示。在此配置中,VDDPIN通过内阻分压器测量总线电压。
在图80c等低侧电流检测应用中测量超过3V的总线电压,可以通过将电阻分压器连接到ADIN引脚来完成,如图5所示。

图5.ADIN检测低侧并联稳压器配置中的总线电压。
±0.75% 总误差测量精度
LTC2945 集成了一个过采样 ΔΣ ADC,该 ADC 固有地在整个转换周期内对测量电压进行平均,以有效地抑制由瞬态尖峰和 AC 电源线谐波引起的噪声。在整个工业温度范围内,满量程测量总线电压、检测电压和ADIN的总误差小于±0.75%。
12 位 ΔΣ ADC 提供 102.4mV (25μV/LSB) 的满量程电压(检测电压)、102.4V (25mV/LSB) 的总线电压和 2.048V (0.5mV/LSB) 的 ADIN 满量程电压。ADIN电压和检测电压的典型积分线性误差(INL)均在±0.5LSB以内,如图6和图7所示。LTC2945 还非常适合在测量的低端精度很重要的应用中,因为其额定失调电压对于 ADIN 低至 ±1.1LSB,在最坏情况下低至 ±3.1LSB (用于电流检测电压)。

图6.阿丁内嵌曲线

图7.感应 INL 曲线
峰值跟踪和高估/低估警报
在许多电源监控系统中,跟踪最小和最大测量值非常重要,因为它可用于研究使用行为以实现更有效的资源分配,并且通常是系统运行状况的指标。以前,收集此类信息需要系统的微处理器定期轮询功率监视器,这浪费了宝贵的计算时间,并可能占用电源监视器。2C 接口。LTC2945 通过存储功率、电压、电流和 ADIN 的最小值和最大值解决了这一问题。LTC2945 上的页面读取功能允许仅用单个 I 读取这些数据2C 读取事务。ALERT 引脚还可以配置为发出超出功率、电压、电流和 ADIN 限值或低于限值的信号。
未截断的 24 位电源数据
对于使用数字伺服环路来调节系统功率输出的应用,从监视器读回的功率数据需要单调且具有高分辨率,以最大程度地减少稳定性问题。LTC2945 通过对 24 位检测电压和 12 位总线电压数据进行数字乘法而不截断结果来产生 12 位电源数据。
光隔离和关断
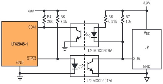
LTC2945 可通过串行 I 关断2C 接口,将典型静态电流降至 20μA,这对于电池供电应用尤其重要。光电隔离在高压系统中很常见,出于安全原因,高压部分必须进行电气隔离。LTC2945 通过在 I 上分离 SDA 信号来适应隔离式应用2C接口与SDAI引脚和一个SDAO引脚(用于LTC2945-1,SDAOs),适用于具有光隔离器接口的应用,如图8所示。

图8.10kHz I 的光隔离2LTC2945 和微控制器之间的 C 接口
对于有限的电流,可以使用内部线性稳压器或并联稳压器为I上的上拉电阻供电。2C总线。在不希望接断内部稳压器和无法获得低电压电源的情况下,LTC2945-1 允许上拉电阻器直接连接至高电压。SCL 和 SDAI 引脚通过内部 6.3V、3mA 箝位将器件限制在安全电压内。SDAO引脚反相(至SDAOs),因此可以被光隔离器输入二极管的阳极箝位,如图9所示。

图9 1.5kHz I的光隔离2LTC2945-1 和微控制器之间的 C 接口
电源瞬变
LTC2945 的宽工作范围即使在总线电压通常远低于 80V 的应用中也是有利的。汽车抛负载情况下的电感反冲和热插拔输出短路导致的瞬态电压浪涌只是需要坚固的电源监控解决方案以承受远远超过正常工作电压的过压条件的两种可能情况。
LTC100 的 2945V 绝对最大额定值使得易于防范这些类型的电压浪涌,因为有多种瞬态浪涌抑制器 (TVS) 二极管可供选择。在某些应用中,大型MOSFET功率器件可以击穿以安全地削波电感尖峰,而在大多数12V和24V系统中,这些功率器件的击穿电压小于100V,从而可能否定对TVS二极管的要求。
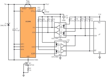
当电感能量过高或不可预测时,用TVS二极管或MOSFET击穿硬钳位电压可能不切实际。图 10 示出了一款基于 LTC2945 的电源监视器,该监视器能够承受一个 200V 浪涌,其中其高电压引脚被 T1 箝位至低于 80V。正常工作时,M1在三极管区域工作,器件地电压比系统地高几mV。在浪涌期间,器件接地由T1抬起,浪涌电压的平衡在M1上下降。BSP149 具有 200V 击穿电压,浪涌持续时间受其安全工作区域的限制,例如在室温下,它可以承受 200V 浪涌 1ms 在 V 下在.

图 10.坚固耐用的 4V 至 80V 高压侧功率监视器,具有高达 200V 的浪涌保护
结论
LTC®2945 是一款高度集成的功率监视器,可轻松装入多种系统。它提供 0V 至 80V 共模范围、2.7V 至 80V 工作范围、精度为 ±0.75% 的电压和电流测量,以及用于计算功率的片内数字乘法器。数字看门狗功能(如峰值和谷值以及窗口比较器)可用于电源、电压、电流和外部电压。通过分离式SDA引脚简化了光隔离。LTC2945 采用节省空间的 3mm × 3mm QFN 封装和 12 引脚 MSOP 封装。
审核编辑:郭婷