时间:2023-04-18 11:45
人气:
作者:admin
电池用于广泛而多样的应用空间。为了适应如此广泛的产品,电池充电器IC制造商拥有几乎同样广泛和多样化的解决方案阵容。然而,凌力尔特等公司几乎不可能预测工程师使用电池和电源的所有巧妙方式。那么,如果找不到适合您应用的电池充电器 IC,该怎么办?
第一步是概述您的电源要求。电源(或电源)的输入电压和电流能力是多少?电池组的电压范围和容量是多少?应用的电源要求是什么?什么电压范围适合应用?
如果你有一个5V输入电源和一个单节锂离子电池,你很可能没有超越标题。仅凌力尔特就有数十个用于该应用的零件。您更有可能仍在阅读,因为前面问题的答案表明您的输入电源可能高于或低于电池组电压。或者,也许您需要超过10A的充电电流。也许您想使用交流电源作为输入电源,或者电池电压大于 20 或 30V。很少有独立的电池充电器或电源管理IC可以满足这些要求。
然而,凌力尔特有一个可能会有所帮助 - LTC4000。LTC®4000 不是一个独立的电池充电器或电源管理 IC。相反,可以将其视为电池供电系统中的电源管理大脑。它依靠第二个 IC 进行锻炼。
图1是LTC4000的一个非常简化的广告图,但它很好地展示了基本系统。此图中缺少许多特性和功能,但它重点介绍了几个关键的 LTC4000 概念:
宽输入电压范围 (3 – 60V) ...尽管如果不需要一个功能,则基本上是无限的
宽输出/电池电压范围(高达 60V)
高电流能力(基本上无限制)
电源转换拓扑独立

图1.LTC4000电池管理系统的简化图。
这四个概念使 LTC4000 成为许多没有独立 IC 解决方案的电池供电型系统的合适选择。
凌力尔特的应用团队构建并测试了许多不同的 LTC4000 配置(参见图 2)。事实上,我们还没有测试我们无法工作的配置。有时需要一点创造力才能获得适当的控制功能,但可能的解决方案的种类几乎是无限的。
| 集成电路 | 拓扑学 | 输入电压范围 | 输出电压/电流 | 电池 |
| LTC3789 | 降压-升压 | 6-36V | 14.4V/5A | 4S 磷酸铁锂4 |
| LTC3789 | 降压-升压 | 9-30V | 16.8V/5A | 4S 锂离子电池 |
| LTC3851A | 麚 | 5-38V | ~4V/12A | 4V 铅酸 |
| LT3845 | 麚 | 15-60V | 10.8V/10A | 3S 磷酸铁锂4 |
| LT3845 | 麚 | 36-48V | 29.4V/2A | 7S锂离子 |
| LT3845 | 麚 | 5-38V | ~4V/12A | 4V 铅酸 |
| LTC3786 | 提高 | 6-21V | 21V/5A | 5S锂离子 |
| LTC3787 | 提高 | 12-21V | ~30V/10A | 24V 铅酸 |
| LTC3862 | 提高 | 10-20V | ~55V/4A | 48V 铅酸 |
| LTC3862 | 提高 | 19-24V | 42.5V/53.5V/5A | 11/13S 锂离子电池 |
| LTC1952-1 | 向前 | 36-75V | 53.5V/1.4A | 15S 磷酸铁锂4 |
| LTC3805 | 反 激 式 | 18-72V | 4.2A/2A | 1S锂离子 |
| NCP1230A | 反 激 式 | 110-220V 交流 | 14.4V/0.3A | 4S 磷酸铁锂4 |
图2.LTC4000 已构建和测试的应用
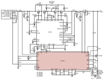
我不会花时间在这里详细介绍 LTC4000 电池充电器的特性和功能。最好通过查看数据表来完成。但为了让您稍微预览一下 – LTC4000 提供了对现代电池应用所需的输入电流、充电电流和电池电压的精确控制。为确保来自可用输入电源的功率流向适当的负载,LTC4000 采用一种智能 PowerPath 拓扑结构,该拓扑在输入功率有限时优先为系统负载供电。LTC4000 控制外部 PFET,以提供低损耗反向电流保护、电池的低损耗充电和放电以及瞬时接通操作,以确保即使在电池没电或深度放电的情况下,插入式时也能获得系统电源。LTC4000 (LTC4000-1) 的一个版本用输入电压控制取代了输入电流控制。这对于控制功率有限的电源(如太阳能电池板)很有用。图 3 示出了将 LTC4000-1 与 LTC3789 降压-升压型控制器结合使用的典型应用原理图。

图3.典型应用:LTC4000-1 太阳能电池板输入 6V 至 36V在至 14.4V/4.5A 降压-升压 4 节磷酸铁锂4充电器。
将输入电压限制在60V的功能是什么?LTC4000 可以控制的几个参数之一是平均输入电流。但是,此功能需要一个与主输入电源串联的检测电阻。接触检测电阻(CLN 和 IN)的引脚的最大额定电压为 60V。如果不需要平均输入电流限制,则 LTC4000 可由一个电阻器、齐纳二极管和电容器偏置,从而允许初级输入电压无限制地上升。在另一篇文章中,我将讨论有关LTC4000的一些特定应用细节,包括本文。
那么,如果您找不到适合您应用的电池充电器 IC,该怎么办?我建议您认真考虑 LTC4000。其宽输入和输出电压范围以及独特的拓扑结构可以将几乎任何 DC/DC(或 AC/DC)转换器变成功能齐全的电池电源管理系统。
审核编辑:郭婷