时间:2023-04-19 10:49
人气:
作者:admin
在高轨数电路板中管理电源和实现灵活性可能具有挑战性,需要使用数字电压表和示波器进行手动探测,并且经常对PCB组件进行返工。为了简化电源管理,特别是从远程位置,有一种趋势是通过数字通信总线配置和监控电源。数字电源系统管理 (PSM) 支持按需遥测功能,以设置、监控、更改和记录电源参数。
双通道μ模块稳压器,具有电源参数的精确读/写功能
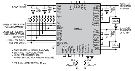
LTM4676 是一款双通道 13A 输出恒定频率开关模式 DC/DC μModule (微模块) 稳压器(图 1)。除了在负载点提供电源外,LTM4676 还通过 PMBus — 一种开放标准 I — 对电源和电源管理参数进行了可配置性和遥测监控2基于 C 的数字串行接口协议。LTM4676 将一流的模拟开关稳压器性能与精准的混合信号数据采集相结合。该器件在整个温度范围内具有 ±1% 的最大直流输出电压误差和 ±2.5% 的电流回读精度(TJ = –40ºC 至 125ºC),并集成了 16 位三角积分 ADC 和 EEPROM。

图1.LTM4676: 具 PMBus 接口的双通道 13A 输出 μModule 稳压器
LTM4676 的 2 线串行接口允许输出以可编程转换速率和排序延迟时间进行裕量调节、调谐和斜坡上升和下降。输入和输出电流和电压、输出功率、温度、正常运行时间和峰值都是可读的。该器件由快速、双模拟控制环路、精密混合信号电路、EEPROM、功率 MOSFET、电感器和支持元件组成,采用 16mm × 16mm × 5.01mm BGA(球栅阵列)封装。
LTM4676 采用一个 4.5V 至 26.5V 输入电源工作,并降压 V在至两个0.5V至5.4V输出。两个输出可以均流以提供高达 26A 的电流(即,13A + 13A 作为一条输出)。
内部或外部补偿
LTM4676 提供了内部或外部补偿,从而能够在很宽的工作范围内优化瞬态响应。图2显示,峰峰值输出电压仅为94mV,负载阶跃为50%。

图2.图 4676 中 LTM1 在 V 时的瞬态响应在= 12V, V输出1= 1.8V, IO = 6.5A ~ 13A
均流,在 100V 时高达 1A外
LTM4676 采用一种恒定频率峰值电流模式控制架构,该架构提供了一个逐周期电流限制和多个相位之间的轻松均流。并联模块可以实现更高的输出电流能力。例如,四个 LTM4676 μModule 稳压器可以并联以提供高达 100A 的输出电流。图3显示了热图像。在300LFM的气流下,热点温升仅为64.3°C。 模块之间的均匀热分布得益于出色的均流性能。图 4 是该演示板的照片,其中组装了四个 LTM4676 μModule 稳压器,可在 100V 时提供 1A 电流。

图3.四个 LTM4676 均流:V 时的热图像在= 12V, V外= 1.0V/100A,300LFM 气流

图4.4676 个 LTM16 (每个封装均采用 16mm × 5mm × 01.100mm LGA 封装,可在 1V 时提供 <>A 电流外.
结论
凌力尔特的数字电源系统管理 (PSM) 产品为用户提供关键的电源相关数据。可以访问负载电流、输入电流、输出电压、计算功耗、效率,并通过数字总线访问其他电源管理参数。这可以实现预测分析,最大限度地降低运营成本,提高可靠性,并确保可以做出明智的能源管理决策。利用 LTM4676 对系统电源进行按需数字控制和监视,消除了 PCB 布局和电路组件操作,并加快了原型设计、部署和现场操作期间的系统表征、优化和数据挖掘。
审核编辑:郭婷