时间:2023-05-03 06:25
人气:
作者:admin
镍带与纯镍片上沿对齐,公差+0-0. 2mm,负极点焊盖板点焊点(两个)均匀落在纯镍片上,拉力测试要求超过2Kgf时镍带不脱落、不断裂
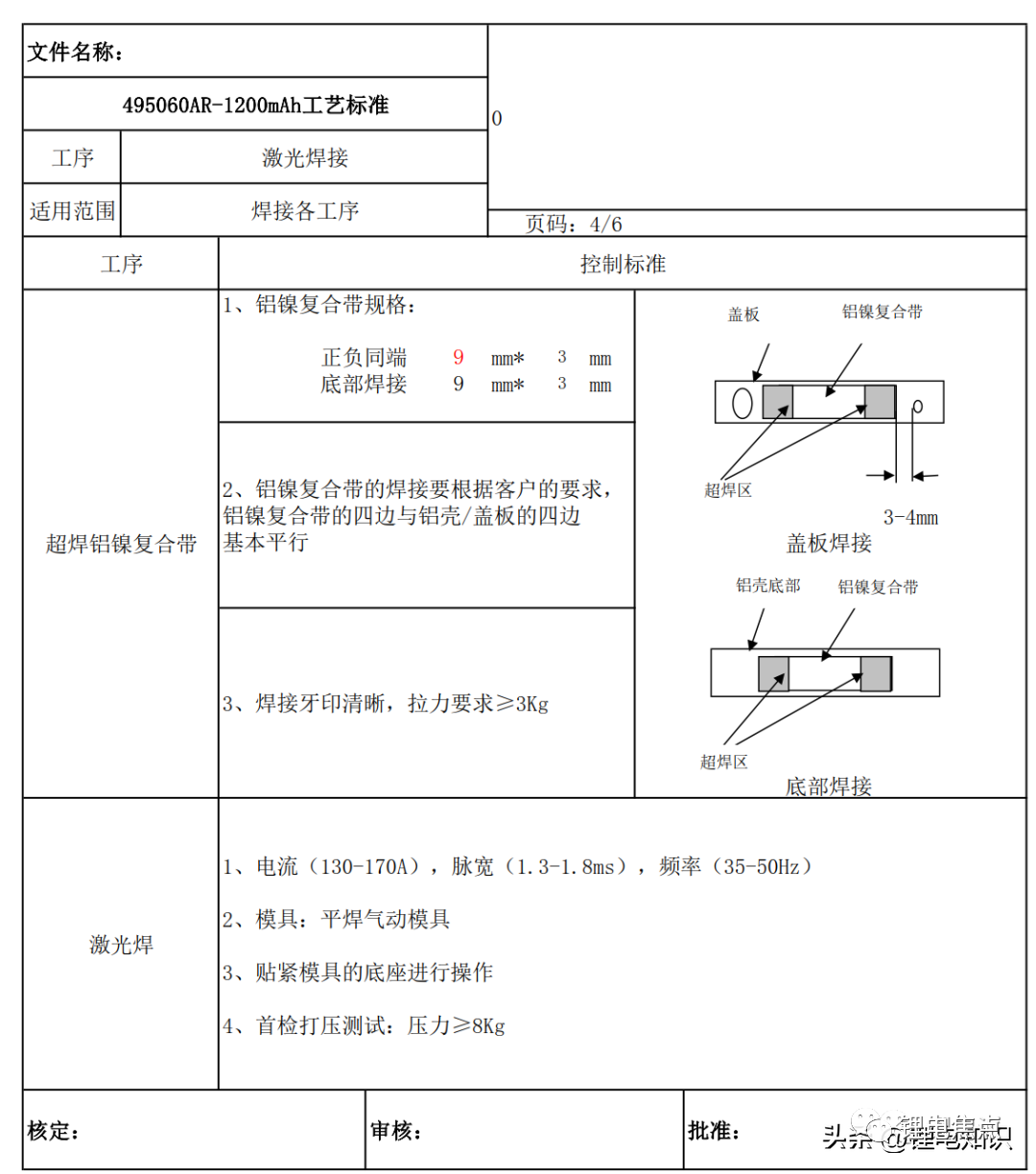
1、超焊位距离盖板上边沿大于1mm,
2、有效超焊区域: a》2. 5mmn;b》2mm; ,不能堵住正极超焊盖板注液孔
3、拉力测试要求超过1Kgf时铝带不脱落、不断裂
参数区


涂布

制片

组装

激光焊接

预充

套料单

生产套料单



编辑:黄飞