时间:2023-04-20 11:07
人气:
作者:admin
LT3752 包括许多可编程功能,因而适合于此应用。例如,各种栅极信号之间的可编程延迟用于防止交叉传导并优化效率,主MOSFET的可编程导通电流尖峰消隐(自适应前沿消隐和可编程扩展消隐)大大提高了转换器的抗扰度。LT3752 还包括一个用于产生内务管理电源的内部恒定频率反激式控制器,该控制器可有效地为初级和次级 IC 提供偏置,从而免除了从主正激变压器中的辅助绕组产生偏置电源的需要。
LT8311 用于副边,以通过一个光耦合器提供同步 MOSFET 控制和输出电压反馈。LT8311 提供了一个全功能光耦合器控制器,集成了一个 1.5% 基准、一个跨导误差放大器和一个 10mA 光驱动器。还包括电源良好监控和输出软启动/过冲控制。

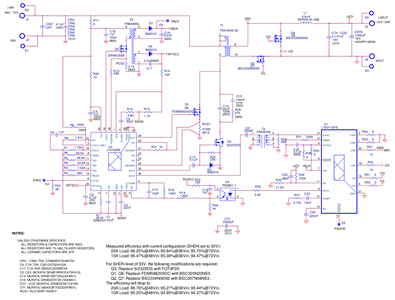
240W 隔离式正激转换器

效率与负载电流的关系

48VIN,12V/20A输出时的热图像,无强制通风(底部)

48VIN,12V/20A输出时的热图像,无强制通风(顶部)

启动电压为 48VIN,空载

启动电压为 48VIN, 满载 (20A)

10A-20A-10A 负载瞬态响应(48V输入)

4A-20A-4A 负载瞬态响应(48V输入)

输出电压纹波(48V输入,满载)
LT®3752 是专为一种有源箝位正激式转换器拓扑而优化的电流模式 PWM 控制器。包括一个 DC/DC 内务管理控制器,以提高效率和性能。LT3752 允许在高达 100V 的输入下运作,而 LT3752-1 专为输入电压大于 100V 的应用而优化。可编程伏秒箝位允许初级开关占空比高于 50%,以实现较高的开关、变压器和整流器利用率。有源箝位控制可降低开关电压应力并提高效率。同步输出可用于控制次级侧同步整流。
LT8311 用于正激式转换器的副边,以通过光耦合器提供同步 MOSFET 控制和输出电压反馈。LT8311 独特的预激活模式允许控制次级侧 MOSFET,而无需使用传统的脉冲变压器进行初级侧至次级侧通信。在预激活模式下,输出电感电流在轻负载时以非连续导通模式 (DCM) 工作。如果需要在轻负载条件下采用强制连续模式 (FCM) 操作,则 LT8311 也可在 SYNC 模式下使用,在该模式下,需要一个脉冲变压器将同步控制信号从初级侧 IC 发送到 LT8311。
审核编辑:郭婷
上一篇:电压可以是负的吗?
下一篇:简述系统里的负电压及正电压转换