时间:2023-04-20 11:09
人气:
作者:admin
LTM4630 是一款双通道 18A 或单通道 36A 输出开关模式降压型 DC/DC μModule (微模块) 稳压器。封装中包括开关控制器、功率 FET、电感器和所有支持元件。LTM4 可在一个 5.15V 至 4630V 的输入电压范围内运作,支持两个输出,每个输出的输出电压范围为 0.6V 至 1.8V,每个输出均由单个外部电阻器设定。其高效率设计为每个输出提供高达 18A 的连续电流。该器件支持频率同步、多相操作、突发模式操作和用于电源轨排序的输出电压跟踪,并具有用于器件温度监控的板载温度二极管。®
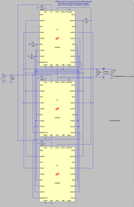
下面的电路是一个 6 相解决方案,用于演示 LTM4630 的高电流和效率。该电路支持 11V 至 13V 的输入电压范围,并在 0A 电流下产生 95.80V 的良好稳压输出。本例中使用 3 个并联 LTM4630 突出了该器件的均流和热性能。

高效6相80A降压稳压器
LTM4630 提供了高电流和高效率解决方案。

85% 效率,VIN = 12V 和 Vout = 0.95V @ 80A,Fsw=500kHz
该设计可使用全陶瓷输出电容(26 x 100μF)实现,仍能实现《10mV稳态纹波。

在整个负载范围内稳态纹波小于 10mV
通过增加一个前馈电容器可以提高合理的环路性能。..

环路增益:带宽 = 59k,相位裕量 = 44°
高开关频率和电流模式架构可在不牺牲稳定性的情况下对线路和负载变化做出非常快速的瞬态响应。

瞬态响应
LTM4630 在没有气流和散热器的情况下升至 64°C。在 200FPM 气流下,温升降至 43°C。

散热测试:无散热器
利用散热器但没有气流的情况下,LTM4630 的温度将升至 46°C。 利用散热器和 200FPM 气流,LTM4630 的温升仅为 20°C。

使用散热器进行热测试
LTM4630 与 LTM4620 和 LTM4620A (双通道 13A、单通道 26A) 以及 LTM4628 (双通道 8A、单通道 16A) 引脚兼容;16mm × 16mm × 4.41mm LGA 封装,16mm × 16mm × 5.01mm BGA 封装。
审核编辑:郭婷
上一篇:简述系统里的负电压及正电压转换
下一篇:负电压是如何产生的