时间:2023-04-20 11:37
人气:
作者:admin
LT®3790 是一款 4 开关同步降压-升压型 DC/DC 转换器,其仅利用单个电感器以高达 98.5% 的效率调节恒定电压和恒定电流。它可以提供数百瓦的功率,并具有 60V 的输入和输出额定值,使其成为需要升压和降压转换的理想 DC/DC 稳压器和电池充电器。
单个 LT3790 转换器由于其同步开关拓扑结构而可提供高功率,但最终,较高功率下的开关和 / 或传导损耗可能会使电路板发热过多的单个转换器不堪重负。虽然可以通过增大的散热器、额外的外部栅极驱动器和/或强制气流来减轻热量,但最好简单地将两个或多个转换器并联在一起以分散负载。利用 LT3790 降压-升压型稳压器很容易做到这一点。
理想情况下,并联开关转换器在整个输出范围内平均分担负载。LT3790 能够在恒定电压或恒定电流操作中运行,因而允许一个主转换器控制输出电压,而其电流监视器输出 (ISMON) 则告知一个或多个从转换器要调节多少输出电流 (CTRL 输入) 以匹配其自身的输出电平。使用这种技术,多个转换器之间的电流匹配几乎是理想的。

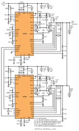
图1.两个 LT3790 24V 稳压器易于并联,以实现双倍输出,同时具有有限的分立组件温升。
主机的CLKOUT引脚可以直接连接到从设备的SYNC输入引脚,以实现两个并联转换器的180°相位交错。转换器之间的 180° 相位差降低了转换器的整体输出纹波,而不是加倍。如果两个以上的转换器并联连接,则可以同步它们以相移或与外部时钟源同相操作,或菊花链式CLKOUT引脚。
图 1 中的电路示出了由两个 LT24 并联运行而成的 10V、25A(或特定条件下为 3790A,参见图)稳压器。通过使用两个并联电路,M20和M3 MOSFET在7V输入时的最大温升仅为12°C,在50V输入时为9°C。顶部转换器(主)调节24V输出电压,并命令由底部(从)转换器调节的电流电平。主机的ISMON输出指示主机提供的电流量,通过将ISMON直接连接到从设备的CTRL输入,从设备被迫跟随主机。LT3790 ISMON输出电平和CTRL输入电平的映射相同,因此可以从一个直接连接到另一个,这样做会强制总输出电流在并联转换器之间平均分配,如下图2所示。请注意,从机的输出电压设置得略高(28V),以便从机的电压反馈环路不在调节状态,允许其跟随主机。

图2.并联转换器电感和输出电流匹配。
瞬态响应和网络分析仪环路分析可用于测量稳定性。50%至100%电流的瞬态响应(如图3所示)展示了适当补偿的转换器和均等共享的负载电流。

图3.并联转换器瞬态响应均匀共享电流。
审核编辑:郭婷
下一篇:石墨烯5大应用趋势总结