时间:2023-04-13 10:17
人气:
作者:admin
LTC®3856 是一款功能丰富、功能丰富的通用型单输出两相同步降压型控制器,具有片内驱动器、远端输出电压检测、电感器 DCR 温度补偿、级脱落™模式和有源电压定位 (AVP)。它适用于将 4.5V–38V 的输入转换为 0.6V 至 5V 的输出。LTC3856 有助于为电信和数据通信系统、工业和医疗仪器、DC 配电系统和计算机系统设计高效率、高功率密度解决方案。该控制器采用 32 引脚 5mm × 5mm QFN 和 38 引脚 TSSOP 封装。
主要特点
LTC3856 的恒定频率峰值电流模式控制架构提供了一个高达 770kHz 的可锁相频率。对于高频应用而言,LTC3856 由于其小的最小导通时间 (90ns) 得以在低占空比下工作,从而能够在非常小的空间内产生一个较大的降压比应用。
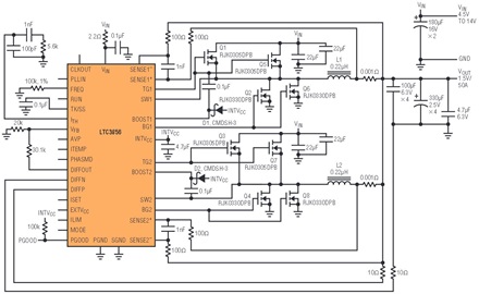
LTC3856 包括一个用于远端输出电压检测的高速差分放大器,该放大器可消除重负载条件下由 PCB 压降引起的调节误差。图1所示为典型的4.5V~14V输入、1.5V/50A输出应用原理图。

图1.一款 1.5V/50A、两相转换器,内置 LTC2。
LTC3856 的两个通道采用反相操作,从而减小了输入 RMS 电流纹波,从而减小了输入电容。通过使用 CLKOUT、PLLIN 和 PHASMD 引脚,可将多达 3856 个 LTC12 组合在一起以实现 3856 相操作。由于其峰值电流模式控制架构,LTC2 提供了快速逐周期动态均流和紧密的 DC 均流,如图 所示。

图2.负载瞬态性能。
LTC3856 的最大电流检测电压可选择 30mV、50mV 或 75mV,因而允许使用电感器 DCR 或分立式检测电阻器作为检测元件。电感绕组电阻 (DCR) 随温度而变化,因此 LTC3856 通过 ITEMP 引脚检测电感器温度,并在很宽的温度范围内保持一个恒定的电流限值。它使高效电感DCR检测在大电流应用中更加可靠。
在重负载条件下,LTC3856 在恒定频率 PWM 模式中工作。在轻负载下,它可以在以下三种模式下工作:突发模式操作、强制连续模式和级脱落®™模式。突发模式操作在一到几个周期的脉冲序列中切换,输出电容器在内部休眠期间提供能量。这在非常轻的负载下提供了最高的效率。强制连续导通模式 (CCM) 提供从空载到满负载的连续 PWM 操作,从而提供尽可能低的输出电压纹波。可编程级脱落模式是 LTC3856 所独有的。在级脱落模式下,一个通道可在轻负载时关断,以减少与开关相关的损耗,从而在负载范围内提高效率,最高可达满载的 20%。
可编程有源电压定位 (AVP) 是 LTC3856 的另一个独特设计特性。AVP 根据其电流负载修改稳定的输出电压。AVP可以改善整体瞬态响应并节省输出电容。
载物台脱落模式
在轻负载下,与开关相关的功率损耗在总损耗中占主导地位。利用级减除模式,LTC3856 能够在轻负载条件下关断一个通道,以减小与开关相关的损耗。当 MODE 引脚连接至 INTVCC 时,LTC3856 进入级脱落模式。这意味着第二个通道在 I千低于某个编程阈值。阈值电压V棚在我千根据以下公式进行编程:

有一个精密的7.5μA电流从ISET引脚流出。将电阻连接到 SGND 可设置 V艾赛特电压。
电流模式控制允许 LTC3856 从 2 相操作平稳过渡到 1 相操作,反之亦然,如图 3 和图 4 所示。电压模式、多相电源无法在 1 相和 2 相操作之间平稳转换。

图3.级脱落模式:2 相到 1 相转换。

图4.级脱落模式:1 相到 2 相转换。
载物台脱落模式带来的效率改进如图5所示。由于具有更强的栅极驱动器和更短的死区时间,LTC3856 在整个负载范围内可实现比 LTC4(一款相当的单输出、两相控制器)高约 5%~3729% 的效率。通过级脱落模式,在轻负载下可进一步显著提高效率。在2%负载下,效率提高5%。

图5.效率比较。
有源电压定位
瞬态性能是最新电源要求中的一个重要参数。为了最大限度地减小负载阶跃期间的电压偏移,LTC3856 采用 AVP 来降低由负载阶跃引起的峰峰值输出电压偏差,而不必增加输出滤波器电容。同样,在应用中可以降低输出滤波器电容,同时保持峰峰值瞬态响应。
LTC3856 通过监视检测电阻器 R 两端的电压来检测电感器电流信息意义或两个通道的DCR传感网络。压降相加并施加为V预 AVP在 AVP 和 DIFFP 引脚之间,通过电阻器 R 连接预 AVP.然后,V预 AVP通过 R 缩放AVP并添加到输出电压中作为负载压降的补偿。如图6所示,载荷斜率(R下垂) 设置为:

通过适当的设计,AVP可以将负载瞬态引起的峰峰值电压尖峰降低50%,如图7和图8所示。

图6.可编程 AVP。

图7.瞬态性能,无需 AVP。

图8.AVP 的瞬态性能。
结论
LTC3856 为其小型 5mm × 5mm 32 引脚 QFN 封装提供了一套超大的功能。它可以使用温度补偿 DCR 检测和级脱落模式/突发模式操作来高效运行。即使输出电容降低,AVP也可以改善瞬态响应。跟踪、强大的片上驱动器、多芯片操作和外部同步功能填补了其功能菜单。LTC3856 非常适合高电流应用,例如电信和数据通信系统、工业和计算机系统应用。
审核编辑:郭婷