时间:2023-04-11 10:58
人气:
作者:admin
LTC4217 热插拔控制器以一种受控方式打开和关闭电路板的电源电压,从而允许该电路板安全地插入和拔出带电背板。毫不奇怪,这通常是热插拔控制器所做的事情,但 LTC4217 具有一种特性,使其优于其他热插拔控制器。它通过将控制器、MOSFET 和检测电阻器集成到单个 IC 中,简化了热插拔系统的设计。这节省了大量的设计时间,否则需要花费在选择最佳控制器/MOSFET 组合、设置电流限值以及仔细设计布局以保护 MOSFET 免受过度功耗的影响上。
与分立解决方案相比,集成解决方案的一个显著优势是电流限制精度是众所周知的。在分立式解决方案中,电流限值的总体精度是增加贡献元件容差的函数,而在LTC4217中,它显示为单个2A规格。
该集成解决方案还通过优化 MOSFET 和检测电阻连接来简化布局问题。浪涌电流、电流限制阈值和超时无需外部元件即可设置为默认值,或使用电阻器和电容器轻松调整,以更好地适应各种应用。该器件能够覆盖 2.9V 至 26.5V 的宽电压范围,并包括一个温度和电流监视器。MOSFET 通过使用限时折返电流限制和过热保护保持在安全工作区 (SOA)。
LTC4217 可方便地应用于其基本配置,或者通过几个额外的外部组件来设置,以用于具有特殊要求的应用。
监控场效应管
LTC4217 具有 MOSFET 电流和温度监视功能。电流监视器输出与 MOSFET 电流成比例的电流,同时提供与 MOSFET 温度成比例的电压。这允许外部电路预测可能的故障并关闭系统。
MOSFET 中的电流通过检测电阻,检测电阻上的电压转换为从 IMON 引脚源出的电流。对于 1A 的 MOSFET 电流,IMON 的增益为 50μA。输出电流可利用外部电阻器转换为电压,以驱动比较器或ADC。IMON引脚的电压顺从范围为0V至(INTVCC – 0.7V)。
MOSFET 温度与 ISET 引脚上的电压呈线性对应,温度曲线如图 1 所示。在室温下,该引脚上的开路电压为0.63V。此外,当控制器管芯温度超过145°C时,过热关断电路关断MOSFET,当温度降至125°C时再次导通。

图1.V艾赛特与温度的关系
图 2 示出了采用默认设置的 12V 热插拔应用中的 LTC4217-12。唯一需要的外部元件是 INTVCC 引脚上的电容器。电流限制、浪涌电流控制和保护定时器在内部设定为保护集成 MOSFET 的水平。输入电压监视器预设为 12V 电源,使用 VDD 电源的内部电阻分压器来驱动 UV 和 OV 引脚。当VDD低于9.23V时,就会发生紫外线条件;VDD 超过 15.05V 时的 OV。

图2.12V、1.5A卡驻留应用
LTC4217 以受控方式接通和关断电路板的电源电压,从而允许该电路板安全地插入带电背板或从带电背板上拔出。在内部 MOSFET 导通之前,必须满足几个条件。首先,VDD 电源超过其 2.73V 欠压闭锁电平,内部生成的 INTVCC 跨越 2.65V。接下来,UV和OV引脚必须指示输入功率在可接受的范围内。必须在 100ms 的持续时间内满足这些条件,以确保插入期间的任何触点反弹都已结束。
然后,MOSFET通过一个受控的0.3V/ms栅极斜坡导通,如图3所示。输出电容器的电压斜坡跟随栅极斜坡的斜率,从而将电源浪涌电流设置为:


图3.电源开启
o 进一步降低浪涌电流,通过在栅极到地之间添加一个斜坡电容器(带有 1K 串联电阻器),使用比默认 0.3V/ms 更浅的电压斜坡。
当 OUT 接近 VDD 电源时,电源良好指示器 (PG) 变为活动状态。电源良好的定义是FB引脚上的电压超过1.235V,而GATE引脚为高电平。FB 引脚通过 OUT 引脚的内部电阻分压器监视输出电压。一旦OUT电压超过10.5V门限,栅极至输出电压超过4.2V,PG引脚停止拉低,表示电源良好。一旦输出到达VDD电源,栅极斜坡上升,直到箝位在高于OUT的6.15V。
LTC4217 具有一个具有折返功能的可调电流限值,可针对短路或过负载电流提供保护。默认电流限值为 2A,可通过在 ISET 引脚和地之间放置一个电阻来调节更低的电流限值。为防止在有功电流限制期间开关功耗过大,可用电流会根据FB引脚检测到的输出电压而减小,如图4所示。

图4.电流限制阈值折返
当限流电路接合的时间超过定时器设置的延迟时,就会发生过流故障。将TIMER引脚连接至INTCCC可将器件配置为使用预设的2ms过流超时和100ms冷却时间。冷却100ms后,如果过流故障已清除,则允许开关再次导通。将UV引脚置于0.6V以下,然后调高即可清除故障。将FLT引脚连接到UV引脚可使器件自行清除故障,并在冷却100ms后再次导通。
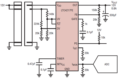
可编程功能
图 5 所示的 LTC4217 应用演示了可调特性。

图5.0.8A、12V 卡驻留应用
UV和OV电阻分压器设置欠压和过压关断阈值,而FB分压器确定电源良好跳变点。GATE 引脚上的 R-C 网络将栅极斜坡从默认的 0.3V/ms 降低至 0.24V/ms,以降低浪涌电流。
20k ISET 电阻器与内部 20k 电阻形成一个电阻分压器,以将电流限制阈值(折返前)降低到 1A 电流限制的原始阈值的一半。图6中的图表显示了ISET电阻随变化时的电流限制阈值。

图6.限流调整
与前面的应用一样,UV和FLT信号连接在一起,以便器件在关断后自动重试导通,以解决过流故障。
本例在IMON引脚上放置一个20k电阻,将电流监视器输出的增益设置为每安培MOSFET电流1V。
不是将TIMER引脚连接到INTCCC引脚以获得默认的2ms过流超时,而是使用一个外部0.47μF电容来设置5.7ms超时。在过流事件期间,外部定时电容器以 100μA 的上拉电流充电。如果电容器上的电压达到 1.2V 门限,则 MOSFET 关断。定时电容器值的设定公式如下:

当 MOSFET 处于冷却状态时,LTC4217 会对定时电容器放电。当电容电压达到0.2V时,启动内部100ms定时器。在此冷却期之后,故障被清除(使用自动重试时),并允许MOSFET再次导通。
当将断路器超时延长至2ms以上时,考虑MOSFET的安全工作区域非常重要。LTC4217 中使用的 MOSFET 的 SOA 图如图 7 所示。当折返电流限值的电压与电流曲线达到最大值时,会出现最糟糕的功耗。当电流为1A且电压为12V或6V的一半时,就会发生这种情况(参见图4,0.7V时的FB引脚)。在这种情况下,功率为 6W,这决定了最长时间为 100ms(图 7,在 6V 和 1A 时)。

图7.场效应管单离子碱性波动曲线
结论
LTC4217 的主要作用是控制热插入并提供电子断路器功能。此外,该器件还包括对 MOSFET 的保护,重点是 SOA 合规性、热保护和精确的 2A 电流限制。由于具有可调浪涌电流、过流故障定时器和电流限制阈值,它还适用于各种应用。高集成度使得 LTC4217 易于使用,而且用途广泛。
审核编辑:郭婷