时间:2023-04-12 11:15
人气:
作者:admin
LTC3865 是一款高性能降压型控制器,具有两个恒定频率、电流模式、同步降压型控制器和片内驱动器。它在宽输入范围内提供高输出电流能力。LTC3865 提供的一个重要特性是其高准确度的可编程输出电压。内部精密反馈电阻可通过两个 VID 引脚从 1 种不同的输出电压中进行选择。内部电阻器减少了外部元件的数量,并确保低压轨的精度为1%。
LTC3865 适合于输入电压高达 38V 和输出电压高达 5V 的应用。它可以同步到高达 750kHz 的频率,并采用紧凑的 5mm × 5mm QFN 封装。该器件还能够进行电感 DCR 检测,从而在较高负载电流下提高效率。这些特性非常适合设计解决方案尺寸受限的宽输入电压范围、高电流应用。
引脚可选输出
LTC3865 具有引脚可编程输出电压。将每个通道的两个 VID 引脚连接到 INTV抄送、GND 或让它们保持浮动会导致 0.6V 至 5V 的九种不同输出电压(见表 1)。引脚编程省去了至少四个外部反馈电阻,使整体设计解决方案空间保守且具有成本效益。如果应用需要引脚编程不支持的输出电压,仍然可以选择使用外部电阻来设置输出电压。由于 LTC3865 集成了精准反馈电阻器,因此它可以在 1.0V 至 6.1V 的输出范围内实现 8% 的输出准确度,对于 1.5V 至 2V 的输出准确度可实现 5.5% 的输出准确度,并在 −40°C 至 85°C 的温度范围内保持此准确度。
| VID11/VID21 | VID21/VID22 | V输出1/V输出2(五) |
| 国际电视抄送 | 国际电视抄送 | 5.0 |
| 国际电视抄送 | 浮 | 3.3 |
| 国际电视抄送 | 接地 | 2.5 |
| 浮 | 国际电视抄送 | 1.8 |
| 浮 | 浮 | 0.6 或外部分压器 |
| 浮 | 接地 | 1.5 |
| 接地 | 国际电视抄送 | 1.2 |
| 接地 | 浮 | 1.0 |
| 接地 | 接地 | 1.1 |
R意义和直流电阻传感
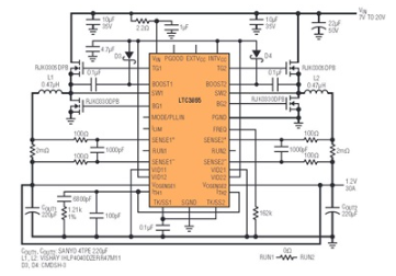
对于要求在高负载电流下实现最高效率的应用,与DCR检测相比,检测电阻会牺牲几个百分点的效率。电感DCR是电感铜绕组电阻的表现形式。在高电流应用中,典型电感值较低,因而允许使用DCR值低于1mΩ的高饱和电流电感。DCR 电流检测通过检测低铜 DCR 两端的压降来监控电感电流,从而利用这一点。这消除了检测电阻及其额外的功率损耗,从而提高了效率并降低了解决方案尺寸和成本。DCR检测应用示例如图1所示。图 2 显示了效率比较。

图1.直流电阻传感应用。

图2.图1所示电路的效率。
多相操作
LTC3865 以 180° 错相方式操作两个通道。这降低了所需的输入电容和电源引起的噪声。凭借其电流模式架构,它可以配置为双路输出,或两个功率级连接在一起的单路输出。
双相单输出应用易于配置;只需绑定渠道的补偿 (ITH)、反馈 (VFB)、使能 (RUN)、电源良好 (PGOOD) 和跟踪/软启动 (TRK/SS) 引脚。通过将有效开关频率和交错相位加倍,单输出配置最大限度地减少了所需的输入和输出电容以及电压纹波,并允许快速瞬态响应和增强的电流能力。双相单输出应用的示例如图3所示。

图3.单输出应用。
具有负反向电流限制的输出过压保护
保护IC免受过压条件影响的传统方法是使用过压比较器,以防止瞬态过冲(>10%)以及其他可能导致输出电压过冲的更严重情况。在这种情况下,顶部 MOSFET 关断,底部 MOSFET 导通并保持导通,直到输出电容释放过多能量,使输出恢复稳压。
无限期打开底部MOSFET以清除过压情况的一个问题是,有时需要过大的反向电流才能对输出电容放电。在这些情况下,底部FET会经历极端的电流应力。为避免这种情况,LTC3865 增加了一个 –53mV 的反向电流限值。通过设定允许的反向电流量下限,LTC3865 可限制底部 FET 的导通时间。此功能在动态重新编程输出电压的应用中非常重要。例如,如果输出电压从1.8V更改为1.5V,则激活反向电流限制,如图4所示。

图4.作为 V外从 1.8V 转换到 1.5V,采用 –53mV 反向电流限制和 10mΩ 检测电阻,反向电感电流限制在 5.3A 左右。
频率选择和模式/PLLIN频率
为了最大限度地提高轻负载条件下的效率,LTC3865 可设置为自动突发模式操作。或者,为了以牺牲轻负载效率为代价将噪声降至最低,可以将其设置为在强制连续导通模式下工作。对于相对较高的效率和低噪声操作,可以将其设置为两者的混合运行,即脉冲跳跃模式。脉冲跳跃模式与强制连续模式一样,与突发模式操作相比,具有更低的输出纹波、低音频噪声和更低的射频干扰。它还提高了轻负载效率,但不如突发模式操作那么多。®
MODE/PLLIN 引脚上的时钟强制控制器进入强制连续模式,并将内部振荡器与此引脚上的时钟同步。集成在该引脚上的锁相环由一个内部压控振荡器和一个鉴相器组成。这允许控制器 1 的顶部 MOSFET 的导通锁定到施加到 MODE/PLLIN 引脚的外部时钟信号的上升沿。LTC3865 的频率范围为 250kHz 至 750kHz。如果未施加外部同步信号,则有一个 7.5μA 的精准电流从 FREQ 引脚流出,该电流可用于通过从引脚到 SGND 的单个电阻器将 LTC3865 的工作频率从 250kHz 设置为 750kHz。
结论
LTC®3865 降压型稳压器非常适合于需要电感器 DCR 检测以实现重负载条件下最高效率的应用。它能够调节两个独立的输出,并可通过将其通道连接在一起和/或通过并联额外的 LTC3865 功率级来配置为更高的负载电流能力。LTC3865 的 VID 可编程输出电压减少了器件数量,同时提高了设计灵活性。这些特性,加上其额外的负反向电流限制和集成的 PLL 特性,使得 LTC3865 非常适合多种应用。
审核编辑:郭婷