时间:2023-04-08 10:26
人气:
作者:admin
若您是一名设计师,负责将系统中的USB端口迁移到最新的USB标准和USB Type-C连接器,那么您可能已考虑过一些事情。
ESD保护
首先,与从外部将连接器暴露给用户的所有系统一样,您的系统需具有国际电工委员会(IEC)61000-4-2静电放电(ESD)保护。您还需要保护比以前的USB Type-A或USB Micro-B连接器更多的信号引脚。24引脚USB Type-C连接器(图1)需要为两个差分对(D + / D-)提供ESD保护,用于USB 2.0数据;四个差分对用于最高可达20Gbps(TX / RX)的超高速数据总线、边带使用(SBU)引脚和两个配置通道(CC)引脚,用于检测电缆方向。

图1:全功能的USB Type-C插件引脚排列
过压保护
其次,随着高达100 W USB电源输出(PD)的引入,VBUS引脚现在可承载高达20V的电压电平。若VBUS短路到相邻的CC,可能对下游USB Type-C控制器或SBU引脚造成严重损坏。为防止硬件系统故障,除ESD保护之外,连接器还需要过电压保护。听起来很简单,是吗?
考虑到过压保护(OVP)事件的风险,ESD二极管本身也必须能够承受20VDC。目前许多较高耐压保护选项在电压过高时钳位,在IEC ESD触发事件中保护下游控制器。现在考虑当电缆存在于连接器处(或当电缆不存在)时,短路到VBUS事件中对系统的影响。当电缆引起可能超过40V的振铃时,解决方案必须保护系统。简而言之,坚固的USB Type-C连接器保护不仅需要标准ESD二极管,而且需要具有更高电压、直流耐受的瞬态电压抑制器(TVS)二极管。
需要在OVP和IEC ESD保护的连接器进行系统保护,但是一个完整的USB Type-C端口保护解决方案应该使您的系统符合新的USB标准的规格。例如,若您的系统利用USB Type-C的新功能(例如支持超高速通信),则USB Type-C规范要求CC线路上的VCONN支持为活动电缆供电。要使OVP解决方案在CC线路上运行,必须支持通过5.5VDC电源轨。端口保护还必须具有低导通电阻(RON),以确保电源轨上的总压降不超过USB规范要求。
若您的系统是电池供电型,依靠Type-C连接器作为电源,则解决方案必须保护CC线路免受过压状况,即使在电池电量耗尽的情况下也是如此。
这些及其他复杂场景得出一个鲁棒的解决方案,保护USB Type-C端口不像添加ESD保护二极管和OVP FET那么直接易见。OVP FET需要承受由高压离散TVS二极管给出的钳位电压,这使得FET成本高且体积大,具有较低的RON要求。这使得离散实现变得复杂且成本昂贵,同时在USB Type-C连接器的紧凑尺寸周围消耗的占用面积也很大。
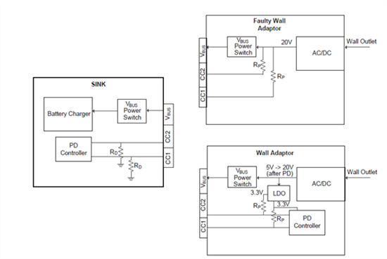
最后,若您正在阅读此文,可自己思考,“我的系统很简单,因为它不支持更高瓦数(> 15W)的PD功能,完全符合<15W PD的规格,”注意已发现市场上大百分比的USB Type-C电缆和适配器不符合标准,而其他类型可能有故障(图2)。即使在5V系统中,在与控制器的PD协商之前,也存在可能发生高达20V的短路至VBUS的风险。就像这样,系统损坏,您的产品声誉将会受损。

图2:常规和故障型壁式适配器的CC引脚暴露
审核编辑:郭婷