时间:2023-04-08 11:35
人气:
作者:admin
1、DCDC芯片自举电容
我们经常见到部分型号DCDC芯片电路有这种自举电容,而有些DCDC芯片却没有这个电容,如下面两款DCDC。很多人不知道这个自举电容有什么作用,虽然按照厂商的推荐电路设计也没有什么问题,但是不懂电路细节确实不妥。
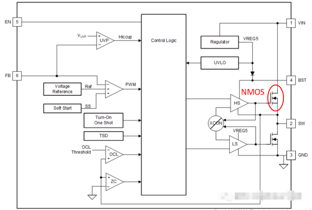
型号:TPS563203,有自举电容。

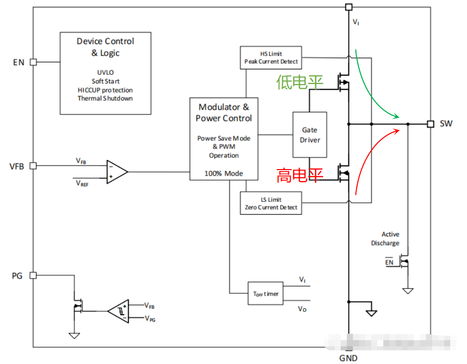
型号:TPS62A01,没有自举电容。

2、两款芯片的结构框图:
TPS563203结构框图如下,此款芯片上管为NMOS。

TPS62A01结构框图如下,此款芯片上管为PMOS。

3、驱动方式
1)TPS62A01驱动方式:
这种类型的芯片驱动方式好理解,驱动电路输出高电平,下管的Vgs大于开启电压,开始导通。同样道理驱动电路输出低电平,上管导通,下管截止。PMOS和NMOS交互导通。

2)TPS563203驱动方式:

以上芯片框图中可以看出,此芯片上管使用NMOS,因为上管的源极不是接地设计,所以上管导通后,源极电压比较高,几乎就是Vin,所以要想上管持续导通,至少使栅极电压比源极电压高一个MOS管开启电压,也就是至少比Vin高一个开启电压,这就用到了电容自举。当上管截止,下管导通,此时SW管脚被下管强行拉到GND,自举电容通过二极管充电,电压充至Vc,如上图绿色箭头所示。当上管导通,下管截止时,SW管脚不为0,假设为Vsw,此时电容的上端电压为Vsw+Vc,下端是Vsw。但是电容两端电压差仍然是Vc,理由是电容两端电压不能突变。这个自举电容跨在上管的源极和栅极之间,也就是说栅极和源极之间的电压差为Vc,这个电压差就是为了保证上管的Vgs大于开启电压,使上管能正常开启。自举电容的作用就是抬高上管的栅极电压。
4、题外话
上管使用NMOS增加了一些芯片设计复杂度。为什么有的DCDC中的上管仍然使用NMOS?上篇文章介绍了PMOS的导通电阻比较大,流过相同电流压降较大,发热量大,效率低,因此在大功率DCDC中上管一般使用NMOS,小功率DCDC使用PMOS设计简单,成本低。