时间:2023-04-08 11:34
人气:
作者:admin
详细介绍了用于计算和预测开关模式电源 (SMPS) 每个组件的效率损耗的技术。此外,还讨论了提高开关稳压器效率的特性和技术。
介绍
转换效率是所有开关模式电源(SMPS)的首要考虑因素,但对于便携式设备中的转换效率更为重要,因为延长电池寿命是关键目标。对于难以进行热管理的紧凑型设计,或关注供电成本的产品,高效率也是必须的。
为了在SMPS中实现最大的转换效率,了解这些转换器的基本功率损耗机制,以及可以采取哪些措施来减轻其影响,是很有帮助的。此外,熟悉有助于提高效率的SMPS IC功能使工程师能够做出明智的选择。将解释影响SMPS效率的基本因素,并就如何启动新设计提供指导。我们从一些介绍性材料开始,然后转到特定的开关元件功率损耗。
效率期望
能量损失是能量转换系统中不可避免的一部分。虽然无法实现100%高效的系统,但精心设计的电源可以实现相当显着的效率,接近90年代中高的百分比。
大多数电源IC的基准效率可以通过检查器件数据手册中的典型工作特性来获得。在Maxim的数据资料中,这些数据可以作为实际测量结果。任何IC供应商的数据都应该如此,但我们只能为自己担保。SMPS就是一个例子,图1中的降压转换器电路可实现高达97%的效率,即使在轻负载下也能保持高效率。
如此高效率的数字是如何实现的?了解所有SMPS共有的基本损耗是一个很好的开端。这些损耗主要发生在开关元件(MOSFET和二极管)中,通常在较小程度上发生在电感器和电容器中。然而,当使用特别低成本(和高电阻)的元件时,电感和电容损耗可能更为显著。
关于IC,可以选择控制架构选项和组件集成等防止效率损失的特殊功能。例如,图1中的电路采用了多种损耗最小化特性,包括同步整流、集成低电阻MOSFET、低静态电流消耗和脉冲跳跃控制架构。随着本文的展开,将讨论这些好处。

图1.降压转换器IC,如MAX1556,采用低电阻MOSFET和同步整流等特性,实现持续超过95%的效率,如附图所示。
降压型开关电源概述
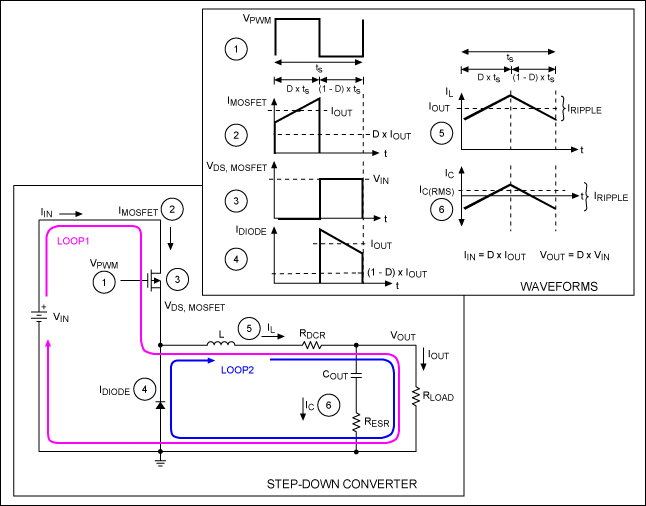
虽然将要讨论的损耗适用于所有SMPS拓扑,但以下文本引用了图2所示的通用降压(或降压)转换器电路。该图还突出显示了将在以后的计算中引用的电路波形。

图2.通用降压型SMPS电路及其相关波形提供了一个很好的示例,用于说明所有SMPS拓扑的基本概念。
降压转换器的主要功能是将较高的直流输入电压降低到较低的直流输出电压。在此过程中,MOSFET 以恒定调制频率 (fS) 通过脉宽调制 (PWM) 信号。当 MOSFET 导通时,输入电源为电感器和电容器 (L 和 C外) 并向负载供电。在此期间,电感电流的大小在流过环路1时逐渐上升,如图2所示。
当MOSFET关断时,输入电源与电感断开,电感和输出电容支撑负载。电感电流的大小在流过二极管时,沿着环路2指示的路径逐渐减小。MOSFET 导通的开关周期分数由 PWM 信号的占空比 (D) 定义。D 将每个开关周期划分为 [D × tS] 和 [(1 - D) × tS]间隔,分别与MOSFET传导(环路1)和二极管导通(环路2)相关。所有SMPS拓扑(降压、反相等)都使用这种开关周期划分来实现电压转换。
对于降压转换器,较大的占空比会向负载驱动更多能量,从而增加平均输出电压。相反,平均输出电压随着占空比的减小而降低。由于这种关系,降压型SMPS的理想化(不包括二极管或MOSFET压降)转换比为:
VOUT = D × VIN
IIN = D × IOUT
需要注意的是,任何SMPS在特定间隔中停留的时间越长,与该间隔相吻合的相对损耗就越大。对于降压转换器,低D(因此,低V)外) 导致环路 2 周围的相对损耗更大,因为环路主导了开关周期。
开关元件损耗
MOSFET 传导损耗
图2中的MOSFET和二极管(以及大多数其他DC-DC转换器拓扑)往往是造成最大功率损耗的原因。两者都遭受两种功率损耗:传导和开关损耗。
MOSFET 和二极管充当开关,在每个开关间隔内将电流路由到电路中。导通损耗在MOSFET的导通电阻中产生(RDS(ON))和二极管的正向电压,当每个特定器件导通时。
MOSFET 传导损耗 (PCOND(MOSFET)) 可以通过开关导通周期内的 RDS(ON)、占空比 (D) 和平均 MOSFET 电流 (IMOSFET(AVG)) 的乘积大致近似。
P常量(场效应管)(使用平均电流)= IMOSFET(AVG)2 × RDS(ON) × D
上述公式近似于SMPS中的MOSFET导通损耗,但可能会低估损耗,因为电流波形的斜坡部分产生的损耗大于平均电流所指示的损耗。对于“峰值”电流波形,将电流斜坡的平方与其峰值和谷值(IV和我P在图 3 中)。

图3.用于准确估算 MOSFET 传导损耗的典型降压型 MOSFET 电流波形的详细信息。
以下公式通过替换简单的I来更准确地预测斜坡波形的损耗2与 I 积分的项2在我之间P和我V.
| P常量(场效应管) | = [I场效应管(平均)2+ (IP-我Y)2/12] ×·DS(ON)×· |
| = [I场效应管(平均)2+ (IP-我Y)2/12] ×·DS(ON)× V外/V在 |
其中IP和IV是电流波形的峰值和谷值点,如图3所示。MOSFET 电流从 IV 斜坡上升到 IP。例如,如果IV为0.25A,IP为1.75A,RDS(ON)为0.1Ω,VOUT为VIN/2(D = 0.5时),则仅考虑平均电流(1A)的计算公式为:
PCOND(MOSFET) (使用平均电流) = 12 × 0.1 × 0.5 = 0.050W
同时更准确地积分斜坡的平方可得到:
PCOND(MOSFET) (使用电流平方的积分) = [12 + (1.75 - 0.25)2/12] × 0.1 × 0.5 = 0.059W
或比平均电流方程提供的结果高约 18%。对于峰均比较小的电流波形,差异会更小,更简单的平均电流计算可能就足够了。
二极管导通损耗
而MOSFET传导损耗与RDS(ON),二极管导通损耗取决于相对较大的正向电压(VF).因此,二极管通常比MOSFET具有更大的传导损耗。二极管损耗与正向电流成正比,VF和传导时间。由于二极管在MOSFET关断时导通,二极管导通损耗(P二极管) 的近似值为:
PCOND(DIODE) = IDIODE(ON) × VF × (1 - D)
其中 IDIODE(ON) 是其导通间隔内的平均二极管电流。在图2中,二极管在导通间隔期间的平均正向电流为IOUT。因此,降压转换器的PCOND(二极管)估计为:
PCOND(二极管) = IOUT × VF × (1 - VOUT/VIN)
与MOSFET功率计算不同,平均电流为二极管损耗提供了相当准确的结果,因为损耗与I成正比,而不是I2。
很明显,MOSFET 或二极管在每个开关间隔内保持导通的时间越长,该器件的导通损耗就越大。对于降压转换器,输出电压越低,二极管对功率损耗的影响就越大,因为它导通的开关间隔更长。
动态开关损耗
比传导损耗更不直观的是MOSFET和二极管开关损耗。由于MOSFET和二极管导通和关断状态之间的转换需要时间,因此这些器件改变状态时会消耗功率。
图4上半部分的MOSFET漏源电压(VDS)和漏源电流(IDS)的简化图概述了转换期间遇到的开关损耗。电压和电流转换发生在tSW(ON)和tSW(OFF)期间。这些时间是MOSFET电容充电和放电的结果。
如图4所示,满载电流(ID)必须在其VDS降低到其最终导通状态值(= ID ×RDS(ON))之前传输到MOSFET。相反,关断转换要求VDS在电流从MOSFET转移之前增加到其最终关断状态值。这些转换导致电压和电流波形重叠,并导致图4下图所示的功耗。

图4.当 MOSFET 在其导通和关断状态之间转换时,就会发生开关损耗。
开关损耗随着SMPS频率的提高而增加。这可以通过注意过渡周期消耗固定的时间量来理解,因此随着频率的增加和开关周期的缩短,过渡周期占总开关周期的更大比例。与消耗十分之一的占空比相比,只需要二十分之一占空比的开关转换对效率的影响较小。由于其频率依赖性,开关损耗在高频下的导通损耗占主导地位。
MOSFET开关损耗(PSW(MOSFET))可以通过将三角形几何形状应用于图3来估算,得出以下公式:
PSW(MOSFET) = 0.5 × VD × ID × (tSW(ON) + tSW(OFF)) × fS
其中VD是MOSFET在关断时间内的漏源电压,ID是导通时间内的通道电流,tSW(ON)和tSW(OFF)分别是导通和关断转换时间。对于降压型转换器,VIN在关断状态下施加在MOSFET两端,IOUT在导通时流过MOSFET。
为了演示MOSFET的导通和开关损耗,降压转换器中典型集成高边MOSFET的VDS和IDS波形如图5所示。电路条件为:VIN = 10V,VOUT = 3.3V,IOUT = 500mA,RDS(ON) = 0.1Ω,fS = 1MHz,开关转换(tON + tOFF)总计38ns。
如图5所示,开关不是瞬时的,电流和电压波形重叠会导致较低波形所示的功率损耗。自从我DS在“导通”周期(图2)的电感电流之后,电流波形逐渐上升,导致关断边沿期间的开关损耗大于导通边沿。
使用前面提到的近似值,计算出总平均MOSFET损耗:
| PTOTAL(MOSFET) | = PCOND(MOSFET) + PSW(MOSFET) |
| = [IMOSFET(AVG)2 + (IP - IY)2/12] × RDS(ON) × VOUT/VIN + 0.5 × VIN × IOUT × (tSW(ON) + tSW(OFF)) × fS | |
| = [0.52 + (1 - 0)2/12] × 0.1 × 3.3/10 + 0.5 × 10 × 0.5 × (38 × 10-9) × 1 × 106 | |
| = 0.011 + 0.095 = 106mW |
该结果与图5中下部迹线测得的平均值117.4mW一致。请注意,在这种情况下,fS足够高,PSW(MOSFET)占主导地位。

图5.降压型转换器中典型高边MOSFET的开关周期以10V输入在3mA电流下转换为3.500V为例所示。开关频率为 1MHz,开关瞬态为 38ns。
与MOSFET一样,二极管也表现出开关损耗。这种损耗在很大程度上取决于所用二极管的反向恢复时间(tRR)。二极管开关损耗发生在从正向偏置到反向偏置条件的转换过程中。
当施加反向电压时,二极管中由于正向电流而存在的电荷必须从结中扫出,从而导致与正向电流极性相反的电流尖峰(IRR(PEAK))。此操作会导致 V × I 功率损耗,因为在反向恢复期间,二极管两端施加反向电压。图6显示了PN二极管反向恢复周期的简化图。

图6.当施加反向电压时,必须将正向电流流出结时,二极管中积聚的电荷,导致电流尖峰(IRR(峰值)).
当二极管的反向恢复特性已知时,下式估计二极管的开关功率损耗(PSW(DIODE)):
PSW(二极管) = 0.5 × 反向 × 内部电阻(峰值) × tRR2 × fS
其中VREVERSE是二极管两端的反向偏置电压,IRR(PEAK)是峰值反向恢复电流,tRR2是IRR峰值之后反向恢复时间的一部分。对于降压型转换器,当 MOSFET 导通时,VIN 对二极管进行反向偏置。
为了演示二极管损耗方程,图7显示了在典型降压转换器中观察到PN开关二极管的电压和电流波形。VIN = 10V,VOUT = 3.3V,测得的 IRR(峰值) = 250mA,IOUT = 500mA,fS = 1MHz,tRR2 = 28ns,VF = 0.9V。使用这些值:

该结果与图358下图所示的平均功率损耗7.7mW相吻合。由于V的值很大F和较长的二极管导通间隔,并且自 tRR相对较快,传导损耗(P二极管)主导。

图7.当10V输入在3mA时降压至3.500V输出时,显示降压PN开关二极管的开关波形。其他参数包括 fS1兆赫,一 tRR228ns 和 VF= 0.9V。
提高效率
鉴于前面的讨论,可以做些什么来减轻电源开关元件带来的损耗?直接答案是选择具有低 RDS(ON) 和快速开关瞬变的 MOSFET,以及具有低 VF 和快速恢复周期的二极管。
有几种现象直接影响MOSFET的导通电阻。当然,RDS(ON)随着芯片尺寸和漏源击穿电压(VBR(DSS))的增加而增加,这是由于器件中半导体材料的含量增加。此外,较大的MOSFET往往具有较大的过渡损耗。因此,尽管过大尺寸的MOSFET会降低RDS(ON),但它也可能带来较小的器件可能没有的效率损失。
MOSFET 电阻随着芯片温度的升高而增加,因此保持结温冷却以确保 RDS(ON)不会过度生长。RDS(ON)在一定程度上,也与栅极-源极偏置成反比。通常,最大栅极电压通过实现最低R来降低损耗DS(ON),但在高开关频率下,增加的栅极驱动损耗必须与R相平衡DS(ON)效益。
MOSFET 开关损耗取决于器件中的电容。电容越大,充电速度越慢,导致开关转换持续时间更长,功耗越大。米勒电容在MOSFET数据手册中通常称为反向转移电容(CRSS)或栅极漏极电容(CGD),是开关期间转换时间的主要因素。
米勒电容所需的电荷表示为QGD,与米勒电容本身一样,为了更快地切换,电荷应该最小。由于MOSFET电容也随芯片尺寸而变化,因此应考虑导通和开关损耗之间的折衷,并特别注意开关频率。
二极管正向电压应最小化,因为它引起的损耗可能很大。对于小型、低额定值的硅二极管,正向电压通常在 0.7V 至 1.5V 之间。二极管工艺和额定电压会影响正向电压和反向恢复时间,额定值越高,尺寸越大,V越高F和 tRR.开关二极管通常按速度分类,即“快速”、“超快”和“超快”恢复二极管,反向恢复时间随着速度的增加而减少。快速二极管往往具有 tRR在数百纳秒内,而超快二极管往往在几十纳秒内。
肖特基二极管提供几乎不存在的恢复时间和 VF这几乎是快速恢复二极管(通常为0.4V至1V)的一半,是大多数电源应用中快速恢复二极管的良好替代品。但肖特基二极管的额定电压和电流不如快速恢复二极管高,有时不能用于高压或超高功率设计。肖特基二极管也比硅二极管具有更高的反向漏电,但这种缺点通常不会限制它们在大多数电源中的适用性。
然而,即使正向压降较低,肖特基二极管在低压应用中也会产生不可接受的传导损耗。考虑1.5V的降压输出,其中典型值为0.5VF使用肖特基二极管。这仍然是二极管导通时间内输出电压的33%!
二极管损耗可以通过利用低R来减轻DS(ON)MOSFET采用一种称为同步整流的技术。MOSFET取代二极管(比较图1和图2),并与主功率MOSFET同步,以便每个开关在开关周期内交替导通。同步整流器 MOSFET 在二极管具有时导通。现在,VF的二极管被较低的压降(MOSFET RDS(ON)×I),弥补二极管损失的大部分功率。当然,只有当MOSFET的压降小于二极管的压降时,这种情况才是正确的。此外,同步整流器MOSFET栅极驱动的增加功率也不容忽视。
IC数据手册
到目前为止,已经讨论了开关模式电源的两个主要组件(MOSFET和二极管)固有的功率损耗。回顾图1中的降压电路,控制器IC有助于高效工作的几个重要方面可以通过参考其数据手册来确定。首先,开关元件集成到IC封装中,从而节省空间并降低寄生损耗。二、低R值DS(ON)使用场效应管。在像MAX1556这样的小型集成降压IC中,nMOS和pMOS的额定值分别为0.27Ω (典型值)和0.19Ω (典型值)。三是采用同步整流。对于 50% 占空比和 500mA 负载,这将低侧开关(或二极管)导通损耗从 250mW (假设为 1V 二极管)降低到大约 34mW。
开关电源 IC 权衡取舍
SMPS IC的封装、设计或控制架构可以提供各种效率增强。
集成电源开关
将开关器件集成到IC中不仅可以消除选择MOSFET或二极管所需的时间和成本,还可以通过减少电路面积和寄生损耗来提高效率。根据功率电平和电压限制,可以集成 MOSFET、二极管(或同步 MOSFET)或两者。集成开关的另一个优点是,栅极驱动器电路的尺寸针对片内MOSFET进行了优化,因此不会因预期未知分立MOSFET而进行过度设计而造成浪费。
静态电流
在电池供电设备中需要注意的一个特别重要的IC规格是静态电流(IQ),这是支持设备本身所需的电流。I 的效率效应Q对于较重的载荷(大于大约 I 的一个或两个数量级)相对不可见Q),因为负载电流沼泽IQ.然而,随着负载电流的降低,效率呈下降趋势,因为I导致的功率损耗Q在从电源传输的总功率中占较大百分比。这对于大部分工作时间处于“睡眠”或其他低功耗状态的设备尤其重要。对于许多消费类产品,即使“关闭”也可能仍然需要键盘扫描或其他需要电源保持打开的功能。在这种情况下,低 IQ至关重要。
架构提高效率
SMPS的控制架构对SMPS的效率有显著影响。前面在同步整流控制中讨论过这一点,其中开关二极管的功率损耗通过低损耗MOSFET降低。
对于在轻负载或宽范围内变化的负载下运行的设计而言,另一种重要的控制技术是脉冲跳跃,也称为脉冲频率调制(PFM)。与纯PWM开关不同,纯PWM开关(其中调节方案要求恒定的开关频率,无论重负载还是轻负载),脉冲跳跃允许控制器跳过开关周期。此操作可防止不必要的开关操作,这些操作最终会降低效率。
当脉冲被跳过时,允许电感放电更长的时间,并且更多的能量从电感传递到负载以保持输出电压。当然,输出电压会根据负载电流消耗而下降。一旦达到电压调节门限,就会启动一个新的开关周期,对电感进行再充电并刷新输出电压。
请记住,脉冲跳跃会产生与负载相关的输出纹波。这使得噪声更难滤除,因为开关噪声不像恒定频率PWM控制那样以恒定间隔产生。
先进的SMPS IC通常将高频PWM在较高负载下的优势与轻负载下脉冲跳跃的增强效率相结合。图1所示的IC就是这样一种器件。
当负载增加到更高的有源值时,脉冲跳跃波形过渡到恒定PWM,在正常工作负载期间很容易滤除噪声。总体效果是在整个工作范围内实现最大效率,如具有可选脉冲跳跃和PWM模式的典型降压转换器的效率曲线所示(图8)。
图8中的曲线D、E和F显示了在恒定PWM工作期间,在较轻负载下效率下降,但在较高负载下效率增加(高达98%)。如果设置为在轻负载下保持PWM工作,则IC会切换负载是否需要。这样可以将纹波保持在恒定频率,但会浪费功率。在较高负载下,与负载相比,维持PWM开关的能量损失很小,因此功率损耗被输出功率所掩盖。另一方面,脉冲跳跃的“空闲模式”效率曲线(图8中的A、B和C)即使在非常轻的负载下也能保持效率,因为开关仅在负载需要时才发生。对于 7V 输入曲线,空闲模式可在 60mA 负载下将效率提高 1% 以上。

图8.降压转换器的PWM和空闲(脉冲跳跃)模式效率曲线示例。请注意,空闲模式的轻负载效率比PWM模式更高。
最大限度地发挥开关电源的潜力
虽然开关模式电源因其非常高的效率而广受欢迎,但效率最终受到整个SMPS电路中固有损耗的限制。但是,通过仔细考虑基本SMPS损耗,同时熟悉SMPS IC和支持元件规格,工程师可以做出明智的选择,在很少或没有增加电路成本的情况下最大限度地提高SMPS效率。
无源元件损耗
本文研究了开关模式电源中MOSFET和二极管产生的SMPS损耗。我们展示了高质量的开关器件如何提高效率,但这些并不是唯一可以优化的组件。
图1详细介绍了典型基于IC的降压转换器的基本元件。该控制IC集成了两个同步,低R-RDS(ON)MOSFET,并实现高达 97% 的效率。由于开关元件集成在IC中,因此实际上针对应用进行了预选和优化。为了优化整体效率,设计人员接下来应将注意力转向无源元件(外部电感和电容),以了解它们如何导致功率损耗。
电感功率损耗
电阻损耗
电感中的功率损耗由两种基本现象描述:绕组损耗和磁芯损耗。绕组损耗是由构成电感器的线圈的直流电阻(DCR)引起的,而磁芯损耗取决于电感器的磁性特性。
DCR 由以下电阻公式定义:

其中ρ是导线材料的电阻率,l是导线长度,A是导线横截面积。
导线长度越长,DCR 越大,导线粗越大,DCR 越小。该原理可应用于标准电感器,以确定不同电感值和外壳尺寸的预期值。对于固定电感值,DCR往往会随着电感外壳尺寸的减小而增加,因为导线的横截面积必须减小以适应相同的匝数。对于给定的电感外壳尺寸,对于较小的电感,DCR通常会降低,因为匝数越少,允许更短、更大规格的电线。
了解DCR和平均电感电流(取决于SMPS拓扑),电感电阻功率损耗(PL(直流电阻))可以粗略估计为:
PL(DCR) = IL(AVG)2 × DCR
其中IL(AVG)是流过电感器的平均直流电流。对于降压转换器,平均电感电流是直流输出电流。虽然DCR的大小直接影响电感电阻功率损耗,但这种功率损耗与电感电流的平方成正比,因此必须最小化DCR。
另请注意,使用平均电感电流(如上式所示)计算PL(DCR)将预测的损耗比实际发生的损耗略少,因为电感电流通常呈三角形。与本文前面的MOSFET导通损耗计算一样,对电感电流波形的平方进行积分可提供更准确的结果。一个更准确但也更复杂的表达式是:
PL(DCR) = [IL(AVG)2 + (IP - IY)2/12] × DCR
其中IP和IV是电感电流波形的峰值和谷点。
岩心损耗
电感磁芯损耗不如传导损耗简单,更难测量。它由磁滞和涡流损耗组成,这是磁芯中磁通量变化的直接结果。在SMPS中,虽然电感中流动着平均直流电流,但由于其两端开关电压的交流变化引起的纹波电流会导致磁芯中的磁通量周期性变化。
磁滞损耗源于每个交流半周期中磁偶极子重新对准所消耗的功率,并且可以被视为偶极子在磁场极性变化期间相互摩擦的“摩擦”损耗。它与频率和磁通密度成正比。
相反,涡流损耗是由核心区域中存在的时变磁通量引入的。法拉第定律告诉我们,磁芯中的时变磁通会产生时变电压。反过来,这种变化的电压会导致局部电流,从而产生I2R 损耗取决于磁芯电阻率。
磁芯材料对磁芯损耗的大小有很大影响,并且有几种材料类型可供选择。对于SMPS电感器中常用的粉末磁芯,钼坡莫合金粉末(MPP)磁芯往往具有最低的磁芯损耗,而铁粉磁芯虽然成本低,但通常具有最高的损耗。
磁芯损耗可以通过计算磁芯中磁通密度(B)的峰值变化,然后查阅电感器或磁芯制造商提供的磁芯损耗(和频率)曲线(如果有)来估算。峰值B可以通过多种方式计算,有时在电感数据手册中,公式与磁芯损耗曲线一起出现。
或者,如果磁芯面积和绕组数量已知,则以下公式可以估计磁芯磁芯磁通峰值:

其中B是峰值磁芯磁通量(高斯),L是线圈电感(亨利),ΔI是峰峰值电感纹波电流(安培),A是横截芯面积(cm2),N 是匝数。
随着互联网越来越多地用于下载数据手册和研究元件信息,一些制造商已经提供了交互式电感功率损耗软件来帮助估算功率损耗。这些工具可以快速估算应用电路中的损耗。例如,线艺提供了一个在线电感磁芯和绕组损耗计算器,只需输入几个值即可估算所选电感系列的磁芯和铜损耗。
电容损耗
与理想的电容器模型相反,电容器的实际物理特性会产生多种损耗机制。这些损耗会降低 SMPS 效率,因为 SMPS 的电源电路中使用电容器来稳定电压并滤除输入和输出噪声(图 1)。这些损耗的特征是三种耗散现象:串联电阻、泄漏和介电损耗。
电容器的电阻损耗很明显。由于电流在每个开关周期中流入和流出电容器,因此电容器中金属端子和极板的固有电阻(RC)将消耗阻性功率损耗。漏电被描述为由于电容器绝缘(RL)的非无限(尽管非常高)电阻而“流过”电容器的小电流。介电损耗更为复杂,包括施加交流电压时,介电分子被电容器变化的电场极化时损失的能量。

图9.电容器的一般损耗模型简化为等效串联电阻(ESR)模型。
所有这三种损耗都用电容的典型损耗模型(图9左侧)表示,使用电阻来描述每种耗散机制。每个损耗相对于电容器存储能量的小数功耗称为耗散因数(DF),或损耗角的正切,δ。当每个损耗机制单独插入模型时,通过将电容器阻抗的实部与其虚部进行比较,可以得出每种损耗机制的DF。
为了简化损耗模型,图9中的接触电阻、漏电和介电损耗被集中到一个单独的实际功率损耗元件中,称为“等效串联电阻”(ESR)。ESR定义为电容器阻抗中负责电容器整体实际功率损耗的部分。
在数学上操纵电容器的阻抗模型并求解ESR(这是结果的实际部分)时,可以看出ESR与频率有关。这种依赖性在以下简化的ESR公式中得到了证明:

其中DFR, DFL和 DFD分别是特定于接触电阻、漏电和介电损耗的耗散因数。
使用该公式可以观察到,随着施加信号频率的增加,泄漏损耗和介电损耗都会缩小,直到接触电阻在高频下占主导地位 - 直到一定程度。超过这一点(公式中未指出),由于交流电流的趋肤效应,ESR在非常高的频率下往往会增加。
许多电容器制造商提供表征ESR值随频率变化的曲线。例如,TDK为其大多数电容器产品提供ESR曲线,ESR值可以通过参考这些曲线来获得,并考虑开关频率。
但是,如果没有ESR图,则可以使用电容数据手册中列出的总DF规格粗略估计ESR。该DF是电容器的总DF(包括所有损耗元件)。然后通过以下公式估算 ESR:

无论使用哪种方法来获得 ESR 值,高 ESR 都会降低效率,因为输入和输出电容器在每个开关周期内都会通过 ESR 对交流电流进行充电和放电。这会导致 I2 × RESR 功率损耗。此功率损耗 (PCAP(ESR)) 的计算公式为:
PCAP(ESR) = ICAP(RMS)2 × ESR
其中ICAP(RMS)是流过电容器的交流电流的RMS值。对于降压型输出电容,电感纹波电流的RMS值在上式中使用。输入滤波电容中的RMS电流更为复杂,但合理的估计值由下式提供:
ICIN(RMS) = IOUT/VIN × [VOUT (VIN - VOUT)]1/2
显然,为了最大限度地减少电容器功率损耗,最好使用低ESR电容器。具有较大纹波电流的SMPS尤其受益于低ESR电容器。此外,由于ESR是输出电压纹波的一个因素,因此选择低ESR电容器比单独提高效率的好处要大得多。
通常,不同的电容器电介质材料具有一定水平的ESR。根据经验,对于给定的电容和额定电压,铝电解电容器和钽电容器的ESR值高于陶瓷电容器。聚酯和聚丙烯电容器的ESR通常介于两者之间,但这些类型在SMPS中并不常用,因为足够的电容值需要太大的外壳尺寸。
对于给定的电容器类型,较大的电容和较低的DF可提供较低的ESR。较大的外壳尺寸通常也会降低ESR,但对于电解类型,这有时会以增加串联电感为代价。陶瓷电容器不太容易进行这种权衡。此外,较低的电容额定电压往往会降低给定电容外壳尺寸下的ESR。
审核编辑:郭婷
下一篇:DCDC芯片自举电容原理详解