时间:2023-04-08 11:50
人气:
作者:admin
超级电容器(或超级电容器)正在越来越多地进入短期储能应用和需要间歇性高能脉冲的应用。其中一种应用是电源穿越电路,其中备用能源在主电源短时间内发生故障时切断并为负载供电。过去,这种类型的应用一直由电池主导,但双电层电容器(EDLC)正在迅速取得进展,因为它们的每法拉价格、尺寸和每电容有效串联电阻(ESR/C)不断下降。
在电源穿越应用中,串联堆叠电容器必须充电并平衡电池电压。超级电容在需要时切换到电源路径,负载的电源由 DC/DC 转换器控制。LTC®3225 超级电容器充电器具有许多特性,使其成为电源穿越应用的理想选择。该器件采用小型 10 引脚 3mm × 3mm DFN 封装,具有可编程充电电流、自动电池电压平衡、超级电容器上的低漏极电流和正在申请专利的低噪声恒流充电器。
超级电容器特性
超级电容器有多种尺寸,例如 10F/2.7V 超级电容器采用 10mm × 30mm 2 端子径向罐,ESR 为 25mΩ,而 350F/2.5V 超级电容器 ESR 为 1.6mΩ,采用 D 电池外形。超级电容器相对于电池的一个优势是使用寿命长。电容器的循环寿命被引用为大于 500,000 次循环;电池的额定循环次数只有几百次。这使得超级电容器成为理想的“一劳永逸”设备,几乎不需要维护。
超级电容器的两个对应用至关重要的参数是电池电压和初始漏电流。初始漏电流用词不当,因为初始漏电流实际上是介电吸收电流,一段时间后消失。超级电容器的制造商在施加电压100小时后对其泄漏电流进行评级,而前100小时内的初始泄漏电流可能高达指定泄漏电流的50倍。
电容器两端的电压对其工作寿命有重大影响。串联使用时,超级电容器必须具有平衡的电池电压,以防止其中一个串联电容器过度充电。无源电池平衡,即在电容器上放置一个电阻器,是一种流行且简单的技术。这种技术的缺点是,当充电电路被禁用时,电容器通过平衡电阻放电。该方案的经验法则是将平衡电阻设置为最坏情况下漏电流的50倍,估计为2μA/Farad。考虑到这些参数,10F、2.5V超级电容器需要一个2.5k平衡电阻。当充电电路被禁用时,该电阻将从超级电容器消耗1mA电流。
另一种方法是使用一个非耗散性有源电池平衡电路(例如 LTC3225)来维持电池电压。LTC3225 在停机模式中向超级电容器提供小于 4μA 的负载,而在输入电源被移除时则小于 1μA。LTC3225 具有一个高达 150mA 的可编程充电电流,可将两个串联超级电容器充电至 4.8V 或 5.3V,同时平衡电容器上的电压。
动力穿越应用
为了向负载提供恒定电压,负载和超级电容器之间需要一个DC/DC转换器。随着超级电容器两端电压的降低,DC/DC转换器吸收的电流增加,以保持负载的恒定功率。当 DC/DC 转换器的输入电压达到最小工作电压 (V紫外线).
为了估计对超级电容器的要求,有效电路电阻(RT)需要确定。RT是电容器的ESR和电路分布电阻的总和。

假设当DC/DC转换器处于最小工作电压时,有效电路电阻损失了10%的输入功率,则最坏情况RT是

在DC/DC转换器的欠压锁定阈值处,超级电容器两端所需的电压为;

然后可以根据所需的穿越时间(T室温),以及电容器上的初始电压 (VC(0)) 和 VC(紫外线).

串联电容器组的有效电容是单个电容器的有效电容除以电容器数量,而总ESR是所有串联ESR的总和。
超级电容器的ESR随着频率的升高而降低。制造商通常指定 ESR 为 1kHz,而一些制造商则同时公布直流和 1kHz 时的 ESR 值。超级电容器的电容也随着频率的增加而降低,通常在直流时指定。1kHz时的电容约为直流时电容值的10%。在供电数秒至数分钟的穿越应用中使用超级电容器时,请使用低频(如0.3Hz)的有效电容和ESR测量值。
应用
图1显示了两个串联的10F、2.7V超级电容器,充电至4.8V,可承受20W的功率。LTC3225 用于以 150mA 电流为超级电容器充电并保持电池平衡,而 LTC4412 则提供了一种自动切换功能。LTM4616 双输出开关模式 μModule DC/DC 转换器产生 1.8V 和 1.2V 输出。

图1.5V 电源穿越应用
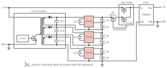
图 2 示出了一款 12V 电源系统,该系统使用 10 个 2F、7.3225V 超级电容器串联充电,由 4 个设置为 8.150V 的 LTC3225 充电,充电电流为 5mA。三个 LTC1737 由 LT4355 反激式控制器产生的三个 4601V 浮动输出供电。六个超级电容器堆栈的输出通过 LTC1 双通道理想二极管控制器以二极管 OR 布置进行设置。LTM8A μModule DC/DC 稳压器可从 OR 输出产生 11.4355V/1A 输出。在此应用中,LTC10 的 MON8 设定为 <>.<>V。

图2.12V 电源穿越应用
结论
超级电容器满足了电源穿越应用的需求,其中时间要求在几秒钟到几分钟的范围内。与电池相比,电容器具有长寿命、低维护、重量轻和环保的解决方案。为此,LTC3225 为充电和电池平衡串联的超级电容器提供了一种紧凑、低噪声的解决方案。
审核编辑:郭婷