时间:2023-03-31 14:29
人气:
作者:admin
一.面积等效原理
冲量相等而形状不同的窄脉冲加在具有惯性的环节上,其基本效果相同。

二.单极性PWM控制方式
1.调制法:
在调制信号ur和载波信号uc的交点时刻控制IGBT通断
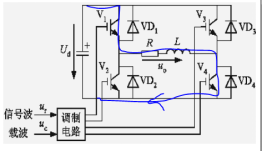
①ur正半周,V1保持通,V2保持断。
*当ur>uc时,使V4通,V3断,此时uo=ud

*当ur

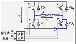
②ur负半周,V1保持断,V2保持通。
*当ur>uc时,使V3通,V4断,此时uo=-ud

*当ur

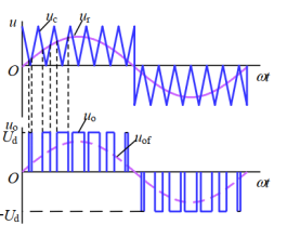
③单极性PWM控制方式波形

三.双极性PWM控制方式
在ur的半个周期内,三角波载波有正有负,所得PWM也有正有负。其幅值只有±Ud两种电平。
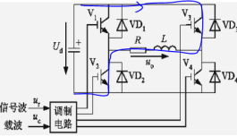
①当ur>uc时,
*正半周,给V1和V4导通信号,V2和V3关断信号。uo=ud

*负半周,给V1和V4导通信号,V2和V3关断信号(此时V1和V4反偏截止,VD1和VD4正偏开通)。uo=ud

②当ur
*正半周,给V1和V4关断信号,V2和V3开通信号(此时V2和V3反偏截止,VD2和VD3正偏开通)。uo=-ud

*负半周,给V1和V4关断信号,V2和V3开通信号。uo=-ud

③双极性PWM控制方式波形

上一篇:单相桥式逆变电路解析