时间:2023-03-30 09:51
人气:
作者:admin
前言
随着产品法规持续要求在这些关键领域提高性能,效率和待机功耗已成为离线应用中关注的重点。这种关注需要采用复杂的功率策略以满足这些要求,例如在低功耗模式下关闭PFC。这种策略虽然有效,但极大地增加了系统设计的复杂性,也增加了PFC下游的DC/DC转换器设计的负担,使其无法处理更宽的输入电压范围。UCC28056器件专为解决此问题而设计,可在整个负载范围内保持高效率,使设计人员即使在低功率模式下也能保持PFC开启状态。本应用指南介绍了使用UCC28056优化过渡模式PFC设计以提高效率和待机功耗的设计决策。
功耗标准
表1和表2总结了美国能源部(DOE)VI级对铭牌输出功率为50 mW及以上的应用的功耗要求。
表1.DOE VI级(50 W至249 W)
| DOE VI级(50 W至249 W) | |
| 待机功耗 | < 210 mW |
| 在以下范围规范效率性能: | 25%、50%、75%、100%负载 |
| 最低4点效率平均值 | 88% |
表2.DOE VI级(>250 W)
| DOE VI级(>25 W) | |
| 待机功耗 | < 210 mW |
| 在以下范围规范效率性能: | 25%、50%、75%、100%负载 |
| 最低4点效率平均值 | 88% |
表3总结了《欧盟行为准则》(CoC)II级对铭牌输出功率为50 W至250 W的应用的功耗要求。在撰写本文时,未获知铭牌输出功率大于250 W的要求。
表3.CoC II级功耗要求
| CoC II级(50 W至249 W) | |
| 待机功耗 | < 150 mW |
| 在以下范围规范效率性能: | 10%、25%、50%、75%、100%负载 |
| 最低4点效率平均值 | 89% |
应该注意的是,CoC II级考虑了10%负载下的轻载效率点,该负载下的效率通常因静态损耗和较低的输出功率而受到影响。在10%负载下效率较低,因此在其他四个调节效率点上需要更高的效率以满足最小平均效率。
优化效率和待机功耗
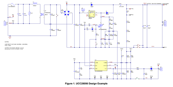
为了说明优化待机功耗和效率的方法,请考虑以下85 VAC至265 VAC,165 W设计,如图1所示。


图1.UCC28056设计示例
1.突发模式运行
UCC28056实现了突发模式功能,进一步改善了轻载效率和待机功耗。此外,在进入突发模式后,导通时间脉冲宽度在前4个开关周期内斜坡上升。此外,在退出突发模式之前,导通时间脉冲宽度在最后4个开关周期内斜坡下降。这种软导通和软关断策略在进入突发模式后在前4个周期内增加线路电流,并在最后4个周期内降低线电流。此功能可在轻载条件下限制可听噪声和对EMI滤波器的干扰。
进入和退出突发模式通过应用于COMP引脚电压的两个比较器阈值实现。两个比较器阈值的平均电压约为VCOMP_Max的11%,这意味着在每个突发周期期间传递的功率约为最大输出功率的11%。
在突发开启期间,PFC级的效率大约等于PFC转换器在11%负载下的效率。在突发关闭期间,UCC28056的电流消耗降至125μA。在没有转换动作发生的突发关闭期间的功率损耗主要由PFC级内的静态功率损耗决定。等式1提供了待机功耗性能的近似值。

当PFC级上的负载降低到10%以下时,突发期间的频率也会降低,以保持轻负载的高效率。
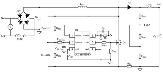
限制静态损耗
电路内器件的静态损耗会提高待机功耗。例如桥式整流器、升压二极管和MOSFET中的传导损耗,本节为选择合适的值以降低PFC级中的功率损耗提供了指导。
1.1分压器
VOSNS引脚连接到内部跨导放大器的反相输入,用于通过电阻分压器设置PFC级输出调节点。由于典型的PFC输出电压约为400 V,因此反馈分压器中的静态功率损耗可能很大,并且是导致高待机功耗的主要原因之一。等式2是VOSNS分压器中的静态功耗:
其中VBLK是PFC级的输出电压,ROS1是分压器的顶部电阻,ROS2是分压器的底部电阻。对于400 V的输出电压和1MΩ的总反馈电阻,反馈分压器的静态损耗为160 mW。因此,使用尽可能大的反馈电阻是有利的。但是,由于VOSNS偏置电流IOSNSBias的影响,较大的ROS1值会导致调节精度下降。等式3显示了调节精度与ROS1电阻之间的关系:

其中IOSBias是VOSNS引脚的偏置电流。最大IOSNSBias电流为100 nA。等式4确保由于IOSNSBias造成的输出电压调节降低不到1%:

对于390 V的输出电压,ROS1的最大值为39MΩ。可以使用等式5计算ROS2的相应值,其中VOSReg是基准电压,2.5 V:

如果使用3×10-MΩ电阻作为ROS1,使用100kΩ+93.1kΩ作为ROS2,则VOSNS分压器的总待机功耗为5 me。
UCC28056 + UCC25630x反馈/ BLK分压器
对于在PFC级下游使用LLC转换器的AC/DC系统,可以将VOSNS电阻分压器配置为用作过渡模式升压PFC级的反馈分压器和LLC控制器UCC25630x的BLK引脚分压器,如图2所示。这种方法通过消除整个AC/DC系统解决方案中的额外高压分压器,大大降低了静态功耗。

图2.UCC28056和UCC25630x的结合高压分压器
为了适应UCC28056和UCC25630x的不同电阻分压比,需要两个电阻抽头。将PFC储能电压设置为390 V时,VOSNS分压比KOS等于156,如等式6所示。KBLK由LLC预期打开时的最小PFC储能电压决定。当储能导通阈值为3.05 V,所需的导通阈值为340 V时,BLK分压比KBLK等于111.5,如等式7所示:

在本例中,选择上分压电阻ROS11,由3个串联的3.24 MΩ,1206 SMT电阻组成,如等式8所示:

同时求解等式6和等式7,得到等式9:

然后使用以下等式找到相应的ROS2:

这两个电阻可以使用标准电阻值实现,如等式11和等式12所示:

该组合电阻分压器的总功耗为15.5 mW。
ZCD/CS分压器
在突发关闭条件下,ZCD/CS分压器的功耗最高。在这种状态下,漏极电压近似于等于线路电压峰值的DC电压。ZCD/CS分压器的峰值功耗如等式13所示:

其中RZC1是ZCD/CS分压器顶部电阻的电阻,RZC2是ZCD/CS分压器底部电阻的电阻。与VOSNS分压器非常相似,可以通过ZCD引脚检测精度的小幅折衷增加RZC1和RZC2的电阻。等式14将ZCD偏置电流引起的精度下降限制在1%以下:

分压器链中的上部电阻RZC1必须在浪涌测试下承受峰值输出电压。对于耐用的解决方案,此位置的电阻应具有高于升压MOSFET雪崩额定值的额定电压。3个1206 SMT,3.24MΩ的串联链满足精度要求,并提供高于600 V的耐压能力。使用等式15和等式16确定RZC1和RZC2的适当值:

最大输入电压为265 Vrms时,半个周期内的峰值功耗为14.41 mW。
X电容选择
X电容器是EMI滤波器的关键组件,并且逐线连接以抑制EMI噪声。当电容器充电和放电时,在电容器的等效串联电阻上消耗会功率,如等式17所示:

流过电容器的均方根电容器电流取决于线路均方根电压、线路频率和X电容器配置中的总电容。忽略寄生电感,x电容带给线路的阻抗可以如等式18所示计算:

可以使用等式19计算X电容的功率损耗:

对于并联最大线路电压265 Vrms和0.33μF,每个的损耗因子为0.00022,X电容消耗的功率为6.4 me。
有源X电容放电
某些应用需要一种方法将EMI滤波器中使用的线间电容器在指定时间内放电到合理电压。这是为了确保AC插头上的高压不会无限期地保留。有几种控制放电时间的标准,如IEC60950、IEC60065和IEC62368,总结在表4中。
表4.X电容器放电标准4
标准从AC拔出的放电时间常数(秒)
IEC609501s
IEC600651s
IEC623682s
一种流行的做法是将泄放电阻与X电容器并联放置。一般准则是每100 nF的电容需要并联添加10MΩ的最大泄放电阻。对于330 nF的X电容,需要至少3.3MΩ的泄放电阻。
虽然这是一种经济有效的方法,但它会导致系统中额外的静态功率损耗,增加待机功耗。对于85 VAC至265 VAC的输入电压范围,3.3MΩ泄放电阻分压器的功率损耗为21.2 mW。更有效的方法是使用有源X电容放电功能,该功能仅在检测到AC断开时才启用。对于使用下游LLC级的AC/DC系统,此功能集成在UCC256301和UCC256304谐振控制器中。UCC256301和UCC256304能够通过高压引脚检测AC线路,当检测到AC断开事件时,放电X电容。在稳定状态下,HV引脚的最大漏电流为7.55μA。每隔720 ms,UCC25630x转换器将一个测试电流阶梯应用于线路,检查过零以确定AC拔插事件。假设施加到HV引脚的电压是等于AC线电压的整流正弦波,则可以使用等式20计算最坏情况下的功耗:

桥式整流器
桥式整流器中的功率损耗是导通期间的正向电压和每个二极管的寄生电阻的结果。每个二极管的总功率损耗用等式21表示:

最坏情况下的功率损耗发生在最小线电压和最大负载时。对于2.1 A的峰值输入电流、1 V的正向电压和80mΩ的寄生电阻,可以使用等式22计算每个二极管的总功率损耗:

桥式整流器的总损耗如等式23所示:

二极管的正向电压取决于温度,其中正向电压随着二极管的结温度的增加而降低。因此,在桥式整流器中,可以对结温升高和导通损耗降低进行权衡。
MOSFET选择
升压开关元件中的总功率损耗可以通过由开关的导通电阻引起的导通损耗和驱动MOSFET的栅极的开关损耗来描述。可以用等式24计算导通损耗:

其中,IMOS_RMS是MOSFET的均方根电流,RDS_on是MOSFET的导通电阻,Cotemp是与导通电阻相关的温度系数。开关中的最大电流出现在满载和最小输入电压时:

导通电阻随着MOSFET结温的增加而增加,在传导损耗等式中由Cotemp表示。在工作期间降低MOSFET的温升可以降低传导损耗。MOSFET中的开关损耗总结如下:

减少MOSFET的栅极电荷以降低上升和下降转换时间是有利的。然而,对于600V MOSFET,在这方面的选择有限。
待机功耗测量技巧
可以使用等式29计算PFC级消耗的实际功率:

由于UCC28056的突发模式特性,输入功率变化通常非常高,并且难以从瞬时功率测量进行精确测量。使用具有积分功能的功率计可以让用户在设定的时间间隔内积分mWh,然后执行简单计算以获得PFC级消耗的平均输入功率。图3显示了UCC28056EVM-296上待机功耗测量的正确连接。

图3.待机功耗测量连接
功率表连接和设置
强烈建议将PFC级的输出与任何测量仪器(如电子负载或电压表)物理断开。由于PFC级的输出是相对较高的电压,测量仪器吸收的漏电流可能导致10 mW的轻负载,这将人为地增加待机功耗测量值。为了防止AC线电压测量的功耗使待机功耗结果增加,将电压测量的正极端子连接到面向AC电源的电源线也很重要。。由于PFC级在待机状态下吸收的电流非常小,因此线电压的测量误差小到可以忽略不计。将电流表连接到中性线,以避免高频噪声和电容耦合增加电流测量读数。

图4.AC功率表连接
线电压和线电流测量的更高精度可降低测量的噪声基底,并减少测量间隔内积分的误差量。建议使用尽可能低的电压范围。电流范围必须足够大,以测量突发期间的峰值线电流。建议使用电流探头测量峰值线电流,并选择恰好高于最大测量线电流的电流范围。
平均输入功率计算
在积分模式下,功率表计算PFC级在测量间隔期间消耗的功率量(mWh)。然后可以使用等式30计算平均输入功率:

待机功耗和效率测量
表5总结了PFC设计从85 VAC到265 VAC的待机功耗测量。
输入电压(Vrms)输入功率(mW)VCC电压VCC电流(μA)总待机功耗(mW)
852312.0074104.03424.249
1152412.0101107.02225.285
2303912.0632105.63040.268
2654512.0630105.90246.272
图5总结了线路和负载的效率性能。

图 5.效率与输出功率
总结
UCC28056可在整个负载范围内提供卓越的待机功耗和效率性能,使设计能够满足最新的功耗标准。UCC28056的突发模式运行可实现高轻载效率,使设计即使在低功耗模式下也能保持PFC开启。通过使PFC持续开启,可实现更窄的输入电压范围,简化整体系统复杂性以及下游转换器的设计。
审核编辑:郭婷