时间:2023-03-20 11:27
人气:
作者:admin
在移动电话的充电器输入电路中增加看门狗保护,可防止基带处理器停止或停止软件执行时的损坏。
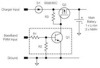
手机电池通常通过基带控制器中的专有充电算法充电。手机的充电器输入通过低导通电阻的p沟道开关连接到内部电池,由基带控制器的脉宽调制(PWM)信号控制(图1)。为了最大限度地减少功耗和随之而来的手机热问题,充电电源(通常是壁立方体)受到电流限制,并根据电池的化学成分和充电恢复要求进行指定。

图1.手机的典型充电器输入电路。
请注意,如果基带处理器因任何原因停止,充电器和电池之间的(几乎)直接连接可能会造成损坏。所需要的是一个监视PWM输入并在预定延迟间隔后禁用串联电源开关的电路。电路应独立于处理器,并应允许在PWM信号返回时重新启动充电。
要提供这种保护,请添加一个微处理器监控器(包括用于软件执行的看门狗电路)和一个通常开放的SPST模拟开关(图2)。所示的两个IC采用5引脚SOT23封装,以最大限度地减小空间。R4、D2和C1通过限制V来保护IC抄送最大电压为 5.1V。R4值并不重要,因为增加电路的静态电流非常低(30μA)。选择R4值以提供足够的电流(0.5mA)来激活齐纳二极管的“拐点”特性。

图2.在图1所示电路中添加看门狗保护可防止基带处理器停止或停止软件执行时的损坏。
保护电路不会给电池带来负担,因为除非电池正在充电,否则它不会接收任何电力。/RESET 输出对基带控制器 CPU 产生 /CHARGER READY 中断,/RESET 的漏极开路结构允许连接到采用不同电源电压工作的其他电路。仅在充电时为看门狗和PWM电路供电还可以防止反向放电到/RESET。
当有源充电器连接到充电器输入插座时,电路操作开始。当 V抄送达到3V ±45mV(在本例中,使用3V微调),复位周期开始。两百毫秒后,复位变为低电平,/Reset变为高电平(对于IC1的CY后缀版本)。/Reset 释放 SPST 模拟开关 IC2,该开关使能 PWM 输入。同时,有源看门狗输入(WDI)监视PWM输入信号。如果该信号在 1.6 秒内未产生转换(对于 ICA 后缀版本的 IC1),则 RESET 和 /RESET 输出变为活动状态,禁用 PWM 输入,并通过充电器就绪信号传达的 CPU 中断暂停充电器算法。

图3.图2电路的复位时序关系

图4.看门狗输入的时序关系如图2所示。
审核编辑:郭婷