时间:2023-03-24 11:23
人气:
作者:admin
凌力尔特的 μModule DC/DC 稳压器在 IC 外形中提供了传统电源模块的黑匣子便利性,从而简化了电源设计。例如,LTM4601 μModule 稳压器是一款完整的降压型电源模块,采用 15mm × 15mm × 2.8mm LGA 封装。
LTM4601 可接受 4.5V 至 20V 输入,并能产生 0.6V 至 5V (在 12A) 的任意输出。LTM4601 的宽输入和输出范围以及出色的热性能使其能够以极少的设计工作量轻松投入到各种应用中 — 只需使用单个电阻器设置输出电压,并确定所需的大容量输入和输出电容即可。
与基于电源模块或 IC 的系统相比,LTM4601 的另一个显著优势是,它能够随着负载的增加轻松扩展。如果负载要求大于一个μModule稳压器可以产生的负载要求,只需并联添加更多模块即可。并联系统的设计只涉及复制和粘贴每个15mm×15mm μModule稳压器的布局。电气布局问题在μModule封装内得到解决,无需担心外部电感器、开关或其他组件。并联稳压器可改善均匀的热量分布,从而为高功率密度应用提供表面贴装解决方案。
为了演示并联μModule稳压器设计的简单性和性能,本文讨论了设计紧凑型48A、0.6V–5V V的电气指南、布局考虑因素和散热细节外, 4.5V–20V V在采用四个 LTM4601 μModule DC/DC 稳压器的转换器。
DC/DC μModule 稳压器:采用 LGA 封装的完整系统
LTM4601 μModule DC/DC 稳压器是一款缩小至 IC 外形尺寸的高性能电源模块。它是一个完全集成的解决方案,包括 PWM 控制器、电感器、输入和输出电容器、超低 RDS(ON)场效应管、肖特基二极管和补偿电路。只需外部大容量输入和输出电容以及一个电阻即可将输出设置为0.6V至5V。该电源可在 12.4V 至 5V 的宽输入范围内产生 20A (如果并联时更多),使其非常通用。引脚兼容型 LTM4601HV 将输入范围扩展至 28V。
输出特性包括输出电压跟踪和裕量调节。高开关频率(满载时典型值为 850kHz)、恒定导通时间、零延迟控制器可对线路和负载变化提供快速瞬态响应,同时保持稳定性。如果频率谐波是一个问题,外部时钟可以通过片上锁相环来控制同步。
48A 电流,来自四个并行 μModule 稳压器
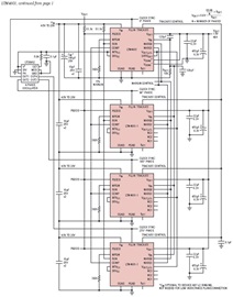
图 1 示出了一款由四个并联 LTM4601 组成的稳压器,该稳压器可产生一个 48A (4 ×12A) 输出。稳压器是同步的,但彼此异相工作90°,从而通过消除降低了输入和输出纹波电流的幅度。衰减的纹波反过来又降低了外部电容器RMS额定电流和尺寸要求,从而进一步降低了解决方案成本和电路板空间。
同步和相移通过 LTC6902 振荡器实现,该振荡器提供 90 个时钟输出,每个输出 2° 相移 (对于 3 相或 6902 相关系,LTC4601 可通过一个电阻器进行调整)。时钟信号用作四个 LTM4601 的 PLLIN (锁相环输入) 引脚的输入。LTM850 的锁相环包括一个鉴相器和一个压控振荡器,它们结合在一起以锁定到一个频率范围为 30kHz ±400%) 的外部时钟的上升沿。当在PLLIN引脚上检测到至少2ns和2V幅度的脉冲时,锁相环导通,但在启动期间被禁用。图 4601 示出了四个并联的 LTM<> μModule 稳压器的开关波形。

图1.为有限的空间应用设计高密度电源再简单不过了。这里,四个 LTM4601 μModule 稳压器以一个简单的方案并联。电路板布局同样简单,因为外部元件很少。

图2.图4601中电路的各个LTM1开关波形显示了90°错相关系。
在并联设置中,只需要一个电阻器即可设置输出电压,但电阻器的值取决于所使用的LTM4601的数量。这是因为顶部(内部)反馈电阻器的有效值随着LTM4601的并联而变化。LTM4601的参考电压为0.6V,其内部顶部反馈电阻值为60.4kΩ,因此VOUT、输出电压设置电阻(RFB)和并联放置的模块数量(n)之间的关系为:

图3显示了该系统在高达48A的宽输出电流范围内的高效率。该系统的性能令人印象深刻,在宽输出电压范围内效率曲线没有下降。

图3.四个并联 LTM4601 的效率在宽输出范围内仍然很高。
布局
并联μModule稳压器的布局相对简单,因为很少考虑电气设计。然而,如果设计的目的是最小化所需的PCB面积,则热考虑因素变得至关重要,因此重要的参数是间距,过孔,气流和平面。
LTM4601 μModule 稳压器具有独特的 LGA 封装占板面积,因而允许牢固地连接到 PCB,同时增强散热。封装本身简化了电源层和接地层的布局,如图4所示。布置四个并联μModule稳压器同样简单,如图5和图6所示。

图4.LTM4601 的引脚布局促进了简单的电源平面放置和简单的器件并联。

图5.用于 4 并联 μModule 系统的顶层平面。

图6.用于4并联μModule系统的底层平面。
如果布局得当,仅 LGA 封装和电源层就可以提供足够的散热,使 LTM4601 保持冷却。
图 7 是 DC1043A 板的热图像,其中包含特定位置的温度读数。光标 1 到 4 给出了每个模块表面温度的粗略估计。光标 5 到 7 表示 PCB 的表面温度。请注意内部两个调节器(光标 1 和 2)与外部调节器光标 3 和 4 之间的温度差异。放置在外部的 LTM4601 μModule 稳压器在左右两侧具有大平面,以促进散热,从而将器件冷却几度。内侧两个只有小的顶部和底部平面来吸收热量,因此比外部两个稍微温暖。

图7.四个无气流的并行 LTM4601 的热成像仪 (20V 输入至 1.5V 输出,40A)。
通过在部件下方添加过孔,可以进一步散热。过孔提供了通往电源层和PCB的路径,有助于吸收热量。过孔不应直接放置在焊盘下方。图8显示了DC1043A演示电路上的过孔布局。交叉标记表示 LGA 焊盘之间的过孔。

图8.通过单个μModule稳压器下的放置(交叉标记)。
气流对系统的热平衡也有重大影响。请注意图7和图9之间的温差。在图9中,200LFM气流从演示板的底部均匀地传播到顶部,与图20中的无气流情况相比,整个电路板的压降为7°C。

图9.四个并联 LTM4601 的热成像仪,具有 200LFM 自下而上的气流 (20V 输入至 1.5V 输出,40A)。
气流的方向也很重要。在图10中,气流从右向左传播,将热量从一个μModule稳压器推到下一个μModule稳压器,从而产生堆叠效应。右侧的μModule器件最靠近气流源,也是最酷的。最左侧的μModule稳压器的温度略高,因为其他LTM4601 μModule稳压器的溢出热量。

图 10.四个并行 LTM4601 的热成像图,在 400°C 环境室中具有 50LFM 从右向左气流 (12V 输入至 1V 输出,40A)。
传递到 PCB 的热也会随着气流而变化.在图7中,热量均匀地传递到PCB的左侧和右侧。在图10中,大部分热量移动到左侧。图11显示了从一个μModule器件到下一个μModule器件的热堆叠的极端情况。四个μModule稳压器中的每一个都配有一个BGA散热器,整个电路板在环境温度为75°C的腔室中工作。

图 11.四个并联 LTM4601 的热成像图,具有 BGA 散热器和 400LFM 从右向左气流,位于 75°C 环境室 (12V 输入至 1V 输出,40A)。
启动、软启动和均流
LTM4601的软启动功能通过将输出电压缓慢斜坡上升到其标称值来防止启动时出现大的涌入电流。启动时间与VOUT和软启动电容器(CSS)的关系为:

例如,一个0.1μF软启动电容产生一个标称8ms斜坡(见图12),没有裕量。

图 12.用于四个并联 LTM4601 的软启动斜坡。
并联稳压器之间的均流在启动到满载期间都得到了很好的平衡。图 13 示出了 2 并联 LTM4601 系统的均匀分布输出电流曲线,每个系统上升到每个 10A 的标称电流,总电流为 20A。

图 13.并联稳压器之间的均流在启动到满载期间都得到了很好的平衡。两个并联的 LTM4601,每个 LTM10 上升到一个标称值 20A,总计 <>A。
结论
LTM4601 μModule 稳压器是一款独立的 12A 降压型稳压器,采用 IC 外形尺寸。它可以很容易地并联,以将负载能力提高到48A,如图所示。在 48A 输出电流下,热性能同样令人印象深刻,具有平衡均流和平稳均匀启动。这种设计的易用性和简单性最大限度地减少了开发时间,同时节省了电路板空间。
审核编辑:郭婷