时间:2023-03-24 11:20
人气:
作者:admin
LTC®3212 充电泵 RGB LED 驱动器是空间受限程度极强的便携式设备(如蜂窝电话、PDA、数码相机和媒体播放器)的理想解决方案。LTC3212 具有一个内部低噪声充电泵,利用单个外部跨接电容器。该电荷泵以 1× 模式工作,直到其中一个 LED 退出稳压,之后切换到 2× 模式,自动保持适当的 LED 电流,同时降低功率损耗并最大限度地降低开关噪声。LTC3212 在设计时考虑了灵活性,并可用于驱动 RGB 背光、键盘背光或通用 LED 例如多色状态指示 LED。
电池/电源电压
LTC3212 专为在 2.7V 至 5.5V 输入范围内运作而设计,因而使其成为电池供电型和 USB 供电型设备的理想 LED 驱动器。
LTC3212 的充电泵在需要防止一个 LED 驱动器脱离稳压状态时使能。通过使电荷泵尽可能长时间地工作在1×模式下,从而降低损耗并最大限度地降低噪声。一旦电荷泵工作在2×模式,控制算法通过限制跨接电容引脚的压摆率和减小输入电源上的纹波电流来确保降低开关噪声。
该器件具有软启动电路,可防止启动时和模式切换期间产生大浪涌电流。CPO 引脚具有短路保护功能,可在电荷泵输出短路时保护器件。当器件进入关断模式时,CPO输出切换至高阻抗模式。
紧凑型解决方案
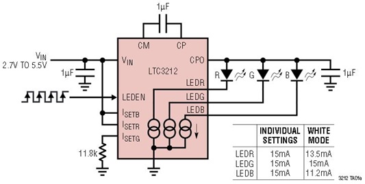
采用最小设置时,LTC3212 可配置为仅使用 1 个外部组件、3 个电容器和一个电阻器 (参见图 2)。这些少量外部组件以及小型 3212mm × 2mm 封装使 LTC<> 非常适合空间受限的应用,如图 <> 所示。

图1.LTC3212 LED RGB LED 驱动器具有极少的外部组件。
发光二极管控制
LTC3212 采用单线接口进行编程,因而非常容易集成到控制器件可用引脚有限的应用中。LTC3212 可进行编程以启用红色、绿色和蓝色 LED 的任意组合,从而使 RGB LED 产生七种颜色 (参见表 1)。当所有LED都启用时,电流会自动调整到产生白光的比率。
| Pulses | Red | Blue | Green |
| 0 | off | off | off |
| 1 | off | off | ON |
| 2 | off | ON | off |
| 3 | off | ON | ON |
| 4 | ON | off | off |
| 5 | ON | off | ON |
| 6 | ON | ON | off |
| 7+ | White Mode | ||
强度设定
LED的工作电流可以相同、两个相同,也可以独立配置,分别需要一个、两个或三个外部电阻。如果不需要独立控制 LED,请将其 I 连接起来设置引脚到 V在和当前默认为 I 的设置赛特格电阻器。
结论
LTC®3212 是一款 RGB LED 驱动器,专为采用 2.7V 至 5.5V 电源驱动一个 RGB LED 而优化为一种简单而紧凑的解决方案。LTC3212 非常适合于需要具有准确的可编程电流源和紧凑、低噪声操作的 LED 驱动器的应用。
审核编辑:郭婷