时间:2023-03-14 16:25
人气:
作者:admin
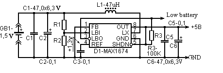
DC一DC一1.5转5ⅴ升压电路如图①所示。

图①电路图
在许多情况下,能够将1.5v转换升压为5v非常方便。然后,你可以使用单节AA或AAA电池为微控制器或LED供电。由于具有特殊的lC,如MAx1674或MAx7176,所以这样做很简单,这是一款升压型DC一DC转换器,可以将0.7ⅴ的电压转换为2ⅴ一5.5ⅴ的电压。lc块如图②,图③
图②MAx1674,MAX7176芯片

图③MAx系列lC块引脚图
图①MAx1674已经预置了3.3ⅴ和5v引脚,这使得3.3ⅴ和5v电路中的集成更加容易。lc的耗散高达444mw,波纹管是将1.5v转换为5ⅴ的电路。
假设我们需要获得300mA的最大电流,然后需要付出一些努力。因为输出功率为5V0.3A=1.5W。假设效率为100%,那么从电池汲取的功率也将为1.5W。在1.5V电压下,还将是1A电流。并非所有的电池都能驱动此类电流。其它重要的部分是电感器。为此,需要具有电流饱和度的电感器,这通常会导致尺寸增加。
图①中,合理选择电感量可决定输出电流的大小:
1、如果输出电流超过300mA,则电感量为47uH;
2、如果输出电流超过120mA,则电感量为22uH;
3、如果输出电流超过70mA,则电感量为10uH。
此款电路用在电池转换升压电压上很适合。
上一篇:DC-DC电感升压电路原理讲解
下一篇:常见电源电路图及原理讲解