时间:2023-03-01 10:44
人气:
作者:admin
电荷泵(Charge-Pump):又称为开关电容DCDC变换器(switched capacitor voltage converter),也被称为无电感DCDC变换器。电荷泵DCDC利用电容电压不能突变原理实现。电感式DCDC因为有电磁转换,电磁干扰大,和电感式DCDC相比,电荷泵式DCDC没有了电磁转换,只有电容的充放电,因此电荷泵式DCDC电磁辐射很小。但是电荷泵式DCDC缺点也很明显,输出电流能力有限,大电流输出时,输出电压跌落较大。电荷泵式DCDC还有一个好处就是,电容很容易集成到芯片内部,电感则比较困难。下面结合实际芯片介绍一下电荷泵式DCDC。
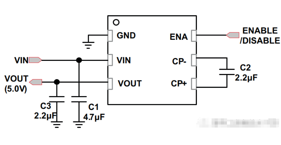
以下是型号TPS60150电荷泵IC应用电路,输入电压2.7V-5.5V,输出电压固定5V,最大输出电流140mA。应用电路超级简单,只需三颗电容,电源输入输出各一颗,泵压使用一颗。

下面介绍一下此款电荷泵IC原理,此芯片内部有四个FET,工作时两两导通。
1、前半周期(φ1),Q2和Q3导通,Q3完全导通,控制Q2的导通程度,使电CF容充电至2.5V

2、后半周期(φ2),Q1和Q4导通,Q4完全导通,控制Q1的导通程度,使电输出电压稳定在5V。此时电容就像一个电池和输入电压串联为负载供电,实现泵压。

3、以下是TPS60150内部电路框图。

再来看另外一款电荷泵压芯片LM2775,此款芯片和上面的TPS60150略有不同。此款芯片四个FET是完全导通的,通过控制导通时间调整输出电压。
1、前半周期(φ1),S1、S2导通,电容充电,充电电流方向如下图绿色箭头。

2、后半周期(φ2),S3、S4导通,电容放电,此时电容就像一个电池和输入电压串联为负载供电,放电电流方向如下图蓝色箭头。

下一篇:充电指示电路原理讲解