时间:2019-07-30 11:16
人气:
作者:admin
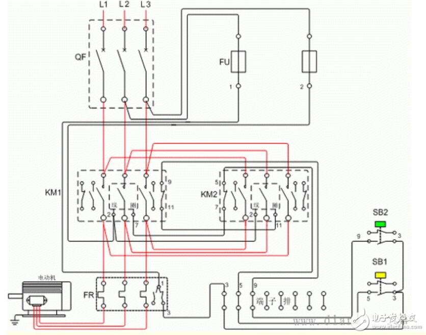
接触器KM1的常闭辅助触点(9,11)串联在接触器KM2的线圈回路,当接触器KM1工作吸合时,接点(9,11)断开,即使误操作按下按钮SB2,由于KM2的控制回路在(9,11)处是断开的,KM2的线圈也不能得电,KM2接触器就不会吸合。只有KM1停止工作,(9,11)恢复闭合状态后,按下SB2按钮,KM2接触器线圈才能得电吸合。
接触器KM2的常闭辅助触点(5,7)串联在接触器KM1的线圈回路,当接触器KM2工作吸合时,接点(5,7)断开,即使误操作按下按钮SB1,由于KM1的控制回路在(5,7)处是断开的,KM1的线圈也不能得电,KM1接触器就不会吸合。只有KM2停止工作,(5,7)恢复闭合状态后,按下SB1按钮,KM1接触器线圈才能得电吸合。
由KM1锁定KM2的工作,由KM2锁定KM1的工作。就避免了由于误操作造成接触器KM1和KM2同时吸合而引起的L1与L2短路的电气事故。
KM1的控制:L2-FU-1(热继电器)3(SB1)5(KM2辅助接点)7 - KM1线圈-2-FU-L3
KM2的控制:L2-FU-1(热继电器)3(SB2)9(KM1辅助接点)11- KM2线圈-2-FU-L3


互锁就是两个接触器不能同时吸合,一般用在电机正反转电路中,若两个接触器同时吸合,将发生电源相与相之间短路。电气互锁的接法是:KM1接触器的常闭触头串联在KM2接触器的线圈回路,KM2接触器的常闭触头串联在KM1接触器的线圈回路。但是若一个接触器触头发生熔焊时,电气互锁就失效了。因此对要求严格的场所还必须使用有机械互锁的接触器。
两只接触器将各自的辅助常闭触点储量介入对方的控制回路中,互相闭锁,使得两只接触器不能同时吸合。
这个回路是比较简单的,大致原理是保证电机正转时反转不能接通,而反转时正转也不能接通,否则同时吸合接触器就会使三相交流电在接触器下口形成短路,所以要在回路中加闭锁,再有就是无论反转还是正转都要求随时可以停止电机运行,因此停止按钮要串联,起纽要并联。
互锁就是两个接触器不能同时吸合,一般用在电机正反转电路中,若两个接触器同时吸合,将发生电源相与相之间短路。电气互锁的接法是:KM1接触器的常闭触头串联在KM2接触器的线圈回路,KM2接触器的常闭触头串联在KM1接触器的线圈回路。但是若一个接触器触头发生熔焊时,电气互锁就失效了。因此对要求严格的场所还必须使用有机械互锁的接触器。

假设这两个交流接触器为A接触器(常闭辅助触头为a)和B接触器(常闭辅助触头为b)。用A与B的常闭辅助触头a、b完成互锁功能。接线叙述如下:
1、接触器B控制A:把A接触器的线圈一端接至B接触器的常闭辅助触头b的一个端点上,然后再从b的另一端点上引出线到电源开关或启动按钮上。这样接触器B通过常闭辅助触点b控制了接触器A,如果b断开,接触器A不能得电。
2、接触器A控制B:把B接触器的线圈一端接至A接触器的常闭辅助触头a的一个端点上,然后再从a的另一端点上引出线到电源开关或启动按钮上。这样接触器A通过常闭辅助触点a控制了接触器B,如果a断开,接触器B不能得电。
3、按照上述方法把两个接触器连线接好,就完成了互锁接线。
今天我们一起学习两个接触器互锁电路,首先需要两个接触器,三个按钮,(一个停止,两个启动按钮)那么如何实现互锁下面我们一步一步接线。
反转点动,零线直接进A1;火线进停止按钮的常闭点,常闭出来进按钮的常开,注意这里按钮出来进正转的常闭,常闭出来才进反转的线圈。
接下来我们接正转自锁电路,停止按钮出来一两根一根线去正转的KM常开14,另一根去启动按钮的常开,然后进反转的常闭点,常闭出来进正转的线圈A2,A2并联一根去KM常开13。
推荐阅读:
接触器常用接线电路及实物图大全
交流接触器自锁互锁电路图
上一篇:交流接触器自锁互锁电路图
下一篇:哪种电池封装最好