时间:2019-07-19 09:01
人气:
作者:admin
推挽式开关电源的优点前面已经提到很多,这里再简单概括一次。
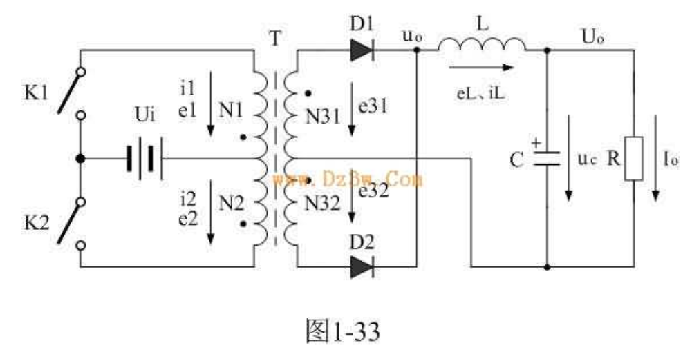
由于推挽式变压器开关电源中的两个控制开关K1和K2轮流交替工作,其输出电压波形非常对称,并且开关电源在整个工作周期之内都向负载提供功率输出,因此,其输出电流瞬间响应速度很高,电压输出特性很好。推挽式变压器开关电源是所有开关电源中电压利用率最高的开关电源,它在输入电压很低的情况下,仍能维持很大的功率输出,所以推挽式变压器开关电源被广泛应用于低输入电压的DC/AC逆变器,或DC/DC转换器电路中。

推挽式开关电源经桥式整流或全波整流后,其输出电压的电压脉动系数Sv和电流脉动系数Si都很小,因此只需要一个很小值的储能滤波电容或储能滤波电感,就可以得到一个电压纹波和电流纹波都很小的输出电压。因此,推挽式开关电源是一个输出电压特性非常好的开关电源。
另外,推挽式开关电源的变压器属于双极性磁极化,磁感应变化范围是单极性磁极化的两倍多,并且变压器铁心不需要留气隙,因此,推挽式开关电源变压器铁心的导磁率比单极性磁极化的正激或反式开关电源变压器铁心的导磁率高很多倍;这样,推挽式开关电源变压器初、次级的线圈匝数可比单极性磁极化变压器初、次级的线圈匝数少一倍以上。所以,推挽式开关电源变压器的漏感以及铜阻损耗都比单极性磁极化变压器小很多,开关电源的工作效率很高。
推挽式开关电源的两个开关器件有一个公共接地端,相对于半桥式或全桥式开关电源来说,驱动电路要简单很多,这也是推挽式开关电源的一个优点。
1推挽式开关电源变压器的漏感以及铜阻损耗都比单极性磁化极变压器小很多,开关电源的工作效率跟高。
推挽式开关电源的变压器属于双极性磁化极,磁感应变压范围是单极性磁化极的两倍多,并且变压器铁芯不需要气隙,因此,推挽式开关电源变压器铁芯的磁导 率比单极性磁化极的正激或反激开关电源的变压器铁芯的磁导率高很多倍,这样推挽式开关电源变压器的初级、次级的线圈的匝数可比单极性磁化极变压器初级、次 级的线圈的匝数少一倍以上。所以,推挽式开关电源变压器的漏感以及铜阻损耗都比单极性磁化极变压器小很多,所以开关电源的工作效率跟高。
2推挽式、半桥式、全桥式转换器属于直流-交流-直流转换器。由于直流-交流转换器提高了工作频率,所以,变压器和输出滤波器的体积和重量都可以减小。
3推挽式开关电源的变压器有两组初级线圈,对于小功率输出的推挽式开关电源是个缺点,对于大功率输出的推挽式开关电源是个优点。因为大功率变压器的线 圈一般都是多股线来绕制的,因此,推挽式开关电源的变压器的两组初级线圈与用多股线绕制根本没有区别,并且两个线圈与单个线圈相比可以减低一半电流密度。
4推挽式开关电源输出电流瞬态响应速度很高,电压输出特性很好。推挽式开关电源是所有开关电源中电压利用率最高的开关电源。
由于推挽式开关电源中的两个控制开关轮流交替工作,其输出电压波形非常对称,并且开关电源在整个周期之内都向负载提供功率的输出,因此,其输出电流瞬 态响应速度很高,电压输出特性很好。推挽式开关电源是所有开关电源中电压利用率最高的开关电源。它在输入电压很低的情况下,仍然能维持很大的输出功率,所 以推挽式开关电源被广泛的应用于低输入电压的DC/AC逆变器,活DC/DC转换器电路中。
5推挽式开关电源的驱动电路简单。
推挽式开关电源的两个开关器件有一个公共接地端,相对于半桥式或全桥式开关电源来说,驱动电路简单的多。
6推挽式转换器可以看作两个正激式转换器的组合,在一个开关周期内,这两的正激式转换器交替的工作。若两个正激式变换器不完全对称或平衡时,就会出现直流偏磁的现象,经过几个周期累计的偏磁,会使磁芯进入饱和状态,并导致高频变压器的励磁电流过大,甚至损坏开关管。
7推挽式开关电源的主要缺点是两个开关器件需要很高的耐压值。
推挽式开关电源的主要缺点是两个开关器件需要很高的耐压,其耐压必须大于工作电压的两倍。因此,推挽式开关电源在220V交流供电设备中很少使用。另外,直流输出电压可调整式推挽开关电源 输出电压的调整范围比反激式开关电源输出电压的调整范围小很多,并需要一个储能滤波电感,因此,推挽式开关电源不宜用于要求负载电压变化范围太大的场合,特别是负载很轻或是经常开路的场合。
8推挽式开关电源不会像半桥、全桥式开关电源那样出现两个控制开关同时串通的可能性。
9推挽式开关电源是一个输出电压特性很好的开关电源。
推挽式开关电源经桥式整流或全波整流后,其输出电压脉动系数和电流脉动系数都很小,因此,需要一个很小值的储能滤波电容或储能滤波电感就可以得到一个电压纹波和电流纹波很小的输出电压。因此,推挽式开关电源是一个输出电压特性很好的开关电源。
上一篇:蓄电池运行时常见的故障及原因分析
下一篇:推挽式开关电源工作原理及电路图