时间:2019-07-19 09:14
人气:
作者:admin
工作原理:推挽式开关电源的典型电路如图一所示。它属于双端式变换电路,高频变压器的磁芯工作在磁滞回线的两侧。电路使用两个开关管VT1和VT2,两个开关管在外激励方波信号的控制下交替的导通与截止,在变压器T次级统组得到方波电压,经整流滤波变为所需要的直流电压。
这种电路的优点是两个开关管容易驱动,主要缺点是开关管的耐压要达到两倍电路峰值电压。电路的输出功率较大,一般在100-500 W范围内。

整流输出推挽式变压器开关电源,由于两个开关管轮流交替工作,相当于两个开关电源同时输出功率,其输出功率约等于单一开关电源输出功率的两倍。因此,推挽式变压器开关电源输出功率很大,工作效率很高,经桥式整流或全波整流后,仅需要很小的滤波电感和电容,其输出电压纹波就可以达到非常小。
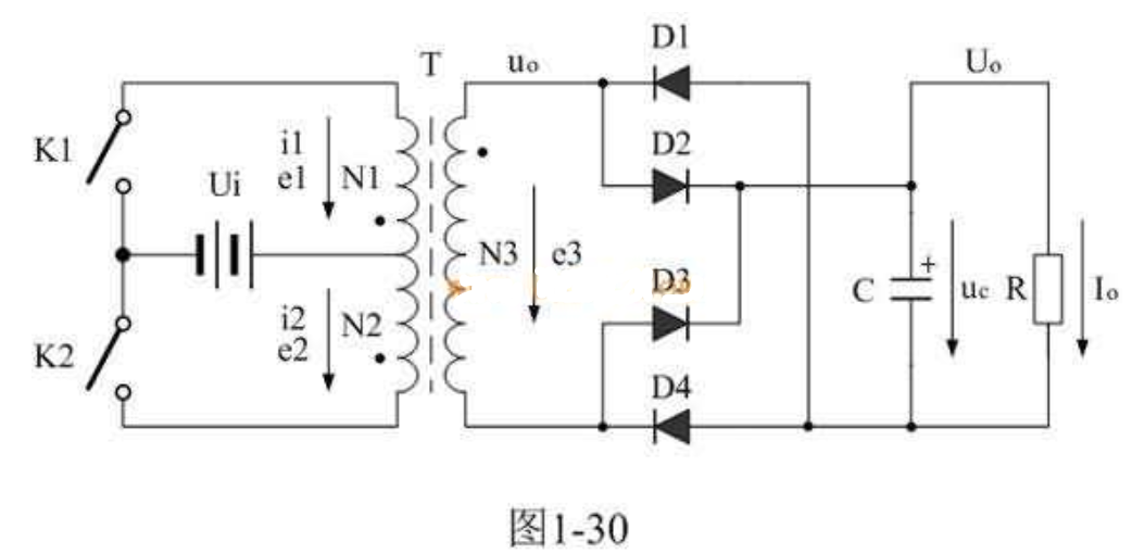
图1-30是桥式整流输出推挽式变压器开关电源工作原理图,除了整流滤波电路以外,其余部分电路的工作原理基本与图1-27相同。桥式整流电路由D1、D2、D3、D4组成,C为储能滤波电容,R为负载电阻,Uo为直流输出电压,Io为流过负载电阻的电流。

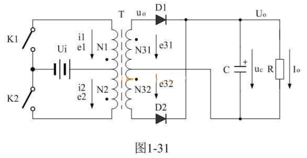
图1-31是全波整流输出的推挽式变压器开关电源工作原理图,同样,除了整流滤波电路以外,其余部分电路的工作原理基本与图1-27和图1-30相同。但开关变压器的次级需要多一个绕组,两个绕组N31、N32轮流输出电压;全波整流电路由D1、D2组成,C为储能滤波电容,R为负载电阻,Uo为直流输出电压,Io为流过负载电阻的电流。

图1-30与图1-31比较,桥式整流输出的推挽式变压器开关电源比全波整流输出的推挽式变压器开关电源多用两个整流二极管,但全波整流输出的开关变压器又比桥式整流输出的开关变压器多一组次级线圈。因此,图1-30桥式整流输出推挽式变压器开关电源比较适用于输出电流相对较小的情况;而图1-31全波整流输出推挽式变压器开关电源比较适用于输出电流相对较大的情况。因为,大电流整流二极管成本高,而且损耗功率也比较大。
下面我们来详细分析图1-30桥式整流输出推挽式变压器开关电源和图1-31全波整流输出推挽式变压器开关电源的工作原理。
由于图1-30桥式整流输出推挽式变压器开关电源或图1-31全波整流输出推挽式变压器开关电源的电压输出电路中都接有储能滤波电容,储能滤波电容会对输入脉动电压起到平滑的作用,因此,图1-30和图1-31中输出电压Uo都不会出现很高幅度的电压反冲,其输出电压的峰值Up基本上就可以认为是半波平均值Upa。其值略大于正激输出nUi,即:桥式整流输出推挽式变压器开关电源或全波整流输出推挽式变压器开关电源,整流滤波输出电压Uo的值略大于正激输出nUi,n为变压器次级线圈N3绕组与初级线圈N1绕组或N2绕组的匝数比。
因此,推挽式变压器开关电源的输出电压uo,主要还是由(1-131)式来决定。即:推挽式变压器开关电源的输出电压uo(K1或K2接通期间),约等于开关变压器次级线圈N3绕组产生的正激式输出电压Up或Up-的半波平均值Upa或Upa-:
uo = Upa = nUi —— K1接通期间 (1-134)
或uo = Upa- =-nUi —— K2接通期间 (1-135)
上式中,uo为推
挽式变压
器开关电源的输出电压,n为变压器次级线圈N3绕组与初级线圈N1绕组或N2绕组的匝数比,Ui为开关变压器初级线圈N1绕组或N2绕组的输入电压。
图1-32是桥式整流输出或全波整流输出推挽式变压器开关电源,在两个控制开关K1和K2交替接通和断开,且占空比D均等于0.5时,各主要工作点的电压、电流波形。
图1-32-a)和图1-32-b)分别表示控制开关K1接通时,开关变压器初级线圈N1绕组两端的电压u1的波形,以及流过变压器初级线圈N1绕组两端的电流i1波形;图1-32-c)和图1-32-d)分别表示控制开关K2接通时,开关变压器初级线圈N2绕组两端的电压u2的波形,以及流过开关变压器初级线圈N2绕组两端的电流i2的波形;图1-32-e)和图1-32-f)分别表示控制开关K1和K2轮流接通时,开关变压器次级线圈N3绕组两端输出电压uo的波形,以及流过开关变压器次级线圈N3绕组两端的电流波形。
图1-32-f)中,虚线箭头表示反激式输出电流是由最大值开始,然后逐渐减小到最小值;而实线箭头表示正激式输出电流则是由最小值开始,然后逐渐增加到最大值;因此,两者同时作用的结果,正好输出一个矩形波。


从图1-32-e)可以看出,输出电压uo虽然还是由两个部分组成,一部分为输入电压Ui通过变压器初级线圈N1绕组或N2感应到次级线圈N3绕组的正激式输出电压(uo);另一部分为励磁电流通过变压器初级线圈N1绕组或N2绕组存储的能量产生的反激式输出电压[uo];这里反激式输出电压[uo]不会再使波形产生反冲,是因为储能滤波电容会把反冲电压吸收掉,使其成为充电流。
由于推挽式变压器开关电源输出电压的半波平均值Upa幅值基本上是稳定的,它不会像反激式输出开关电源那样,输出电压的幅值随着控制开关占空比的改变而改变。因此,如果需要调整推挽式变压器开关电源输出电压,只能通过改变两个控制开关的占空比,来改变输出电压的平均值。因此,在输出电压可调的推挽式变压器开关电源电路中,必须要在整流输出电路后面加接一个LC储能滤波电路,才能从整流输出的脉动直流电压中提取平均值输出。
图1-33是输出电压可调的推挽式变压器开关电源电路。实际上图1-33就是在图1-31全波整流输出推挽式变压器开关电源电路的基础上,在整流输出电路后面加接了一个LC储能滤波电路。LC储能滤波电路的工作原理与图1-2串联式开关电源中的储能滤波电路工作原理基本相同。不过,在全波整流输出的LC储能滤波电路中可以省去一个续流二极管,因为用于全波整流的两个二极管可以轮流充当续流二极管的作用。关于LC储能滤波电路的详细工作原理,请参考《1-2-2.串联式开关电源输出电压滤波电路》章节。
由于图1-33中两个控制开关占空比D的可调范围很小(小于0.5),并且在一个周期内两个控制开关均需要接通和关
断一次,
因此,输出电压的可调范围相对来说要比单激式开关电源输出电压的可调范围小很多;但双激式开关电源比单激式开关电源,具有输出功率大、电压纹波小、电压输出特性好等优点。

图1-34是输出电压可调的推挽式变压器开关电源各主要工作点的电压、电流波形。
图1-34-a)表示控制开关K1接通时,开关变压器初级线圈N1绕组两端的电压波形;图1-34-b)表示控制开关K2接通时,开关变压器初级线圈N2绕组两端的电压波形;图1-34-c)表示控制开关K1和K2轮流接通时,开关变压器次级线圈N3绕组两端输出电压uo的波形。图1-34-d)表示开关变压器次级线圈N3绕组两端输出电压经全波整流后的电压波形。
图1-34-c)中,Up、Up-分别表示开关变压器次级线圈N3绕组两端输出电压uo的正最大值(半波平均值)和负最大值(半波平均值),[Up]、[Up-]分别表示开关变压器次级线圈N3绕组两端反激输出电压的正最大值(半波平均值)和负最大值(半波平均值)。

这里还需再次说明,实际上反激输出电压[Up]和[Up-]的脉冲幅度都很高,只不过它的能量很小,即宽度很窄,其幅度被限幅和平均以后就变得很低了。在整流输出电路中,反激输出电压[Up]、[Up-]的幅度一般都不会高于Up、Up-的幅度,其幅度高于Up、Up-将要被滤波电容两端的电压限幅,或通过变压器两个初级线圈的互感作用被输入电源电压限幅。
图1-34-d)中,实线波形对应控制开关K1接通时,开关变压器次级线圈N3绕组两端输出电压经桥式或全波整流后的波形;虚线波形对应控制开关K2接通时,开关变压器次级线圈N3绕组两端输出电压经桥式或全波整流后的波形。Ua表示整流输出电压的平均值。
从图1-34-d)可以看出,仅用储能电容对整流输出电压进行滤波,是很难从脉动直流中取出输出电压的平均值的,必须同时使用储能滤波电感才能取出输出电压的平均值。
图1-33中,储能滤波电感和储能滤波电容参数的计算,与图1-2的串联式开关电源中储能滤波电感和储能滤波电容参数的计算方法很相似。根据图1-33和图1-34,我们把整流输出电压uo和LC滤波电路的电压uc、电流iL画出如图1-35,以便用来计算推挽式变压器开关电源储能滤波电感、电容的参数。

图1-35-a)是整流输出电压uo的波形图。实线表示控制开关K1接通时,推挽式变压器开关电源开关变压器次级线圈N3绕组输出电压经整流后的波形;虚线表示控制开关K2接通时,推挽式变压器开关电源开关变压器次级线圈N3绕组输出电压经整流后的波形。Up表示整流输出峰值电压(正激输出电压),Up-表示整流输出最低电压(反激输出电压),Ua表示整流输出电压的平均值。
图1-35-b)是滤波电容器两端电压的波形图,或滤波电路输出电压的波形图。Uo表示输出电压,或
滤波电容
器两端电压的平均值;ΔUc表示电容充电电压增量,2ΔUc等于输出电压纹波。
1-8-1-3-1.推挽式变压器开关电源储能滤波电感参数的计算
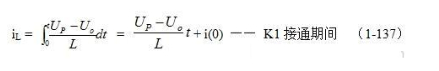
在图1-33中,当控制开关K1接通时,输入电压Ui通过控制开关K1加到开关变压器线圈N1绕组的两端,在控制开关K1接通Ton期间,开关变压器线圈N3绕组输出一个幅度为Up(半波平均值)的正激电压uo,然后加到储能滤波电感L和储能滤波电容C组成的滤波电路上,在此期间储能滤波电感L两端的电压eL为:
eL = Ldi/dt = Up – Uo —— K1接通期间 (1-136)
式中:Ui为输入电压,Uo为直流输出电压,即:Uo为滤波电容两端电压uc的平均值。
在此顺便说明:由于电容两端的电压变化增量ΔU相对于输出电压Uo来说非常小,为了简单,我们这里把Uo当成常量来处理。
对(1-136)式进行积分得:

式中i(0)为初始电流(t = 0时刻流过电感L的电流),即:控制开关K1刚接通瞬间,流过电感L的电流,或称流过电感L的初始电流。从图1-35中可以看出i(0)= Ix 。
当控制开关K由接通期间Ton突然转换到关断期间Toff的瞬间,流过电感L的电流iL达到最大值:

(1-139)和(1-140)式就是计算推挽式变压器开关电源输出电压的表达式。式中,Uo为推挽式变压器开关电源输出电压,Ui为推挽式变压器开关电源输入电压,Up为推挽式变压器开关电源开关变压器次级线圈N3绕组的正激输出电压,Up-为推挽式变压器开关电源开关变压器次级线圈N3绕组的反激输出电压,n为开关电源次级线圈N3绕组与初级线圈N1绕组或N2绕组的匝数比。
根据上面分析结果,(1-138)式可以写为:

由(1-75)式可知,当控制开关K1、K2的占空比均为0.5时,Upa与Upa-基本相等,由此我们也可以认为Up与Up-基本相等。
由于,当控制开关K1、K2的占空比均为0.5时,(1-141)式和(1-142)式的计算结果为0。因此,当控制开关K1、K2的占空比均为0.5时,推挽式变压器开关电源经整流后输出的电压波形基本上是纯直流,没有交流成分,输出电压Uo等于最大值Up,因此,可以不需要储能电感滤波。
但是,如果要求输出电压可调,推挽式变压器开关电源的两个控制开关K1、K2的占空比必须要小于0.5;因为推挽式变压器开关电源正反激两种状态都有电压输出,所以在同样输出电压(平均值)的情况下,两个控制开关K1、K2的占空比相当于要小一倍。由此可知,当要求输出电压可调范围为最大时,占空比最好取值为0.25。
当两个控制开关K1、K2的占空比取值均为0.25时,Upa = 3Upa-,由此我们也可以认为Up等于3Up-。把上面已知条件代入(1-1
42)式,
可求得:

(1-143)、(1-144)、(1-145)式就是计算推挽式变压器开关电源储能滤波电感和滤波输出电压的表达式(D为0.25时)。式中Uo为推挽式变压器开关电源输出电压,Ui为推挽式变压器开关电源输入电压,T为控制开关的工作周期,F为控制开关的工作频率,n为开关电源次级线圈N3绕组与初级线圈N1绕组或N2绕组的匝数比。
同理,(1-143)、(1-144)、(1-145)式的计算结果,只给出了计算推挽式变压器开关电源储能滤波电感L的中间值,或平均值,对于极端情况可以在平均值的计算结果上再乘以一个大于1的系数。