时间:2019-07-23 10:01
人气:
作者:admin
半桥逆变电路是电子镇流器和电子节能灯中最常用也是最基本的电路,正确地理解它的工作原理,将有助于我们合理地选择元器件如磁环变压器、扼流电感、启动电容等元件的参数,正确地安排三极管的驱动电路,以降低它的功耗与热量,提高整灯的可靠性。遗憾地是过去受观测仪器(如示波器)和测试手段的局限,我们无法观测到电路中关键点如三极管各个电极电流的正确波形(如文献4的电流iB、ic的起始波形就是错误的),因而无法作出符合实际情况的定量分析和判断,以至形成一些错误的概念。最近看到深爱公司叶文浩先生发表在中国照明电器(刊载于04年11、12期)的文章,受到不少启发,到欧普照明公司后,利用比较先进的示波器TDS5000,对电路关键点的电流和电压波形,进行了仔细的测试,感到认识上有所提高,澄清了过去不少胡塗概念,特撰写本文,抛砖引玉,与叶先生商榷,并就教于国内方家。
半桥逆变电路的工原理,尽管这个电路是众所周知的,但人们对它的理解却并不十分正确,存在一些错误观念。

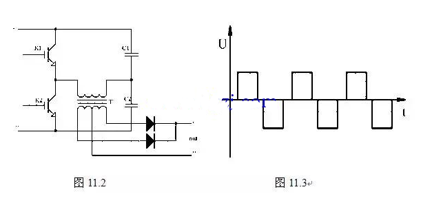
工作原理:
①tl时间:开关K1导通,K2截止,电流方向如图中①,电源给主变T供电,并给电容C2充电。
②t2时间:开关K1、K2都截止,负截无电流通过(死区)。
③t3时间:开关K1截止,K2导通,电容C2向负载放电。
④t4时间:开关K1、K2均截止,又形成死区。如此反复在负载上就得到了如图11.3的电流,实现了逆变的目的。
①电源供给:
和场效应管作逆变开关的焊机一样,焊机电源由市电供给,经整流、滤波后供给逆变器。
②逆变:
由于IGBT的工作电流大,可采用半桥逆变的形式,以IGBT作为开关,其开通与关闭由驱动信号控制。
③驱动信号的产生:
驱动信号仍然采用处理脉宽调制器输出信号的形式。使得两路驱动信号的相位错开(有死区),以防止两个开关管同时导通而产生过大电流损坏开关管。驱动信号的中点同样下沉一定幅度,以防干扰使开关管误导通。
④保护电路:
IGBT焊机也设置了过流、过压、过热保护等,有些机型也有截流,以保证焊机及人身安全,其工作原理与场效应管焊机相似。
逆变与整流是两个相反的概念,整流是把交流电变换为直流电的过程,而逆变则使把直流电改变为交流电的过程,采用逆变技术的弧焊电源称为逆变焊机。逆变过程需要大功率电子开关器件,采用绝缘栅双极晶体管IGBT作为开关器件的逆变焊机成为IGBT逆变焊机。
逆变焊机的工作过程如下:将三相或单相工频交流电整流,经滤波后得到一个较平滑的直流电,由IGBT组成的逆变电路将该直流电变为几十KHZ的交流电,经主变压器降压后,再经整流滤波获得平稳的直流输出焊接电流。
逆变电焊机优点:由于逆变工作频率很高,所以主变压器的铁心截面积和线圈匝数大大减少,因此,逆变焊机可以在很大程度上节省金属材料,减少外形尺寸及重量,大大减少电能损耗,更重要的是,逆变焊机能够在微妙级的时间内对输出电流进行调整,所以就能实现焊接过程所要求的理想控制过程,获得满意的焊接效果。
1、半桥逆变电路的等效电路:

2、半桥逆变电路的工作原理:上图中,A、B分别为两个半桥中点,uAB是它们之间的电压,R是等效电阻,L为扼流电感,LC构成串联谐振电路,将uAB的方波输入转变为C两端的近似正弦波,完成了逆变过程。
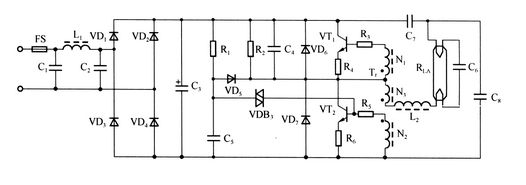
3、典型电子日光灯电路中的应用:

图中L2、C6、RLA,就是半桥逆变电路,灯管等效电阻是由灯管电压和灯管电流决定。
左侧电路将直流电转换成方波(为了顺利起振和持续振荡,电路比较复杂),由高频变压器提供半桥中点,由C7、C8组成无源半桥中点,实现了由直流到交流的逆变。
下一篇:二极管在逆变器中的应用