为了避免
电源噪声影响
信号链
模数转换器(
ADC)中的信号完整性,测量
ADC的电源抑制(PSR)非常重要。本博文将重点介绍此测量所需的技术,并描述如何推导出ADC的PSR。
ADC需要一个或多个电源,如果不采取预防措施,其灵敏度可能会影响ADC的数据采集。电源灵敏度与
时钟抖动问题无关,目前可以很好地理解。我们将仅以高速
ti ADC3444 ADC为例,重点介绍本文中的电源灵敏度。的ADC3444是一个四信道14位的125Mbps ADC设计用于高性能多通道应用。
从数据手册来看,ADC3444具有两个不同的电源:1.8V
模拟电源和1.8V
数字电源。数据表提供了
电气特性(第7.7节)部分和应用部分(第11节)中的以下
信息。
在评估ADC的性能时,ADC具有成为自己的数字
转换器的优势。我们感兴趣的是快速傅里叶变换(FFT)会发生什么,同时将单音信号数字化并向ADC电源引脚添加噪声音。为了简化,我们不会担心电源噪声,但会发出叠加在直流电源电压上的正弦波。我们可以使用
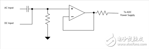
功率放大器实现这种叠加,如图1所示。

图1:功率放大器简化原理图
请注意,
DC增益设置为1V / V. 输出端使用小型隔离
电阻,有助于防止由
电容负载引起的
放大器不稳定。
在这一点上,我们只关注在单一频率下测量ADC的电源特性,为以后留下完整的PSRR频率图。由于ADC具有非常高的模拟带宽,因此我们期望模拟电源的PSRR为高频 - 或至少超出设计电源时所关注的最大频率。对于ADC3444,模拟输入带宽为540MHz。请注意,在电源引脚上添加任何旁路电容将改善高频下的测量PSR,因为电容会绕过任何高频。
测试配置如图2所示,在模拟电源引脚(AVDD)和数字电源引脚(DVDD)之间没有任何区别。为了隔离AVDD和DVDD电源之间可能的相互作用,测量程序一次在单个电源上引入噪声音。每个电源的去耦遵循ADC3444数据表的建议。十三个AVDD引脚将使用0.1μF的X7R电容,总电流为1.3μF。同样,四个DVDD电源引脚每个都有0.22μF,DVDD电源总共为0.88μF。

图2:测试配置
图3显示了ADC3444电源的结果。下面的每个图表都是模拟信号的快速傅里叶变换(FFT)。FFT是信号的分解,是正弦波的总和。简而言之,图表显示了信号的频率成分。因此,x轴是频率,y轴表示每个正弦波的幅度。在下面的示例中,我们使用100MHz时钟,从而获得50MHz的采集带宽。
馈入ADC的信号为19.8MHz,幅度为-2dBFS(dB低于满量程)。这在图3中示出,其是没有噪声音调的参考信号。

图3:ADC3444 AVDD参考FFT
为了评估ADC的PSR,为每个电源设计了以下程序:
1-将放大器连接到被评估的电源[这里将是AVDD或DVDD]
2-将直流电源连接到其他电源。[此直流电源是一种清洁电源,因其低噪声特性而被选中]
3-打开噪音并捕获FFT。[已选择噪声音调,以最大限度地抑制被测电源引脚上的干扰,同时仍然符合电源容差。
图4显示了与ADC相同的信号音,但这次在AVDD电源引脚中增加了一个噪声音。由于所有其他条件相同,因此FTT上的任何降级都可以与AVDD电源上的噪声音调相关联。

图4:ADC3444 AVDD响应100mVpp 1MHz正弦波叠加到1.8V
然后我们在DVDD电源引脚上重复相同的实验,并获得图5所示的图表。这次噪声音仅出现在DVDD电源上。

图5:ADC3444 DVDD响应100mVpp 1MHz正弦波叠加到1.8V
请注意,对于AVDD电源(图4),出现了三个额外的杂散:1MHz,18.8MHz和20.8MHz。随着噪声音调被添加到获取的频谱中,可以预期第一个音调。另外两个不需要的音调正好在右侧和左侧1MHz,与
中心频率对称。
对于DVDD电源,图3和图5之间的唯一区别是1MHz的新杂散。
图6总结了马刺的位置。请注意,马刺的幅度旨在纯粹是描述性的而非定量的。

图6:AVDD和DVDD电源的马刺位置
现在我们已经进行了初始测量,我们仍然需要解释它以便能够提取所需的PSRR规范。100mV交流信号称为干扰信号,可确保其足够大,足以伸出ADC本底噪声,同时又不会超过AVDD和DVDD上的工作电压范围。
让我们使用图6和图7来帮助我们解释结果并将dB低于满量程(dBFS)转换为PSRR规范。假设基波幅度为-2dBFS。由于图7中的ADC3444数据手册告诉我们0dBFS(或满量程)是2Vpp,我们可以将dBFS转换为Vpp。这可以通过下面的等式1来实现:
将此应用于-2dBFS基波,ADC输入端的差分电压摆幅为:
我们现在可以将ADC FFT结果中的dBFS测量结果转换为可以与
AC输入信号进行比较的信号,从而计算出ADC电源的抑制程度。AVDD电源上的100mV信号对-2dBFS信号的影响为-95dBFS。数据手册告诉我们0dBFS是2Vpp(见图5),所以-95dBFS可以通过以下公式计算:
然后可以使用公式2计算PSRR:
将数字插入等式2给出了PSRR(电源抑制比),其中-2dBFS基本幅度和电源上的1MHz干扰信号。

图7:模拟输入电气特性
通过针对每个电源和多个频率重复此处描述的过程,可以轻松地为任何ADC开发PSR模型。请注意,PSR模型包括
推荐的旁路电容的影响。
这篇文章中的技术只是评估ADC电源PSR的第一步。接下来的文章将介绍如何使用此信息来表征ADC电源并指导
产品和外部元件选择。