全球最实用的IT互联网信息网站!
AI人工智能P2P分享&下载搜索网页发布信息网站地图
国内首条氮化镓半导体激光器芯片量产线正式
阅读全文2023-04-04
UPS配电简单的快速估算法
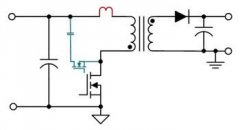
智能控制有源钳位反激
LDO基础知识:电源抑制比
使用UCC28070实现无桥PFC方案
仪表放大器电路设计方案解析
AC/DC基础:所谓线性稳压器
负电压是如何产生的,负电压在电路设计中的应
超低待机功耗的真无线耳机充电盒子参考设计
共模电感如何解决数据量增长带来高频EMI问题
两款SiC MOSFET在智能断路器中的应用分析
LM2773系列 低纹波1.8V/1.6V扩频开关电容降压
TPS63810 2.5A 高效降压-升压转换器,带 I²
TPS63900 1.8V 至 5.5V、75nA IQ 降压-升压转换器
CPU | 内存 | 硬盘 | 显卡 | 显示器 | 主板 | 电源 | 键鼠 | 网站地图
Copyright © 2025-2035 诺佳网 版权所有 备案号:赣ICP备2025066733号 本站资料均来源互联网收集整理,作品版权归作者所有,如果侵犯了您的版权,请跟我们联系。