时间:2022-10-20 11:18
人气:
作者:admin
CW32F030CxTx StartKit 评估板为用户提供一种经济且灵活的方式使用 CW32F030CxTx 芯片构建系统原型,可进行性能、功耗、功能等各方面快速验证。CW32F030CxTx StartKit 评估板需要搭配 CW-DAPLINK 调试器一起使用。该评估板配有 CW32F030 StartKit 软件包及 CW32F030-StdPeriph-Lib 固件库和例程。

1.评估板特性
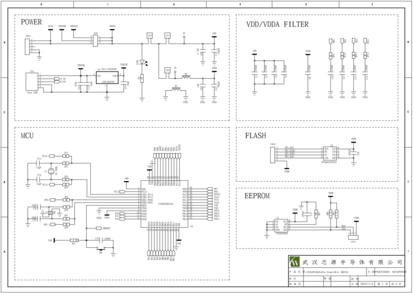
● CW32F030CxTx 微控制器(ARM® Cortex®-M0+ 最高主频 64MHz),LQFP48 封装,64K 字节 FLASH,8K 字节 RAM
● 3 颗 LED:
电源指示灯(LED3),用户指示灯(LED1,LED2)
●三个轻触开关:
复位轻触开关(S3),用户轻触开关(S1,S2)
●USB 转串口芯片(CH340N)
●FLASH 芯片(W25Q64JVSSIQ)
●EEPROM 芯片(CW24C02AD)
●板载接口:
Mini USB 接口(串口通信,USB 供电)
下载器调试接口
所有 GPIO 口通过排针引出
●多种方式供电:USB VBUS 供电,3.3V 供电(LD1117AS33TR),外接 1.65V ~ 5.5V 供电
●CW32F030-StdPeriph-Lib 软件包提供全面免费的固件库和例程
● 支持多种集成开发环境,IAR ™,Keil®
2.特别约定
本文档中 ON 和 OFF 设置的约定如下表所示:

3.快速开始
按照下列步骤配置 CW32F030CxTx StartKit 评估板:
▼ 确认评估板上跳线帽的位置(见下表);
▼连接 CW-DAPLINK 调试器,确认主机端驱动程序已经正确安装,并将调试接口线正确连接至评估板;
▼给评估板供电,使用 USB 电缆(Type-A 转 Mini USB)连接至评估板 USB 连接器 CN1;
▼红色 LED3 点亮(电源指示灯),绿色 LED1,LED2 交替闪烁;
▼按下 S1 按钮,可观察 LED1 闪烁,LED2 熄灭;
▼按下 S2 按钮,可观察 LED2 闪烁,LED1 熄灭;
▼可在官网下载 CW32F030 StartKit 演示软件,有助于快速了解 CW32F030CxTx StartKit 评估板特征;
▼根据提供的例程开发用户自己的程序。

4.注意事项
▼ CN7与CN12均可用于连接调试器,但CN7增加了BOOT引脚,可用于连接下载器;
▼ VTref与板上VDDIN为同一个网络,需要连接调试器上的VTref接口;
▼评估板上USB 转串口芯片、FLASH 芯片、EEPROM 芯片引脚均引出未与微控制器引脚连接,如需测试需要使用杜邦线进行连接。
5.评估板原理图
