全球最实用的IT互联网信息网站!
AI人工智能P2P分享&下载搜索网页发布信息网站地图
德州仪器永磁同步电机控制方案
阅读全文2014-05-12
德州仪器无刷直流电机控制方案
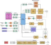
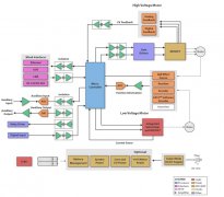
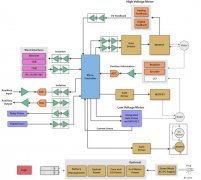
德州仪器低压电机控制方案
德州仪器有刷直流电机控制方案
德州仪器交流感应电机控制方案
基于XMEGA的温室环境检测系统的方案
阅读全文2014-05-07
针对白家电应用的无刷直流电机驱动及控制方案
阅读全文2014-05-06
解密变频器抗干扰问题
阅读全文2014-05-04
在变频空调风机中永磁同步电机矢量控制方案的
伺服电机内部结构及其工作原理
pwm控制的基本原理
日本HarmonicDrive哈默纳科谐波减速机的三大
支持工业4.0工厂的大规模定制、高质量和
机器视觉系统的主要工作流程是怎样的
CPU | 内存 | 硬盘 | 显卡 | 显示器 | 主板 | 电源 | 键鼠 | 网站地图
Copyright © 2025-2035 诺佳网 版权所有 备案号:赣ICP备2025066733号 本站资料均来源互联网收集整理,作品版权归作者所有,如果侵犯了您的版权,请跟我们联系。